电脑桌面
添加小米粒文库到电脑桌面
安装后可以在桌面快捷访问

uasb—tf工艺处理食品工业废水

uasb—tf工艺处理食品工业废水_第1页
1/5
uasb—tf工艺处理食品工业废水_第2页
2/5
uasb—tf工艺处理食品工业废水_第3页
3/5
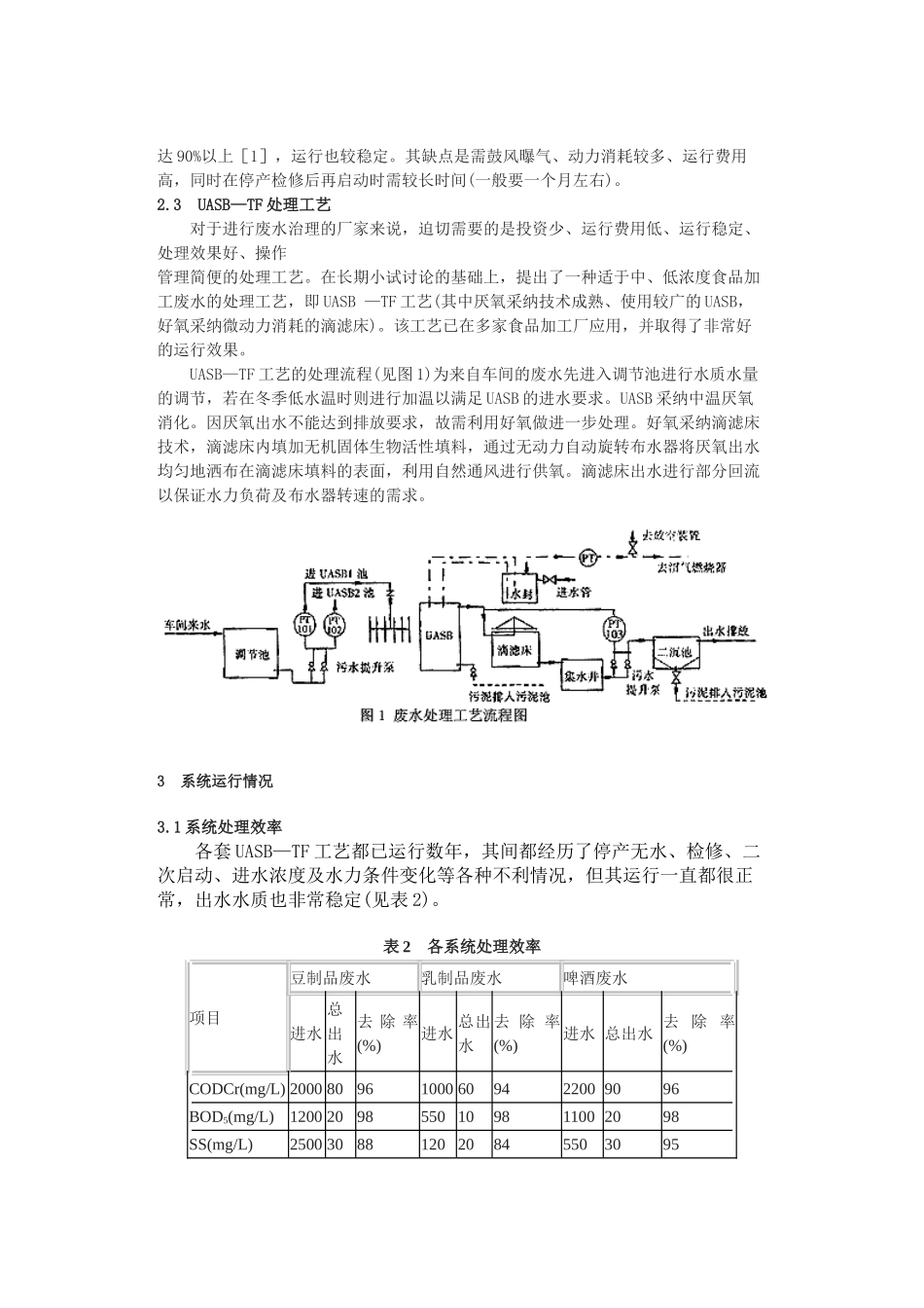
UASB—TF 工艺处理食品工业废水论文名称:UASB—TF 工艺处理食品工业废水作者:马三剑,刘锋,蒋京东摘要:对食品(豆制品、乳制品、啤酒)加工过程中产生的中、低浓度有机废水可采纳UASB—TF 工艺进行处理。当进水 COD 浓度为 1 000~3 000 mg/L 时,出水 COD 浓度可降至 50~90 mg/L,此工艺对季节性生产废水的处理也非常适合。关键字:UASB TF 食品加工废水 对食品加工废水的处理一般采纳物化法(气浮、混凝沉淀、吸附等),但其去除效率不稳定、运行费用高、管理操作不便。近年来也有以好氧法为主的处理技术,对有机物的去除虽较好,但其运行费用较高。而将上流式厌氧污泥床(UASB)与基本无动力消耗的滴滤床(TF)相结合的 UASB—TF 技术,经过在多个厂家的多种食品生产废水处理中的应用表明,该工艺处理效率高、运行费用低、投资较少、操作管理非常简便,二次启动非常便利,出水能达到《污水综合排放标准》(GB 8978—1996)中的一级标准,而且已有部分厂家将其出水回用于生产上的非直接冷却系统。1 废水水质 豆制品(豆奶粉、豆奶饮料)、乳制品(酸奶、鲜奶等)、啤酒生产废水的水质见表 1,其处理水量分别为 800、400、600m3/d。表 1 废水水质废 水 种类主要有机成分CODCr(mg/L) BOD5(mg/L) pH 温度 SS(mg/L)豆 制 品废水糖类、蛋白质、淀粉、纤维素等1 700~23001 000~1500 5~6常温 200~300乳 制 品废水糖 类 、 脂 肪 酸 、 蛋 白质、淀粉等800~1200500~6005~6常温 100~150啤 酒 废水糖 类 、 脂 肪 酸 、 蛋 白质、淀粉、纤维素等2 000~2 500 1 000~1200 6~9常温 500~6002 处理工艺的选择2.1 气浮处理工艺 针对废水中含有较多胶体物质,采纳常规气浮法能较好地将其去除。经气浮处理后出水较清,但因其对溶解性有机物不能去除、出水中 CODCr 含量较高、运行不稳定而不能达到排放标准。同时,因气浮会产生较多的污泥,而且污泥含水率非常高,所以运行费用也较高,目前已基本上不单独用于此种废水的处理。2.2 好氧处理工艺 对于有机物含量较高且可生化性较好的有机废水,前几年使用最多的是接触氧化、SBR、活性污泥法等好氧工艺,对食品废水的处理效果也较好,CODCr 的去除率可达 90%以上[1],运行也较稳定。其缺点是需鼓风曝气、动力消耗较多、运行费用高,同时在停产检修后再启动时需较长时间(一般要一个月左右)。2.3 UASB—TF 处理工艺 对于进行废水治...

1、当您付费下载文档后,您只拥有了使用权限,并不意味着购买了版权,文档只能用于自身使用,不得用于其他商业用途(如 [转卖]进行直接盈利或[编辑后售卖]进行间接盈利)。
2、本站所有内容均由合作方或网友上传,本站不对文档的完整性、权威性及其观点立场正确性做任何保证或承诺!文档内容仅供研究参考,付费前请自行鉴别。
3、如文档内容存在违规,或者侵犯商业秘密、侵犯著作权等,请点击“违规举报”。

碎片内容

uasb—tf工艺处理食品工业废水

您可能关注的文档

确认删除?
VIP
微信客服
  • 扫码咨询
会员Q群
  • 会员专属群点击这里加入QQ群
客服邮箱
回到顶部