电脑桌面
添加小米粒文库到电脑桌面
安装后可以在桌面快捷访问

二期6号厂房工程电气、给排水施工组织设计(正)

二期6号厂房工程电气、给排水施工组织设计(正)_第1页
1/31
二期6号厂房工程电气、给排水施工组织设计(正)_第2页
2/31
二期6号厂房工程电气、给排水施工组织设计(正)_第3页
3/31
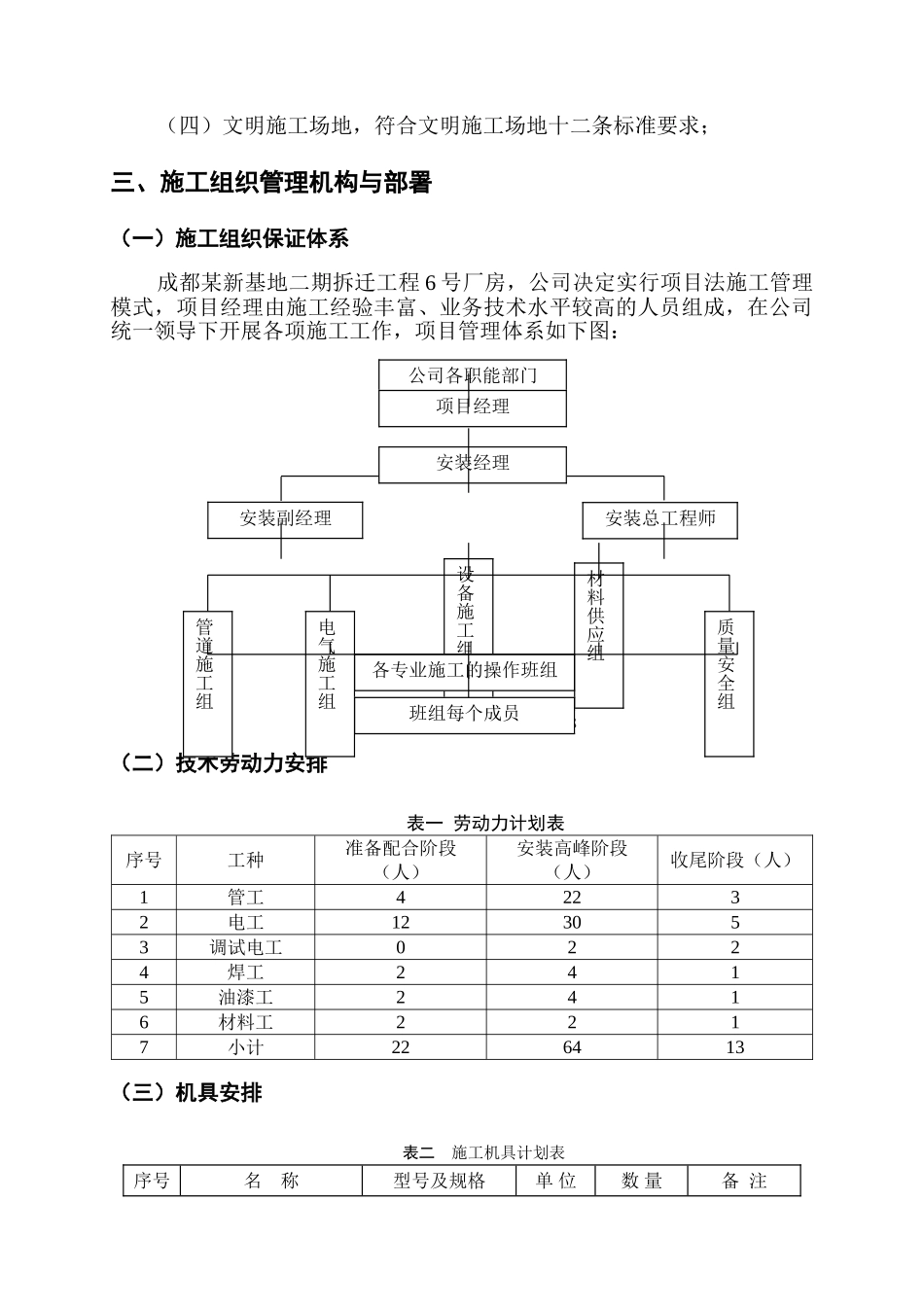
目 录一、工程概况及特点........................................................................................1二、主要经济技术指标....................................................................................2三、施工组织管理机构与部署........................................................................2(一)施工组织保证体系.............................................................................2(二)技术劳动力安排.................................................................................3(三)机具安排.............................................................................................4四、施工配合....................................................................................................4(一)与建设、监理单位配合.....................................................................4(二)与土建配合.........................................................................................5(三)安装各工种的配合.............................................................................7五、主要施工方法及技术措施........................................................................7(一)施工工序及工艺流程.........................................................................7(二)管道工程施工的主要方法及技术措施.............................................8(三)电气工程施工主要方法及措施.......................................................21(四)通风和空调工程施工主要方法及措施...........................................32六、成品保护..................................................................................................39七、质量控制及保证措施..............................................................................40(一)工程质量保证计划...........................................................................40(二)质量保证体系...................................................................................40(三)质量管理体系.......................................................................

1、当您付费下载文档后,您只拥有了使用权限,并不意味着购买了版权,文档只能用于自身使用,不得用于其他商业用途(如 [转卖]进行直接盈利或[编辑后售卖]进行间接盈利)。
2、本站所有内容均由合作方或网友上传,本站不对文档的完整性、权威性及其观点立场正确性做任何保证或承诺!文档内容仅供研究参考,付费前请自行鉴别。
3、如文档内容存在违规,或者侵犯商业秘密、侵犯著作权等,请点击“违规举报”。

碎片内容

二期6号厂房工程电气、给排水施工组织设计(正)

您可能关注的文档

确认删除?
VIP
微信客服
  • 扫码咨询
会员Q群
  • 会员专属群点击这里加入QQ群
客服邮箱
回到顶部