电脑桌面
添加小米粒文库到电脑桌面
安装后可以在桌面快捷访问

利用步步紧加固地下室挡土墙混凝土模板

利用步步紧加固地下室挡土墙混凝土模板_第1页
1/6
利用步步紧加固地下室挡土墙混凝土模板_第2页
2/6
利用步步紧加固地下室挡土墙混凝土模板_第3页
3/6
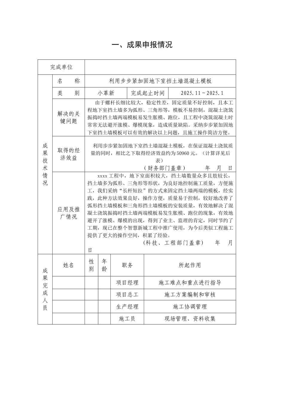
xxxx 有限公司“五小”成果奖申报资料成果名称:利用步步紧加固地下室挡土墙混凝土模板 申报单位:中国建筑 xxxx 有限公司 申报时间: 2025 年 x 月 x 日 一、成果申报情况完成单位 成果技术情况名 称利用步步紧加固地下室挡土墙混凝土模板类 别小革新完成起止时间2025.11~2025.1解决的关键问题由于螺杆长细比较大,稳定性差,固定质量不好控制,且本工程地下室挡土墙多为弧形、三角形等,模板不易控制,混凝土浇筑振捣时挡土墙两端模板易发生胀模、跑位,且工程中浇筑混凝土时常常无法避开涨模、爆模现象,造成质量缺陷。采纳步步紧加固地下室挡土墙模板可以有效的解决以上问题,且施工操作简洁方便。 取得的经济效益利用步步紧加固地下室挡土墙混凝土模板,在保证混凝土浇筑质量的同时,相比之下取得经济效益约为 50960 元。(计算详见后表) (财务部门盖章) 年 月 日应用及推广情况xxxx 工程中,地下室面积较大,挡土墙数量众多且肢较长,挡土墙多为弧形、三角形等形状,为良好地控制施工质量,方便施工,我们采纳“长杆短拉”的方式来固定挡土墙两端的模板,经实践,此种方法效果良好,操作方便,质量易于控制,较好地改善了弧形挡土墙模板和三角形挡土墙模板的安装质量,有效地解决了混凝土浇筑振捣时挡土墙两端模板易发生胀模、跑位的现象,有效地避开了涨模、爆模的出现,得到了业主、监理的肯定,同时节约了工期,现已在整个智慧新城工程中推广使用,为今后类似工程施工提供了更大的操作空间,积累了经验。 (科技、工程部门盖章) 年 月 日成果完成人员姓名性别年龄职务所起作用项目经理施工难点和重点进行指导项目总工施工方案编制和审核生产经理施工协调管理施工员现场管理、资料收集二、成果简要说明书主要内容如下:1、 选题背景及目的xxxx 地下室为一层,层高 4m,建筑面积约 62855.83m2,为配合幕墙反坎施工和满足回填土结构防水功能,地下室外围增设钢筋混凝土挡土墙,挡土墙数量众多且部分挡土墙肢长,挡土墙多为弧形和三角形,常规模板施工方式采纳长螺杆拉结的方式进行加固,为确保模板安装质量和混凝土浇筑质量, 本工程利用步步紧加固地下室挡土墙混凝土模板的成功应用,为保证混凝土浇筑质量提供了可能。2、 总体思路本方法的主要特点是针对传统的长螺杆拉结固定法的缺点进行改善,采纳“长杆短拉”的方法来固定挡土墙两端模板。 具体操作方法是将靠近端部的第二道侧边竖楞紧贴对拉螺栓内...

1、当您付费下载文档后,您只拥有了使用权限,并不意味着购买了版权,文档只能用于自身使用,不得用于其他商业用途(如 [转卖]进行直接盈利或[编辑后售卖]进行间接盈利)。
2、本站所有内容均由合作方或网友上传,本站不对文档的完整性、权威性及其观点立场正确性做任何保证或承诺!文档内容仅供研究参考,付费前请自行鉴别。
3、如文档内容存在违规,或者侵犯商业秘密、侵犯著作权等,请点击“违规举报”。

碎片内容

利用步步紧加固地下室挡土墙混凝土模板

您可能关注的文档

办公文档专营+ 关注
实名认证
内容提供者

大量办公文档,欢迎选择

确认删除?
VIP
微信客服
  • 扫码咨询
会员Q群
  • 会员专属群点击这里加入QQ群
客服邮箱
回到顶部