电脑桌面
添加小米粒文库到电脑桌面
安装后可以在桌面快捷访问

制冷剂管道及配件安装分项工程检验批质量验收记录

制冷剂管道及配件安装分项工程检验批质量验收记录_第1页
1/4
制冷剂管道及配件安装分项工程检验批质量验收记录_第2页
2/4
制冷剂管道及配件安装分项工程检验批质量验收记录_第3页
3/4
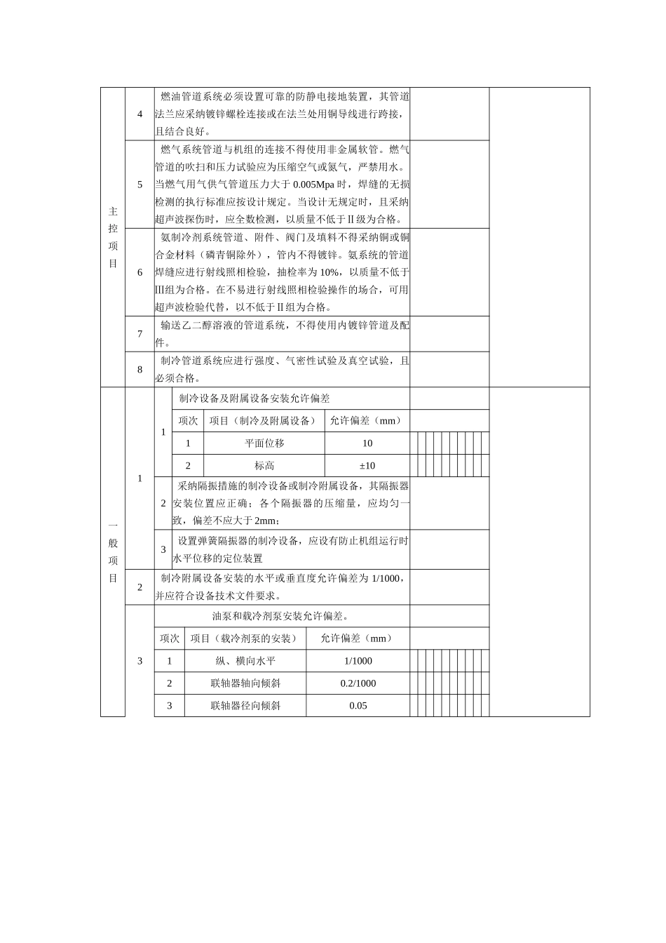
制冷剂管道及配件安装分项工程检验批质量验收记录 KT3.6.2.1工程名称检验批部位项目经理工程施工单位名称分包项目经理专业工长分包单位施工执行标准名称及编号施工班组长序号GB50243-2025 的规定施工单位检查评定资料监理(建设)单位验收记录主控项目1 燃油系统的设备与管道,以及储油罐及日用油箱的安装,位置和连接方法应符合设计和消防要求。 燃气系统设备的安装应符合设计和消防要求。调压装置、过滤器的安装和调节应符合设备技术文件的规定,且应可靠接地。2 制冷设备的各项严密性试验和试运行的技术数据,均应符合设备技术文件的规定。对组装式的制冷机组和现场冲注制冷剂的机组,必须进行吹污、气密性试验、真空试验和冲注制冷剂检漏试验,其相应的技术数据必须符合产品技术文件和有关现行国家标准、法律规范的规定。3 制冷系统管道、管件和阀门的安装应符合下列规定: 1、制冷系统管道、管件和阀门的型号、材质及工作压力等必须符合设计要求,并具有出厂合格证、质量证明书; 2、法兰、螺纹等处的密封材料应与管内的介质性能相适应; 3、制冷剂液体管不得向上装成“”形。气体管道不得向下装成“”形(特别回油管除外);液体支管引出时,必须从干管底部或侧面接出;气体支管引出时,连接部位应错开,间距不应小于 2 倍支管直径,且不小于200mm; 4、制冷机与附属设备之间制冷剂管道的连接,其坡度与坡向应符合设计及设备技术文件要求。当设计无规定时,应符合下表的规定。制冷剂管道坡度、坡向管 道 名 称坡 向坡 度压缩机吸气水平管(氟)压缩机≥10/1000压缩机吸气水平管(氨)蒸发器≥3/1000压缩机排气水平管油分离器≥10/1000冷凝器水平供液管贮液器(1~3)/1000油分离器至冷凝器水平管油分离器(3~5)/1000 5、制冷系统投入运行前,应对安全阀进行调试校核,其开启和回座压力应符合设备技术文件的要求。主控项目4 燃油管道系统必须设置可靠的防静电接地装置,其管道法兰应采纳镀锌螺栓连接或在法兰处用铜导线进行跨接,且结合良好。5 燃气系统管道与机组的连接不得使用非金属软管。燃气管道的吹扫和压力试验应为压缩空气或氮气,严禁用水。当燃气用气供气管道压力大于 0.005Mpa 时,焊缝的无损检测的执行标准应按设计规定。当设计无规定时,且采纳超声波探伤时,应全数检测,以质量不低于Ⅱ级为合格。6 氨制冷剂系统管道、附件、阀门及填料不得采纳铜或铜合金材料(磷青铜除外),管内不得镀锌。氨系...

1、当您付费下载文档后,您只拥有了使用权限,并不意味着购买了版权,文档只能用于自身使用,不得用于其他商业用途(如 [转卖]进行直接盈利或[编辑后售卖]进行间接盈利)。
2、本站所有内容均由合作方或网友上传,本站不对文档的完整性、权威性及其观点立场正确性做任何保证或承诺!文档内容仅供研究参考,付费前请自行鉴别。
3、如文档内容存在违规,或者侵犯商业秘密、侵犯著作权等,请点击“违规举报”。

碎片内容

制冷剂管道及配件安装分项工程检验批质量验收记录

您可能关注的文档

确认删除?
VIP
微信客服
  • 扫码咨询
会员Q群
  • 会员专属群点击这里加入QQ群
客服邮箱
回到顶部