电脑桌面
添加小米粒文库到电脑桌面
安装后可以在桌面快捷访问

北京市埋弧自动焊焊接工艺标准

北京市埋弧自动焊焊接工艺标准_第1页
1/14
北京市埋弧自动焊焊接工艺标准_第2页
2/14
北京市埋弧自动焊焊接工艺标准_第3页
3/14
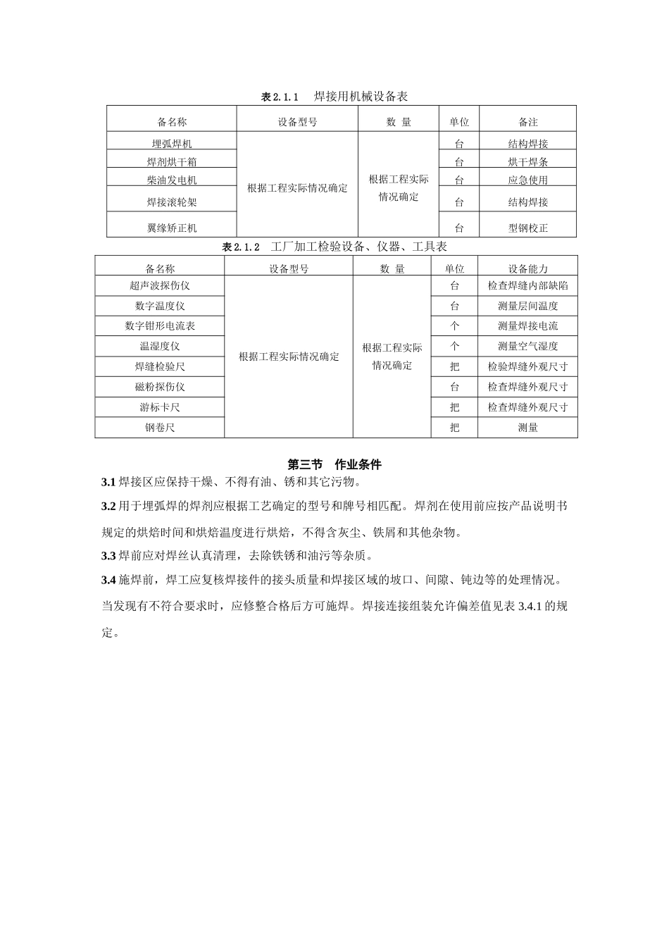
埋弧自动焊焊接工艺适用范围:本工艺适用钢结构制作与安装埋弧自 ss 动焊焊接工艺。工艺规定了一般低碳钢、普通低合金钢的埋弧自动焊的基本要求。凡各工程的工艺中无特别要求的结构件的埋弧自动焊均应按本工艺规定执行。第一节 材料要求1.1 材料要求1 钢材及焊接材料应按施工图的要求选用,其性能和质量必须符合国家标准和行业标准的规定,并应具有质量证明书或检验报告。假如用其它钢材和焊材代换时,须经设计单位同意,并按相应工艺文件施焊。2 碳当量不大于 0.45 的钢材可以按本工艺各项规定施焊。3 焊剂的选择视母材的成分、性能与焊丝相匹配使用。1)对于碳素钢和普通低合金钢,应保证焊缝机械性能。2)对于不同强度级别的异种钢接头,一般可按强度级较低的钢材选用抗裂性较好的焊接材料。3)焊丝焊剂常用组合为高锰高硅焊剂(HJ431)与低锰(H08A)或含锰(H08MnA)焊丝相配合;低锰或无锰高硅焊剂与高锰焊丝(H10Mn2)相配合。4 焊剂在使用前必须烘干,烘干温度一般为酸性焊剂(如 HJ431、HJ430)250—300℃,烘烤时间为 2 小时。碱性焊剂(如 HJ250、HJ260)一般为 300—400℃,2 小时烘烤后使用。使用中回收的焊剂应经过筛除,去杂物后烘干,再与新焊剂配比使用,车间要定期回收焊剂以免浪费。5 不同板厚的钢板对接接头的两板厚度差(1)不超过表 1.1.1 规定时,则焊缝坡口的基本形式与尺寸按较厚板的尺寸数据来选择;否则应在厚板上作出如表中图示的单面 a)或双面削薄 b),其削薄长度 L≥3(1)。 表 1.1.1较薄板厚度(mm)≥2~5>5~9>9~12>12允许厚度差(1)(mm)1234第二节 主要机具表 2.1.1 焊接用机械设备表备名称设备型号数 量单位备注埋弧焊机根据工程实际情况确定根据工程实际情况确定台结构焊接焊剂烘干箱台烘干焊条柴油发电机台应急使用焊接滚轮架台结构焊接翼缘矫正机台型钢校正表 2.1.2 工厂加工检验设备、仪器、工具表备名称设备型号数 量单位设备能力超声波探伤仪根据工程实际情况确定根据工程实际情况确定台检查焊缝内部缺陷数字温度仪台测量层间温度数字钳形电流表个测量焊接电流温湿度仪个测量空气湿度焊缝检验尺把检验焊缝外观尺寸磁粉探伤仪台检查焊缝外观尺寸游标卡尺把检查焊缝外观尺寸钢卷尺把测量第三节作业条件3.1 焊接区应保持干燥、不得有油、锈和其它污物。3.2 用于埋弧焊的焊剂应根据工艺确定的型号和牌号相匹配。焊剂在使用前应按产品说明书规定的烘焙...

1、当您付费下载文档后,您只拥有了使用权限,并不意味着购买了版权,文档只能用于自身使用,不得用于其他商业用途(如 [转卖]进行直接盈利或[编辑后售卖]进行间接盈利)。
2、本站所有内容均由合作方或网友上传,本站不对文档的完整性、权威性及其观点立场正确性做任何保证或承诺!文档内容仅供研究参考,付费前请自行鉴别。
3、如文档内容存在违规,或者侵犯商业秘密、侵犯著作权等,请点击“违规举报”。

碎片内容

北京市埋弧自动焊焊接工艺标准

确认删除?
VIP
微信客服
  • 扫码咨询
会员Q群
  • 会员专属群点击这里加入QQ群
客服邮箱
回到顶部