电脑桌面
添加小米粒文库到电脑桌面
安装后可以在桌面快捷访问

协信商业.餐饮交付标准-机电

协信商业.餐饮交付标准-机电_第1页
1/3
协信商业.餐饮交付标准-机电_第2页
2/3
协信商业.餐饮交付标准-机电_第3页
3/3
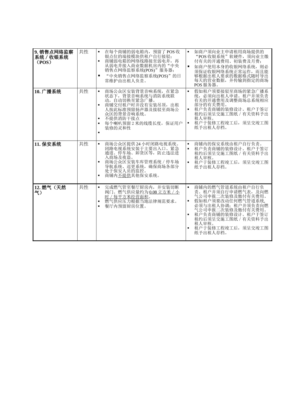
餐饮交付标准(A、B、C 类)表 A 餐饮商铺 店铺号交付标准分类店铺面积营业时间商场设施出租人提供标准租户负责范围1. 空调采暖共性提供1对冷冻水供回水管接驳位及1个冷凝水管接驳位;冷冻水供水管安装截止阀,冷冻水回水管安装调节阀。冷冻水供回水管及冷凝水管安装。提供1对采暖热水管接驳位,热水供水管安装截止阀,热水回水管安装调节阀。(如采纳 4 管制空调水系统)提供已由新风机预处理的新风,并经送风管送进至各商铺内之新风管断口。新风量利用风阀预先调校。 提供排烟口及相连之排烟管。提供空调器或盘管风机商铺(S≦300㎡)风机盘管、温控器由出租人安装到位并完成调试。风机盘管维护保养。商铺(S≦300㎡)室内新风阀后及与风机盘管连接之风管、送/回风口的购买、安装、维修保养及其相关供电、自动控制的安装。商铺面积(S﹥300㎡)风机盘管、空调器(如有)、温控器由出租人提供,但不安装;室内新风阀后及与风机盘管、空调器连接之风管、送/回风口的购买、安装、维修保养及其相关供电、自动控制的安装。出租人提供设计到位的空调图纸。商家可根据商铺装修图纸调整风机盘管或空调器位置并进行安装,但若增加数量须向商管公司提出申请。租户负责商铺的装修设计。租户于签订租约后须呈交施工图纸/有关资料予出租人审核。租户于装修工程竣工后,须呈交竣工图纸予出租人存档。A 类采纳 4 管制空调水系统空调的制冷量按 350W/㎡的标准配置(冷量根据不同地域的项目将有一定的调整)B 类是否采纳 4 管制、2 管制等将根据项目具体需求分析确定空调的制冷量按 350W/㎡的标准配置(冷量根据不同地域的项目将有一定的调整)C 类采纳 2 管制空调水系统空调的制冷量按 300W/㎡的标准配置(冷量根据不同地域的项目将有一定的调整)2. 厨房排风/补风系统、通风系统共性提供厨房排油烟系统使用之排风管及补风管断口。排风管已接驳至排风井;补风管已接驳至补风百叶或补风井内。对于备有燃气供应的餐厅,另外预留事故通风系统的排风管断口。厨房换气次数按 50 次/小时计算,事故通风按 12 次/小时计算,通风按 3 次/小时计算。· 设备:业主不提供餐厅的厨房排风/补风扇、事故通风机、厨房油烟处理设备等。餐厅的厨房排风/补风扇及厨房油烟处理设备、事故通风机之供应、安装及维护保养。餐厅的厨房排风/补风扇及厨房油烟处理设备之供电、自动控制、风管、送/...

1、当您付费下载文档后,您只拥有了使用权限,并不意味着购买了版权,文档只能用于自身使用,不得用于其他商业用途(如 [转卖]进行直接盈利或[编辑后售卖]进行间接盈利)。
2、本站所有内容均由合作方或网友上传,本站不对文档的完整性、权威性及其观点立场正确性做任何保证或承诺!文档内容仅供研究参考,付费前请自行鉴别。
3、如文档内容存在违规,或者侵犯商业秘密、侵犯著作权等,请点击“违规举报”。

碎片内容

协信商业.餐饮交付标准-机电

您可能关注的文档

确认删除?
VIP
微信客服
  • 扫码咨询
会员Q群
  • 会员专属群点击这里加入QQ群
客服邮箱
回到顶部