电脑桌面
添加小米粒文库到电脑桌面
安装后可以在桌面快捷访问

厚板楼盖的内力分析与设计研究

厚板楼盖的内力分析与设计研究_第1页
1/6
厚板楼盖的内力分析与设计研究_第2页
2/6
厚板楼盖的内力分析与设计研究_第3页
3/6
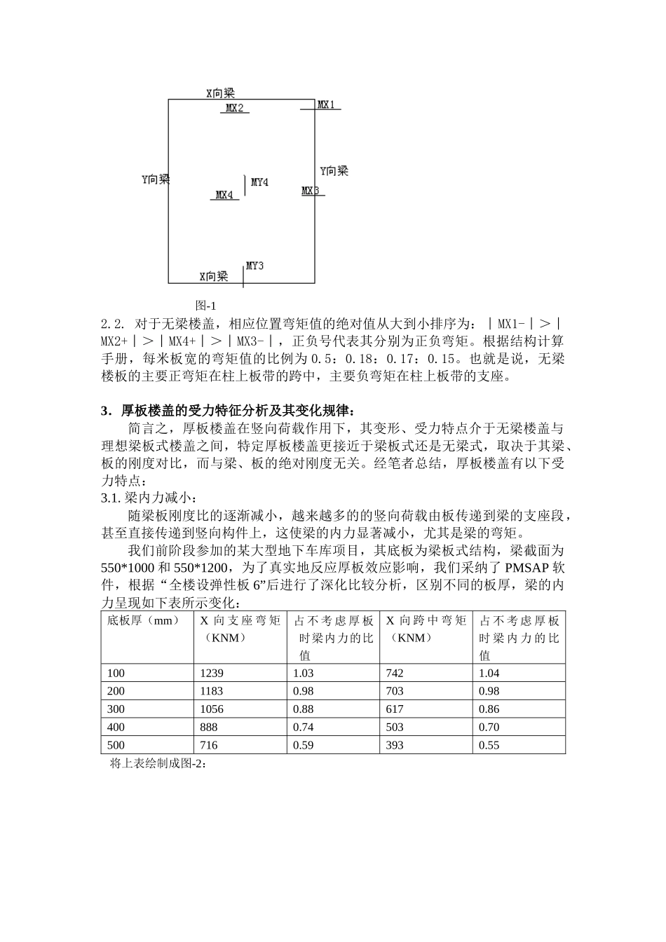
厚板楼盖的内力分析与设计讨论 〔摘 要〕:厚板有梁内力减小、板弯矩重布、次梁支座退化、区格弯矩分化、主跨转向以及简支效应等特征〔关键词〕:厚板楼盖,受力特征,内力计算与配筋要点 Analysis about internal force of thick slab floor and design1. 厚板楼盖的概念,以及目前设计中存在的问题:现浇梁板式楼盖结构(含主次梁楼盖)中,当楼板达到一定厚度,其抗弯刚度与梁相比已不能忽略时,称为厚板楼盖。从几何构成来看,厚板楼盖与典型的梁板式楼盖并无二致,只是板略厚,但在竖向荷载作用下,由于梁板刚度对比发生了本质变化,使原来的计算简图,以及对梁、板构件的传统内力计算方法、配筋构造、所用软件等变得无法反映真实情况。比如说,当楼板的板梁刚度比大到一定程度时,可以使理想计算模型得到的内力误差达到 50%甚至更高。固守传统设计观念一方面将造成浪费,另一方面可能导致安全问题的出现。本文之所以详细论述厚板式楼盖,并非着眼于单纯的理论讨论,众所周知,对于量大面广的多层、大跨、地下建筑物而言,水平构件在整个结构物成本构成中,占了相当大的比重。现实工程中,例如地下室底板由于结构自防水要求,将梁板式的底板厚度做成 400mm 及以上,或者地上建筑物由于层高限制、美观要求等,将梁高做得较小、或使用扁梁、或者采纳空心楼板等,此时板刚度对梁而言不宜忽略。对于此类厚板楼盖在竖向荷载作用下的深化讨论是有很大的经济与有用价值的。2. 无梁楼盖与理想的梁板式楼盖的受力特点比较:事实上,在结构性能上,厚板楼盖介于无梁式楼盖与理想的梁板式楼盖之间;或者说,无梁式、理想的梁板式楼盖是楼盖结构的两种极端形式。因此,有必要回顾一下此两者的受力特点。2.1. 以往观念与经典设计软件,对于梁板式楼盖的分析是建立在“薄板弹性理论”之上的,进行梁板楼盖分析时,板仅仅是平面外无刚度的传力构件:一方面,竖向荷载的传递是根据“指定导荷”方式,根据三角形或者梯形面积将均载全部传递给所依附的梁,再由梁向柱或墙上传递;另一方面,梁是板的理想支座,梁的弯、扭刚度无穷大。图-1 为一个典型梁格内板的弯矩分布示意。理想模型一般认为:A. 全部的竖向荷载沿垂直于梁轴的方向传递到梁上;B. 对于中间区格,︱MX3︱>︱MX4︱,MX1、MX2≈0;C. MX3 为负弯矩;D.短跨板为的主要受力跨,即当 Y 向跨度大于 X 向跨度时,有︱MX3︱>︱MY3︱,︱MX4︱>︱MY4︱。图-12.2. 对于无...

1、当您付费下载文档后,您只拥有了使用权限,并不意味着购买了版权,文档只能用于自身使用,不得用于其他商业用途(如 [转卖]进行直接盈利或[编辑后售卖]进行间接盈利)。
2、本站所有内容均由合作方或网友上传,本站不对文档的完整性、权威性及其观点立场正确性做任何保证或承诺!文档内容仅供研究参考,付费前请自行鉴别。
3、如文档内容存在违规,或者侵犯商业秘密、侵犯著作权等,请点击“违规举报”。

碎片内容

厚板楼盖的内力分析与设计研究

您可能关注的文档

确认删除?
VIP
微信客服
  • 扫码咨询
会员Q群
  • 会员专属群点击这里加入QQ群
客服邮箱
回到顶部