电脑桌面
添加小米粒文库到电脑桌面
安装后可以在桌面快捷访问

提高弧形柱混凝土施工质量汇报

提高弧形柱混凝土施工质量汇报_第1页
1/9
提高弧形柱混凝土施工质量汇报_第2页
2/9
提高弧形柱混凝土施工质量汇报_第3页
3/9
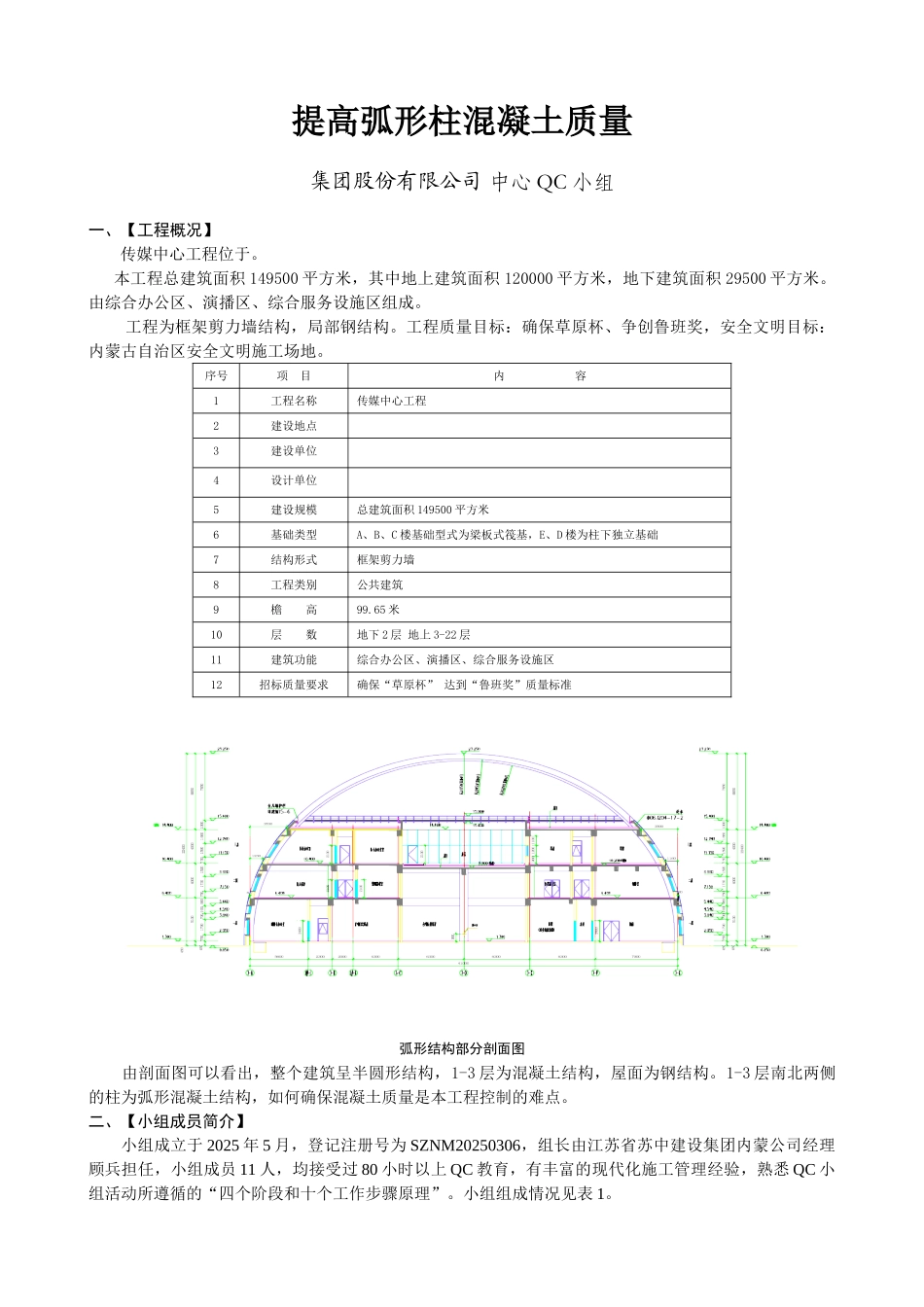
提高弧形柱混凝土质量集团股份有限公司 中心 QC 小组一、【工程概况】传媒中心工程位于。 本工程总建筑面积 149500 平方米,其中地上建筑面积 120000 平方米,地下建筑面积 29500 平方米。由综合办公区、演播区、综合服务设施区组成。 工程为框架剪力墙结构,局部钢结构。工程质量目标:确保草原杯、争创鲁班奖,安全文明目标:内蒙古自治区安全文明施工场地。序号项 目内 容1工程名称传媒中心工程2建设地点3建设单位4设计单位5建设规模总建筑面积 149500 平方米6基础类型A、B、C 楼基础型式为梁板式筏基,E、D 楼为柱下独立基础7结构形式框架剪力墙8工程类别公共建筑9檐 高99.65 米10层 数地下 2 层 地上 3-22 层11建筑功能综合办公区、演播区、综合服务设施区12招标质量要求确保“草原杯” 达到“鲁班奖”质量标准弧形结构部分剖面图 由剖面图可以看出,整个建筑呈半圆形结构,1-3 层为混凝土结构,屋面为钢结构。1-3 层南北两侧的柱为弧形混凝土结构,如何确保混凝土质量是本工程控制的难点。二、【小组成员简介】小组成立于 2025 年 5 月,登记注册号为 SZNM20250306,组长由江苏省苏中建设集团内蒙公司经理顾兵担任,小组成员 11 人,均接受过 80 小时以上 QC 教育,有丰富的现代化施工管理经验,熟悉 QC 小组活动所遵循的“四个阶段和十个工作步骤原理”。小组组成情况见表 1。 QC 小组情况简介表 表 1小组名称江苏省苏中建设集团内蒙古广播影视数字传媒中心项目 QC 小组成立时间2025 年 3 月注册时间2009 年 3 月 10 日登记注册号SZNM20250306课题名称提高弧形柱混凝土质量课题登记号SZNM-QC10-1课题类型攻关型年检注册号SZ-QC 2025-03-08活动时间2025 年 3 月 25 日-2025 年 6 月 30 日小组人数11 人活动情况组员接受 QC 教育活动累计在 80 小时以上,出勤率达 90%以上。序号姓 名性别年龄学历职 务职称分工情况1顾 兵男43本科经理高级工程师组长2男55本科总工程师高级工程师副组长3男35大专技术负责人高级工程师技术数据4男32本科土建技术负责人工程师现状调查、对策实施5男49大专执行经理工程师现状调查6男45大专生产经理工程师原因分析7男39中专质量检查员工程师制订对策8男39专科专业工程师高级工程师对策实施9男38专科施工员工程师对策实施10男29专科资料员助理工程师巩固措施11男42专科工长助理工程师对策实施制表人: 日期:2025 年 3 月 22 ...

1、当您付费下载文档后,您只拥有了使用权限,并不意味着购买了版权,文档只能用于自身使用,不得用于其他商业用途(如 [转卖]进行直接盈利或[编辑后售卖]进行间接盈利)。
2、本站所有内容均由合作方或网友上传,本站不对文档的完整性、权威性及其观点立场正确性做任何保证或承诺!文档内容仅供研究参考,付费前请自行鉴别。
3、如文档内容存在违规,或者侵犯商业秘密、侵犯著作权等,请点击“违规举报”。

碎片内容

提高弧形柱混凝土施工质量汇报

确认删除?
VIP
微信客服
  • 扫码咨询
会员Q群
  • 会员专属群点击这里加入QQ群
客服邮箱
回到顶部