电脑桌面
添加小米粒文库到电脑桌面
安装后可以在桌面快捷访问

新校园主教学楼钢筋专项施工方案

新校园主教学楼钢筋专项施工方案_第1页
1/15
新校园主教学楼钢筋专项施工方案_第2页
2/15
新校园主教学楼钢筋专项施工方案_第3页
3/15
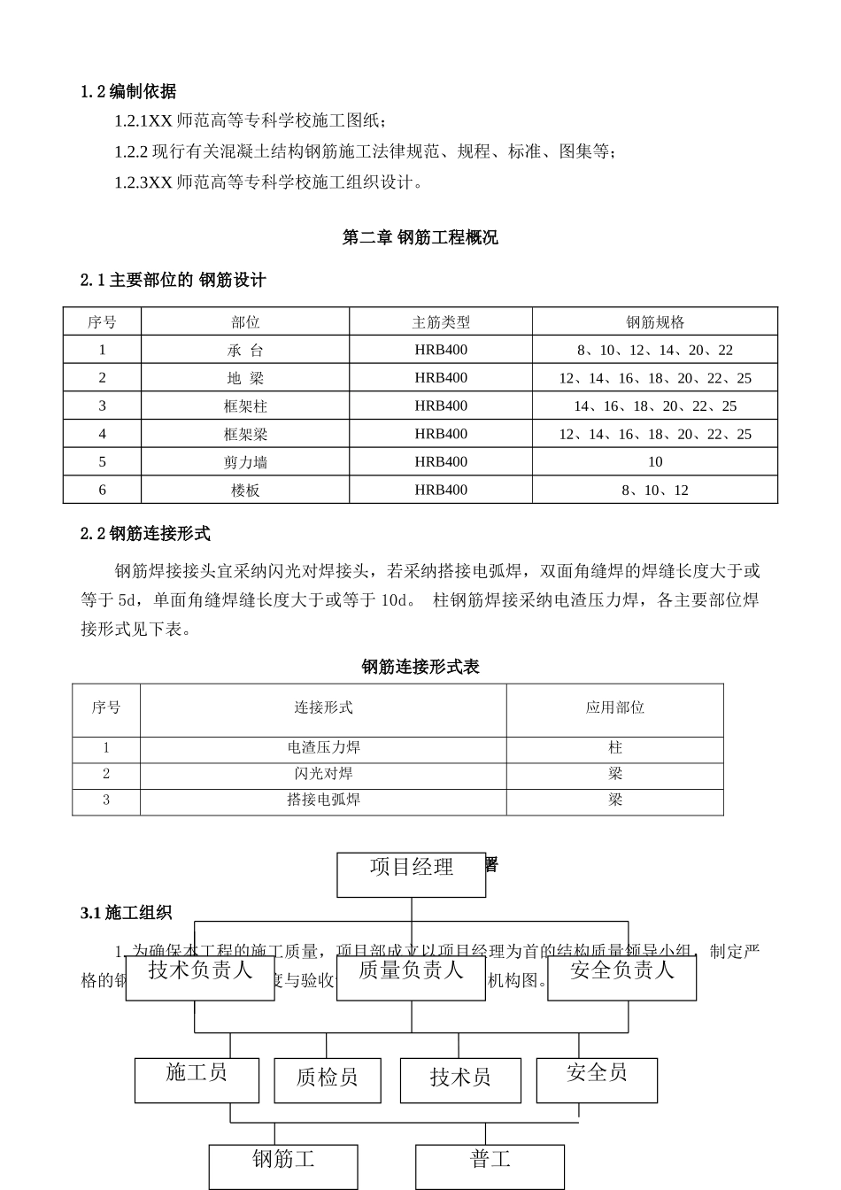
XX 师范高等专科学校新校园主教学楼钢筋专项施工方案编制: 审核: 审批: XX 市建筑工程集团有限公司目 录第一章编制依据..............................................................21.1 编制目的...................................................................21.2 编制依据...................................................................2第二章 钢筋工程概况............................................................22.1 主要部位的钢筋设计.........................................................22.2 钢筋连接形式...............................................................2第三章 施工组织部署............................................................33.1 施工组织...................................................................33.2 施工部署...................................................................43.2.1 钢筋原材料进场堆放....................................................53.2.2 钢筋运输..............................................................53.2.3 施工准备..............................................................53.2.4 材料要求..............................................................5第四章 施工方法................................................................64.1 钢筋翻样...................................................................64.2 钢筋加工...................................................................64.3 钢筋连接...................................................................64.3.1 电渣压力焊............................................................64.3.2 钢筋闪光对焊..........................................................74.3.3 钢筋搭接焊............................................................84.4 钢筋绑扎...................................................................84.4. 1 基础钢筋绑扎.........................................................84.4. 2 柱子钢筋绑扎.........................................................84.4. 3 剪力墙钢筋绑扎.....................................

1、当您付费下载文档后,您只拥有了使用权限,并不意味着购买了版权,文档只能用于自身使用,不得用于其他商业用途(如 [转卖]进行直接盈利或[编辑后售卖]进行间接盈利)。
2、本站所有内容均由合作方或网友上传,本站不对文档的完整性、权威性及其观点立场正确性做任何保证或承诺!文档内容仅供研究参考,付费前请自行鉴别。
3、如文档内容存在违规,或者侵犯商业秘密、侵犯著作权等,请点击“违规举报”。

碎片内容

新校园主教学楼钢筋专项施工方案

确认删除?
VIP
微信客服
  • 扫码咨询
会员Q群
  • 会员专属群点击这里加入QQ群
客服邮箱
回到顶部