电脑桌面
添加小米粒文库到电脑桌面
安装后可以在桌面快捷访问

木料表面施涂清漆涂料施工工程质量管理

木料表面施涂清漆涂料施工工程质量管理_第1页
1/4
木料表面施涂清漆涂料施工工程质量管理_第2页
2/4
木料表面施涂清漆涂料施工工程质量管理_第3页
3/4
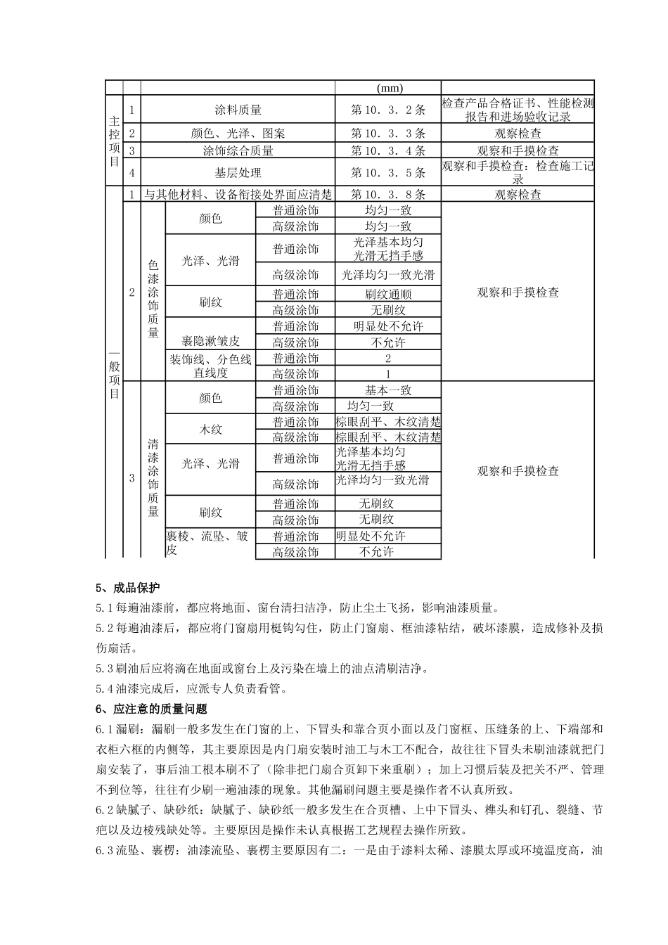
木料表面施涂清漆涂料施工工程质量管理1、依据标准:《建筑工程施工质量验收统一标准》 GB50300-2001《建筑装饰装修工程施工质量验收法律规范》 GB50210-20012、施工准备2.1 材料要求:2.1.1 涂料:光油、清油、脂胶清漆、酚醛清漆、铅油、调合漆、漆片等。2.1.2 填充料:石膏、地板黄、红土子、黑烟子、大白粉等。2.1.3 稀释剂:汽油、煤油、醇酸稀料、松香水、酒精等。2.1.4 催干剂:“液体钴干剂”等。2.2 主要机具:2.2.1 油刷、开刀、牛角板、油画笔、掏子、毛笔、砂纸、砂布、擦布、腻子板、钢皮刮板、橡皮刮板、小油桶、半截大桶、水桶、油勺、棉丝、麻丝、竹签、小色碟、铜丝箩、高凳、脚手板、安全带、钢丝钳子、小锤子和小笤帚等。2.3 作业条件:2.3.1 施工温度宜保持均衡,不得突然有较大的变化,且通风良好。湿作业已完并具备一定的强度,环境比较干燥。一般油漆工程施工时的环境温度不宜低于+10℃,相对湿度不宜大于 60%。2.3.2 在室外或室内高于 3.6m 处作业时,应事先搭设好脚手架,并以不阻碍操作准。2.3.3 大面积施工前应事先做样板间,经有关质量部门检查鉴定合格后,方可组织班组进行大面积施工。2.3.4 操作前应认真进行交接检查工作,并对遗留问题进行妥善处理。2.3.5 木基层表面含水率一般不大于 12%。3、操作工艺3.1 工艺流程:基层处理→润色油粉→满刮油腻子→刷油色→刷第一遍清漆(刷清漆→修补腻子→修色→磨砂纸)→安装玻璃→刷第二遍清漆→刷第三遍清漆。3.2 基层处理:首先将木门窗和木料表面基层面上的灰尘、油污、斑点、胶迹等用刮刀或碎玻璃片刮除洁净。注意不要刮出毛刺,也不要刮破抹灰墙面。然后用 1 号以上砂纸顺木纹打磨,先磨线角,后磨四口平面,直到光滑为止。木门窗基层有小块活翘皮时,可用小刀撕掉。重皮的地方应用小钉子钉牢固,如重皮较大或有烤糊印疤,应由木工修补。3.3 润色油粉:用大白粉 24,松香水 16,熟桐油 2(重量比)等混合搅拌成色油粉(颜色同样板颜色),盛在小油桶内。用棉丝蘸油粉板复涂于木料表面,擦进木料鬃眼内,而后用麻布或木丝擦净 ,线角应用竹片除去余粉。注意墙面及五金上不得沾染油粉。待油粉干后,用 1 号砂纸轻轻顺木纹打磨,先磨线角、裁口,后磨四口平面,直到光滑为止。注意保护棱角,不要将鬃眼内油粉磨掉。磨完后用潮布将磨下的粉末、灰尘擦净。3.4 满刮油腻子:抹腻子的重量配合比为石膏粉 20,熟桐油 7,水 50(重量比),...

1、当您付费下载文档后,您只拥有了使用权限,并不意味着购买了版权,文档只能用于自身使用,不得用于其他商业用途(如 [转卖]进行直接盈利或[编辑后售卖]进行间接盈利)。
2、本站所有内容均由合作方或网友上传,本站不对文档的完整性、权威性及其观点立场正确性做任何保证或承诺!文档内容仅供研究参考,付费前请自行鉴别。
3、如文档内容存在违规,或者侵犯商业秘密、侵犯著作权等,请点击“违规举报”。

碎片内容

木料表面施涂清漆涂料施工工程质量管理

确认删除?
VIP
微信客服
  • 扫码咨询
会员Q群
  • 会员专属群点击这里加入QQ群
客服邮箱
回到顶部