电脑桌面
添加小米粒文库到电脑桌面
安装后可以在桌面快捷访问

油罐区消防计算书

油罐区消防计算书_第1页
1/5
油罐区消防计算书_第2页
2/5
油罐区消防计算书_第3页
3/5
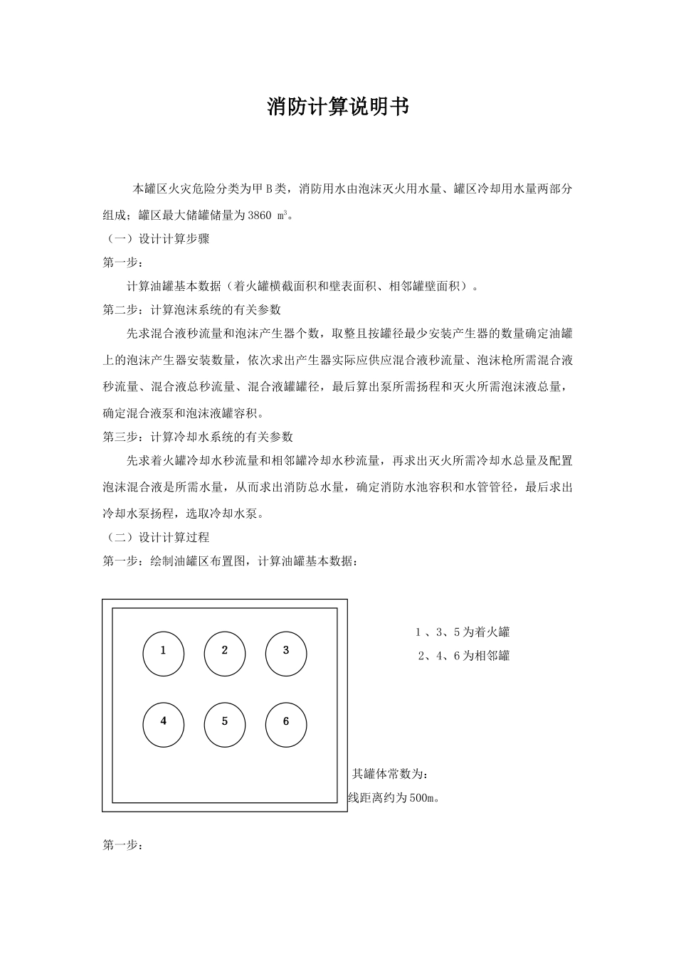
消防计算说明书本罐区火灾危险分类为甲 B 类,消防用水由泡沫灭火用水量、罐区冷却用水量两部分组成;罐区最大储罐储量为 3860 m3。(一)设计计算步骤第一步:计算油罐基本数据(着火罐横截面积和壁表面积、相邻罐壁面积)。第二步:计算泡沫系统的有关参数先求混合液秒流量和泡沫产生器个数,取整且按罐径最少安装产生器的数量确定油罐上的泡沫产生器安装数量,依次求出产生器实际应供应混合液秒流量、泡沫枪所需混合液秒流量、混合液总秒流量、混合液罐罐径,最后算出泵所需扬程和灭火所需泡沫液总量,确定混合液泵和泡沫液罐容积。第三步:计算冷却水系统的有关参数先求着火罐冷却水秒流量和相邻罐冷却水秒流量,再求出灭火所需冷却水总量及配置泡沫混合液是所需水量,从而求出消防总水量,确定消防水池容积和水管管径,最后求出冷却水泵扬程,选取冷却水泵。(二)设计计算过程第一步:绘制油罐区布置图,计算油罐基本数据:1、3、5 为着火罐2、4、6 为相邻罐已知:汽油灌区有如图布置的大小相等的 4 个罐,其罐体常数为:V=3860m3 D=25m H 壁=7.5m;消防泵房距灌区管线距离约为 500m。第一步:635241F 着截=3.14••D2 着/4=3.14×(25)2/4=490.63 m2F 着壁=3.14•D 着••H 着=3.14×25×7.5=588.75 m2第二步:泡沫系统设计计算:(1)计算混合液流量:Q 混计=q 混规••F 着截/60 ……………(L/S)(式 1)式中:q 混规为中倍数泡沫灭火供给强度,查法律规范(GB50196-93)得:q 混规=4L/min••m2则 Q 混计=4L/min••m2×490.63 m2/60min=32.8(L/S)(2) 计算泡沫产生器个数: N 计=Q 混计/q 器 ……………………(个)(式 2)式中:q 器为空气泡沫产生器的强度,查消防器材产品样本知:Pz6=6L/S , Pz3=3L/S , 分别代入式 2:N=32.8/6=5.5 个 , N=32.8/3=11 个。(3)求泡沫产生器实际应安装的个数:N 安的选取要考虑两个因素:其一应满足 N 安不小于 N 计(所以应对 N 安近位取整);其二应满足不同罐径对泡沫产生器最小安装数量 N 安最小的要求,即满足下表要求:表 1 不同罐径对 N 安最小的要求罐直径(D、m)N 安最小小于 10110-20221-25326-354根据以上两个因素,3860m3罐选为 11 个 Pz-3 或 6 个 Pz-6 产生器都可以。(4)求油罐产生器实际应供混合液秒流量: Q 混实=q 器•N 安……………(L/S)(式 3)A. 选 11 个 pz-3 产生器时,Q 混实=11×3=3...

1、当您付费下载文档后,您只拥有了使用权限,并不意味着购买了版权,文档只能用于自身使用,不得用于其他商业用途(如 [转卖]进行直接盈利或[编辑后售卖]进行间接盈利)。
2、本站所有内容均由合作方或网友上传,本站不对文档的完整性、权威性及其观点立场正确性做任何保证或承诺!文档内容仅供研究参考,付费前请自行鉴别。
3、如文档内容存在违规,或者侵犯商业秘密、侵犯著作权等,请点击“违规举报”。

碎片内容

油罐区消防计算书

MY shop+ 关注
实名认证
内容提供者

欢迎挑选适合自己的材料。

确认删除?
VIP
微信客服
  • 扫码咨询
会员Q群
  • 会员专属群点击这里加入QQ群
客服邮箱
回到顶部