电脑桌面
添加小米粒文库到电脑桌面
安装后可以在桌面快捷访问

海堤达标加固工程安全度汛方案

海堤达标加固工程安全度汛方案_第1页
1/9
海堤达标加固工程安全度汛方案_第2页
2/9
海堤达标加固工程安全度汛方案_第3页
3/9
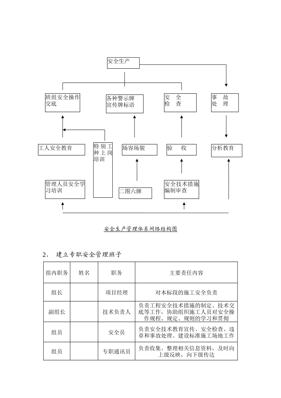
广东 (第二期)Y 古井 2 标段海堤达标加固工程安全度汛方案 海堤达标加固工程 2025 年 4 月安全度汛方案一、工程概况 海堤达标加固工程是纳入省城乡水利防灾减灾工程之一,建设堤长 155.75 公里,包括潭江下游两岸,左岸由司前与开平市交界处至古井西堤尾,其中江新联围部分列入城市防洪工程,不纳入本工程范围;右岸从新会罗坑与台山市交界处至新洲围,另加上七堡和南坦两个江心岛。 海堤计划分三期建设,首期 52.273 公里围堤已基本完成。本次是第二期工程,第一阶段。本工程为广东水利水(桩号 65+000~69+100),其加固堤段总长4100m,穿堤建筑物有 5 个水闸重建、1 个水闸加固、3 个方涵和 7个圆涵,工程施工线路长,穿堤建筑物多,存在雨季施工。合同工期 420 天,中标价为 5763572.63 元。二,安全生产管理机构及相关负责人1、安全生产管理体系 建立安全生产管理网络和安全生产要素管理网络等安全施工组织机构,开展安全文明双标化管理。网络结构如下安全生产管理体系网络结构图2、 建立专职安全管理班子组内职务姓名职务主要责任内容组长项目经理对本标段的施工安全负责副组长技术负责人负责工程安全技术措施的制定、技术交底等工作,协助组织施工人员对安全操作规程、规定、规则的学习和贯彻组员安全员负责安全技术教育宣传、安全检查、违章和事故处理、建设标准施工场地工作组员专职通讯员负责收集、整理相关信息资料,及时向上级反映,向下级传达分析教育安全技术措施编制审查验 收二图六牌场容场貌特 别 工种 上 岗培训管理人员安全学习培训工人安全教育事 故处 理安 全检 查各种警示牌宣传牌标语班组安全操作交底安全生产组内职务姓名职务主要责任内容组员突击队队长根据上级指示,组织人力、材料、机械处理各种关于安全事故三、防洪预案1、做好每天的监测记录,遇到有沉降、位移的情况立即上报情况,及时做好防护和抢修整工作,每天施工负责人做好水位记录。2、在洪水期来到期间,要派专人 24 小时巡视,做好记录。3、常备的防洪材料为:(见表一)常备的防洪材料表:(表一)序号材料名称单位数量存放地点备注1大石m31500生产营地2碎石m31500生产营地3中砂m31500生产营地4粗砂m31500生产营地5编织袋:个8000施工场地仓库6防水彩条布m21500施工场地仓库7救生衣件20施工场地仓库4、遇上连场暴雨,水位上涨到了警戒水位高度时,就要把人员、机械设备撤离到安全地方,把损失降到最小。四、 施工...

1、当您付费下载文档后,您只拥有了使用权限,并不意味着购买了版权,文档只能用于自身使用,不得用于其他商业用途(如 [转卖]进行直接盈利或[编辑后售卖]进行间接盈利)。
2、本站所有内容均由合作方或网友上传,本站不对文档的完整性、权威性及其观点立场正确性做任何保证或承诺!文档内容仅供研究参考,付费前请自行鉴别。
3、如文档内容存在违规,或者侵犯商业秘密、侵犯著作权等,请点击“违规举报”。

碎片内容

海堤达标加固工程安全度汛方案

文森传品+ 关注
实名认证
内容提供者

一家传播文化教育的小店,资料丰富,随意挑选。

确认删除?
VIP
微信客服
  • 扫码咨询
会员Q群
  • 会员专属群点击这里加入QQ群
客服邮箱
回到顶部