电脑桌面
添加小米粒文库到电脑桌面
安装后可以在桌面快捷访问

混凝土梁与型钢柱处钢筋连接处理

混凝土梁与型钢柱处钢筋连接处理_第1页
1/6
混凝土梁与型钢柱处钢筋连接处理_第2页
2/6
混凝土梁与型钢柱处钢筋连接处理_第3页
3/6
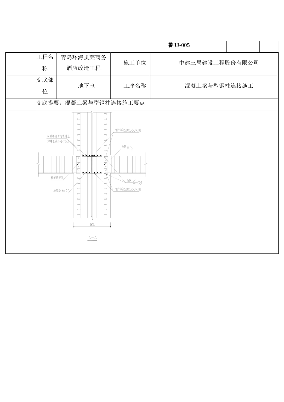
鲁JJ-005工程名称青岛环海凯莱商务酒店改造工程施工单位中建三局建设工程股份有限公司交底部位地下室工序名称混凝土梁与型钢柱连接施工交底提要:混凝土梁与型钢柱连接施工要点混 凝 土 梁 与 型 钢 柱 连 接 施 工 要 点交底内容:1.钢 筋 连 接1.1.梁纵筋与型钢柱连接方法1 )梁纵筋焊于钢牛腿、加劲肋上,双面焊5d;当有双排筋时,第二排筋焊于钢牛腿或加劲肋下侧;2 )梁纵筋弯锚,满足水平段锚固长度≥0.4Lae 。鲁JJ-005工程名称青岛环海凯莱商务酒店改造工程施工单位中建三局建设工程股份有限公司交底部位地下室工序名称混凝土梁与型钢柱连接施工交底提要:混凝土梁与型钢柱连接施工要点鲁JJ-005工程名称青岛环海凯莱商务酒店改造工程施工单位中建三局建设工程股份有限公司交底部位地下室工序名称混凝土梁与型钢柱连接施工交底提要:混凝土梁与型钢柱连接施工要点鲁JJ-005工程名称青岛环海凯莱商务酒店改造工程施工单位中建三局建设工程股份有限公司交底部位地下室工序名称混凝土梁与型钢柱连接施工交底提要:混凝土梁与型钢柱连接施工要点鲁JJ-005工程名称青岛环海凯莱商务酒店改造工程施工单位中建三局建设工程股份有限公司交底部位地下室工序名称混凝土梁与型钢柱连接施工交底提要:混凝土梁与型钢柱连接施工要点非转换层混凝土梁与型钢柱节点详图钢筋与钢牛腿之间的连接采纳现场焊接方法。焊接前先浇筑柱混凝土,防止焊渣进入柱模板内。绑扎完钢筋后封梁侧模,焊渣用鼓风机吹洁净,保证模板拆除后的梁底质量。1.2.箍筋穿钢牛腿,改为拉筋。1.3.非人防柱帽附加钢筋遇型钢柱断开弯折,满足锚固长度。2.施 工 要 点1 、考虑钢筋绑扎工序,两个型钢柱间梁底筋断开,采纳直螺纹套筒连接,钢筋接头率≤50% 。2 、梁纵筋在型钢柱处弯锚时,采纳正反丝套筒连接。3 、钢筋绑扎工艺流程画框架柱箍筋间距→绑扎框架柱最上部定位箍筋→放主梁上层纵筋→套主梁箍筋→主梁上层纵鲁JJ-005工程名称青岛环海凯莱商务酒店改造工程施工单位中建三局建设工程股份有限公司交底部位地下室工序名称混凝土梁与型钢柱连接施工交底提要:混凝土梁与型钢柱连接施工要点筋与钢牛腿(加劲肋)焊接→穿主梁下层纵筋→主梁下层纵筋连接→主梁下层纵筋与钢牛腿(加劲肋)焊接→画框架梁箍筋间距→绑扎主梁下层纵筋→放次梁上层纵筋、连接接头并套箍筋→穿次梁下层纵筋、连接接头→绑扎次梁钢筋→设置钢筋保护层垫块→验收交接。以下为空。项目...

1、当您付费下载文档后,您只拥有了使用权限,并不意味着购买了版权,文档只能用于自身使用,不得用于其他商业用途(如 [转卖]进行直接盈利或[编辑后售卖]进行间接盈利)。
2、本站所有内容均由合作方或网友上传,本站不对文档的完整性、权威性及其观点立场正确性做任何保证或承诺!文档内容仅供研究参考,付费前请自行鉴别。
3、如文档内容存在违规,或者侵犯商业秘密、侵犯著作权等,请点击“违规举报”。

碎片内容

混凝土梁与型钢柱处钢筋连接处理

确认删除?
VIP
微信客服
  • 扫码咨询
会员Q群
  • 会员专属群点击这里加入QQ群
客服邮箱
回到顶部