电脑桌面
添加小米粒文库到电脑桌面
安装后可以在桌面快捷访问

滚轧直螺纹连接的施工质量控制

滚轧直螺纹连接的施工质量控制_第1页
1/8
滚轧直螺纹连接的施工质量控制_第2页
2/8
滚轧直螺纹连接的施工质量控制_第3页
3/8
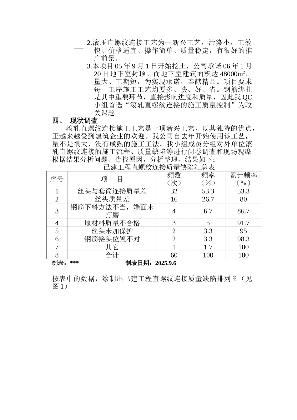
滚轧直螺纹连接的施工质量控制苏州***中心项目 QC 第二小组一、 工程概况苏州***中心工程位于中新苏州工业园区***的文化水廊景区,临水而建。地块呈椭圆形,伸入湖面之中,占地 61005m2,总建筑面积 150000 m2。地下室一层,建筑面积 48000 m2,共用钢材15000 吨,有套筒接头 11 万个。规格有20、22、25、28、32。工程于 2005 年 9 月 1 日开工,2006 年 1 月 20 日地下室顶板竣工。钢筋剥肋滚轧直螺纹套筒连接工艺流程:钢筋下料、端面平头 剥肋滚轧直螺纹 丝头质量检验 戴帽保护 丝头质量抽检 钢筋连接 质量检查二、 QC 小组简介针对该工程的滚轧直螺纹连接新工艺,我们第二 QC 小组选择了“滚轧直螺纹连接的施工质量控制”这一课题,小组情况见表 1。QC 小组成员表表 1小组名称苏州***中心项目 QC 第二小组注册日期2025.9.2课题滚轧直螺纹连接的施工质量控制注册号JZQJ-QC-02-2025活动日期2025.9-2025.1课题类型攻关型培训学习小组成员均接受过 TQC 学习培训学习课时62 学时姓名职称职务本小组任职年龄工程师项目经理组长42高级工程师总工副组长67工程师技术经理副组长35工程师质检经理副组长36助理工程师施工员组员32技师施工员组员25技师钢筋负责组员37技师钢筋工组长组员37技师施工人员组员35 制表:*** 制表日期:2025.9.3三、 选题理由 1.该工程为苏州市政府工程,也是本公司至今为止承接的单体建筑面积最大的工程,质量目标“鲁班奖”分部工程优良是创优质工程的首要条件。选题理由2.滚压直螺纹连接工艺为一新兴工艺,污染小,工效快、价格适宜、操作简单、质量稳定,有很好的推广前景。3.本项目 05 年 9 月 1 日开始挖土,公司承诺 06 年 1 月20 日地下室封顶。而地下室建筑面积达 48000m2,量大、工期短,为实现承诺,奉献精品。项目要求每一工序施工工艺均要多、快、好、省。钢筋绑扎是其中重要环节,直接影响进度和质量,因此我 QC小组首选“滚轧直螺纹连接的施工质量控制”为攻关课题。四、 现状调查滚轧直螺纹连接施工工艺是一项新兴工艺,以其独特的优点,正越来越受到建筑企业的欢迎。我公司自去年开始使用该工艺,量不是很大,没有成熟的施工工法。我小组成员分组对外单位滚轧直螺纹连接的施工流程、质量缺陷等进行问卷调查和现场观摩根据结果分析问题、查找原因,分析整理,结果如下:已建工程直螺纹连接质量缺陷汇总表序号项 目频数(次)频率(%)累计频率(%)...

1、当您付费下载文档后,您只拥有了使用权限,并不意味着购买了版权,文档只能用于自身使用,不得用于其他商业用途(如 [转卖]进行直接盈利或[编辑后售卖]进行间接盈利)。
2、本站所有内容均由合作方或网友上传,本站不对文档的完整性、权威性及其观点立场正确性做任何保证或承诺!文档内容仅供研究参考,付费前请自行鉴别。
3、如文档内容存在违规,或者侵犯商业秘密、侵犯著作权等,请点击“违规举报”。

碎片内容

滚轧直螺纹连接的施工质量控制

一帆文传+ 关注
实名认证
内容提供者

欢迎光临店铺,各类公文供您挑选。

相关文档

确认删除?
VIP
微信客服
  • 扫码咨询
会员Q群
  • 会员专属群点击这里加入QQ群
客服邮箱
回到顶部