电脑桌面
添加小米粒文库到电脑桌面
安装后可以在桌面快捷访问

煤矿回采工作面搬家措施-回撤措施--未采措施--搬家措施-103面撤除措施

煤矿回采工作面搬家措施-回撤措施--未采措施--搬家措施-103面撤除措施_第1页
1/33
煤矿回采工作面搬家措施-回撤措施--未采措施--搬家措施-103面撤除措施_第2页
2/33
煤矿回采工作面搬家措施-回撤措施--未采措施--搬家措施-103面撤除措施_第3页
3/33
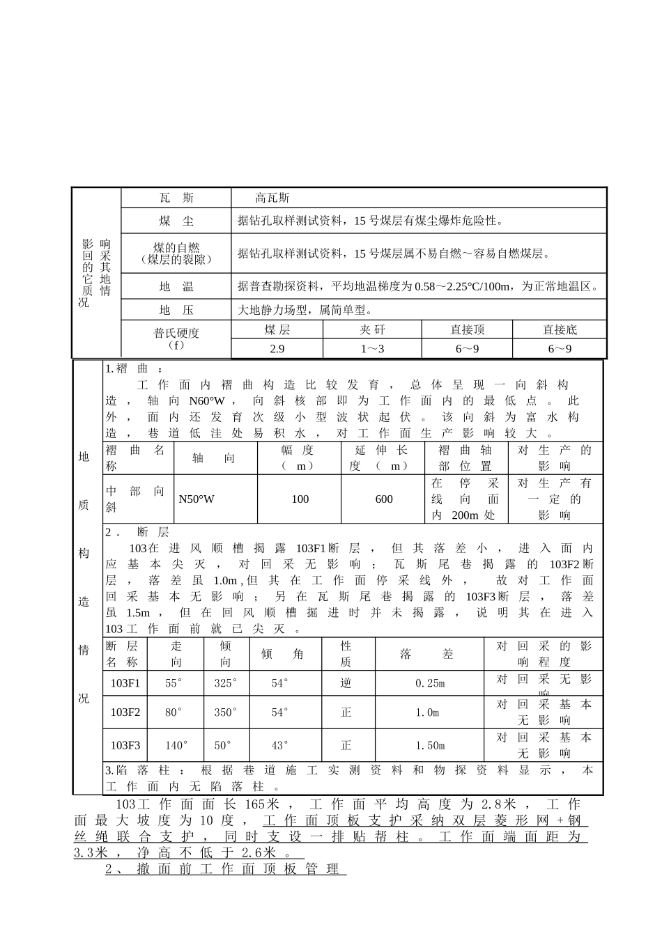
目 录第 一 章 : … … … … … … … … … … … … … … … … … 工 作 面概 况第 二 章 : … … … … … … … … … … … … … … … … … 水 害 评价第 三 章 : … … … … … … … … … … … … … … … … … 撤 除 主要 设 备第 四 章 : … … … … … … … … … … … … … … … … … 劳 动 组织第 五 章 : … … … … … … … … … … … … … … … … … 撤 除 前的 准 备 工 作第 六 章 : … … … … … … … … … … … … … … … … … 危 险 源 辨 识第 七 章 : … … … … … … … … … … … … … … … … … 运 输 装车 及 通 防 要 求第 八 章 : … … … … … … … … … … … … … … … … … 设 备 撤除 具 体 措 施 和 施 工 步 骤第 九 章 : … … … … … … … … … … … … … … … … … 其 它 安全 注 意 事 项第 十 章 : … … … … … … … … … … … … … … … … … 灾 害 预防第 十 一 章 : … … … … … … … … … … … … … … … … 避 灾 路线第 一 章 : 工 作 面 概 况一 、 工 作 面 概 况 :概煤 层 名称15#煤水 平 名 称+1150m 水 平采 区 名 称一 采 区工 作 面名 称103地 面 标高(m)+1420~+1675 工 作 面 标高 (m)+1134~+1205况地 面 位置本 工 作 面 位 于 后 窑 堤 村 东 , 天 池 矿 回 风 井 东北 。井 下 位置及 四 邻采 掘 情况 北 东 为 一 采 区 保 护 煤 柱 , 南 西 为 一 采 轨 道 上山 , 东 南 邻102 回 采 工 作 面 ( 设 计 ) , 北 西 为1150大 巷 保 护 煤 柱 。 回 采 对地 面设 施 的影 响 地 表 主 要 为 山 区 的 灌 木 林 和 松 林 等 , 无 村 庄及 其 它 建 筑 物 , 对 农 田有 一 定 影 响 。走 向 长(m)900倾 斜 长(m)160面 积 (m2)144000.0煤层情况煤 层 总厚(m)4.60~6.40────5.18煤 层 结 构复 杂煤 层 倾 角(°)5°...

1、当您付费下载文档后,您只拥有了使用权限,并不意味着购买了版权,文档只能用于自身使用,不得用于其他商业用途(如 [转卖]进行直接盈利或[编辑后售卖]进行间接盈利)。
2、本站所有内容均由合作方或网友上传,本站不对文档的完整性、权威性及其观点立场正确性做任何保证或承诺!文档内容仅供研究参考,付费前请自行鉴别。
3、如文档内容存在违规,或者侵犯商业秘密、侵犯著作权等,请点击“违规举报”。

碎片内容

煤矿回采工作面搬家措施-回撤措施--未采措施--搬家措施-103面撤除措施

确认删除?
VIP
微信客服
  • 扫码咨询
会员Q群
  • 会员专属群点击这里加入QQ群
客服邮箱
回到顶部