电脑桌面
添加小米粒文库到电脑桌面
安装后可以在桌面快捷访问

班前安全技术交底

班前安全技术交底_第1页
1/4
班前安全技术交底_第2页
2/4
班前安全技术交底_第3页
3/4
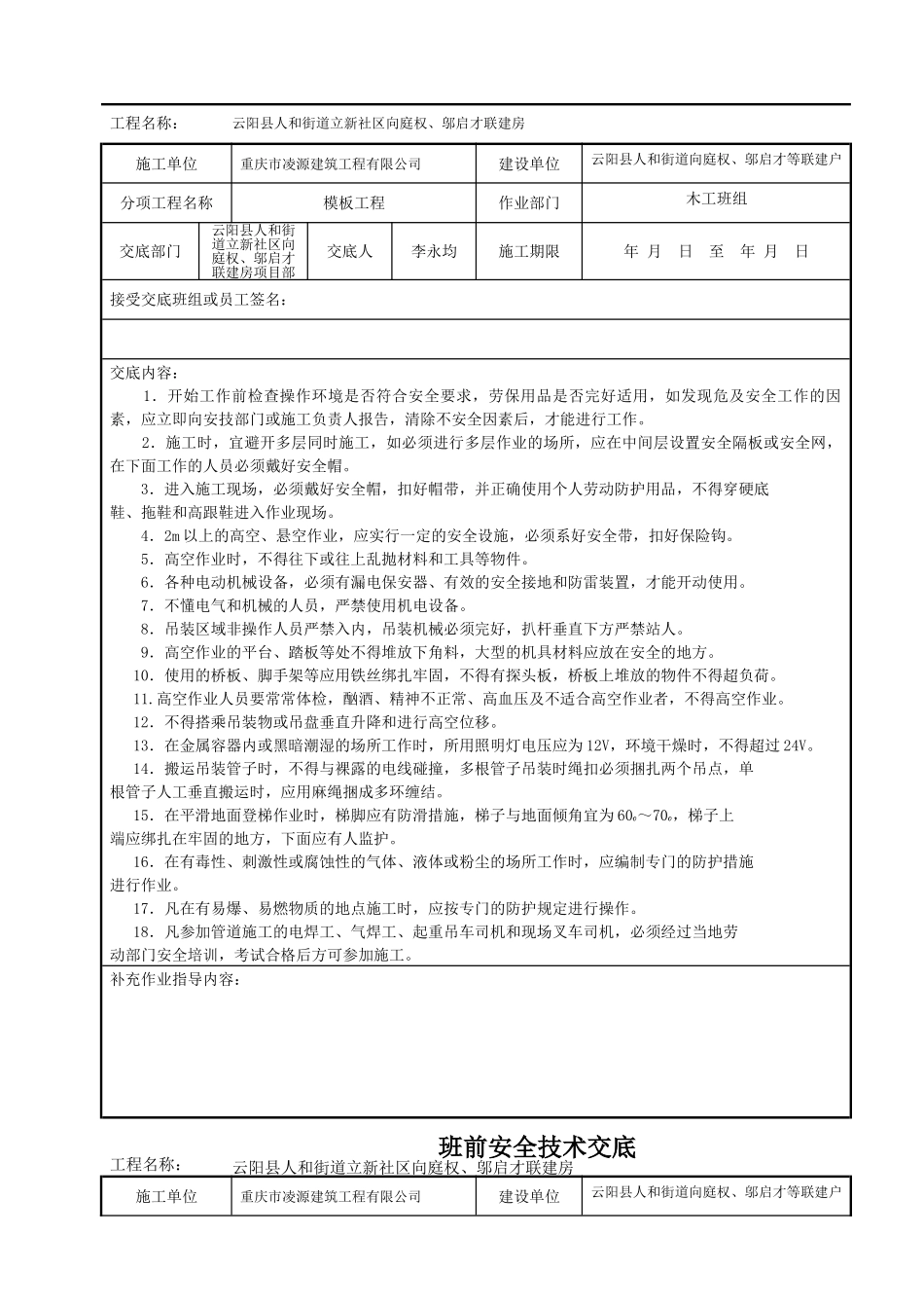
班前安全技术交底工程名称:云阳县人和街道立新社区向庭权、邬启才联建房施工单位重庆市凌源建筑工程有限公司建设单位云阳县人和街道向庭权、邬启才等联建户 分项工程名称钢筋工程作业部门钢筋班组交底部门云阳县人和街道立新社区向庭权、邬启才联建房项目部交底人李永均施工期限年 月 日 至 年 月 日接受交底班组或员工签名: 交底内容: 1.开始工作前检查操作环境是否符合安全要求,劳保用品是否完好适用,如发现危及安全工作的因素,应立即向安技部门或施工负责人报告,清除不安全因素后,才能进行工作。 2.施工时,宜避开多层同时施工,如必须进行多层作业的场所,应在中间层设置安全隔板或安全网,在下面工作的人员必须戴好安全帽。 3.进入施工现场,必须戴好安全帽,扣好帽带,并正确使用个人劳动防护用品,不得穿硬底鞋、拖鞋和高跟鞋进入作业现场。 4.2m 以上的高空、悬空作业,应实行一定的安全设施,必须系好安全带,扣好保险钩。 5.高空作业时,不得往下或往上乱抛材料和工具等物件。 6.各种电动机械设备,必须有漏电保安器、有效的安全接地和防雷装置,才能开动使用。 7.不懂电气和机械的人员,严禁使用机电设备。 8.吊装区域非操作人员严禁入内,吊装机械必须完好,扒杆垂直下方严禁站人。 9.高空作业的平台、踏板等处不得堆放下角料,大型的机具材料应放在安全的地方。 10.使用的桥板、脚手架等应用铁丝绑扎牢固,不得有探头板,桥板上堆放的物件不得超负荷。 11.高空作业人员要常常体检,酗酒、精神不正常、高血压及不适合高空作业者,不得高空作业。 12.不得搭乘吊装物或吊盘垂直升降和进行高空位移。 13.在金属容器内或黑暗潮湿的场所工作时,所用照明灯电压应为 12V,环境干燥时,不得超过 24V。 14.搬运吊装管子时,不得与裸露的电线碰撞,多根管子吊装时绳扣必须捆扎两个吊点,单根管子人工垂直搬运时,应用麻绳捆成多环缠结。 15.在平滑地面登梯作业时,梯脚应有防滑措施,梯子与地面倾角宜为 60~70,梯子上端应绑扎在牢固的地方,下面应有人监护。 16.在有毒性、刺激性或腐蚀性的气体、液体或粉尘的场所工作时,应编制专门的防护措施进行作业。 17.凡在有易爆、易燃物质的地点施工时,应按专门的防护规定进行操作。 18.凡参加管道施工的电焊工、气焊工、起重吊车司机和现场叉车司机,必须经过当地劳动部门安全培训,考试合格后方可参加施工。补充作业指导内容:班前安...

1、当您付费下载文档后,您只拥有了使用权限,并不意味着购买了版权,文档只能用于自身使用,不得用于其他商业用途(如 [转卖]进行直接盈利或[编辑后售卖]进行间接盈利)。
2、本站所有内容均由合作方或网友上传,本站不对文档的完整性、权威性及其观点立场正确性做任何保证或承诺!文档内容仅供研究参考,付费前请自行鉴别。
3、如文档内容存在违规,或者侵犯商业秘密、侵犯著作权等,请点击“违规举报”。

碎片内容

班前安全技术交底

元素商铺+ 关注
实名认证
内容提供者

欢迎挑选合适的文档

确认删除?
VIP
微信客服
  • 扫码咨询
会员Q群
  • 会员专属群点击这里加入QQ群
客服邮箱
回到顶部