电脑桌面
添加小米粒文库到电脑桌面
安装后可以在桌面快捷访问

球墨铸铁管施工规范

球墨铸铁管施工规范_第1页
1/19
球墨铸铁管施工规范_第2页
2/19
球墨铸铁管施工规范_第3页
3/19
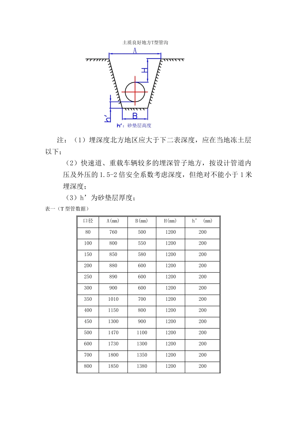
目 录第一章、土方工程一、管沟开挖二、管基加固第二章、管道安装一、安装程序二、T 型管安装要求三、K 型机械接口安装要求第三章、管沟回填第四章、附属构筑物一、管件、固定台二、阀门井室第五章、试压验收第六章、注意事项编制说明:球墨铸铁管从国际到国内现已广泛应用于城镇供水及燃气行业,是用户比较能认可的一种成熟产品,现从制造、标准、设计、使用等均已形成系列标准,为了提高球墨铸铁管管道工程的施工水平,保证工程质量,完成设计意图,满足管线使用要求,本文特将球墨铸铁管施工要求作一规定说明,供同行参考,不足之处请指教。第一章、土方工程一、开挖管沟1)挖掘管沟时,应根据现场土质情况、地下水情况、管道断面尺寸、管道埋深等施工条件,正确的选择沟槽断面形式,为施工制造良好的作业条件。原则在保证工程质量和施工安全的前提下,尽量减少土方的开挖量,降低施工费用,加快施工进度;2)在施工区域内,有碍施工的已有建筑物和构筑物(道路、沟渠、其它管路、电杆、树木等),开挖前建设单位与有关单位进行协商;3)开挖前按设计管线的走向放中心线,打标记木桩;4)挖掘时,应考虑留用部分好的原土以备管沟回填使用,根据作业面堆放原土场地,注意堆土坡度,高度,保证施工安全,在管子的接口处,管沟应宽一些,以方便接口的连接施工;5)挖掘时,防备下雨时雨水流入管沟,活地下渗水现象,应当准备必要的排水设备;6)挖掘管沟尺寸(不用钢板支撑时)一般坡度取 0.33,见表一注:(1)埋深度北方地区应大于下二表深度,应在当地冻土层以下;(2)快速道、重载车辆较多的埋深管子地方,按设计管道内压及外压的 1.5-2 倍安全系数考虑深度,但绝对不能小于 1 米埋深度;(3)h’为砂垫层厚度;表一(T 型管数据)口径A(mm)B(mm)H(mm)h’ (mm)80760500120020010080055012002001508505801200200200880600120020025089060012002003009006001200200350101070012002004001150800120020045013009001200200500147011001200200600173013001200200700180013501200200800185013801200200100019281450120020012002000150013002001400206015501400200土质良好地方机械接口管沟:表二:机械接口管沟数据口径(MM)直管(CM)接头(CM)K 型 T 型K 型ABhHA’B’CL160021027215031026032050100180023029315033028034050100200025032015035030037050100220027034215037032039050100240029036815039034042050100260031039215041...

1、当您付费下载文档后,您只拥有了使用权限,并不意味着购买了版权,文档只能用于自身使用,不得用于其他商业用途(如 [转卖]进行直接盈利或[编辑后售卖]进行间接盈利)。
2、本站所有内容均由合作方或网友上传,本站不对文档的完整性、权威性及其观点立场正确性做任何保证或承诺!文档内容仅供研究参考,付费前请自行鉴别。
3、如文档内容存在违规,或者侵犯商业秘密、侵犯著作权等,请点击“违规举报”。

碎片内容

球墨铸铁管施工规范

您可能关注的文档

确认删除?
VIP
微信客服
  • 扫码咨询
会员Q群
  • 会员专属群点击这里加入QQ群
客服邮箱
回到顶部