电脑桌面
添加小米粒文库到电脑桌面
安装后可以在桌面快捷访问

第四章梁钢筋计算

第四章梁钢筋计算_第1页
1/8
第四章梁钢筋计算_第2页
2/8
第四章梁钢筋计算_第3页
3/8
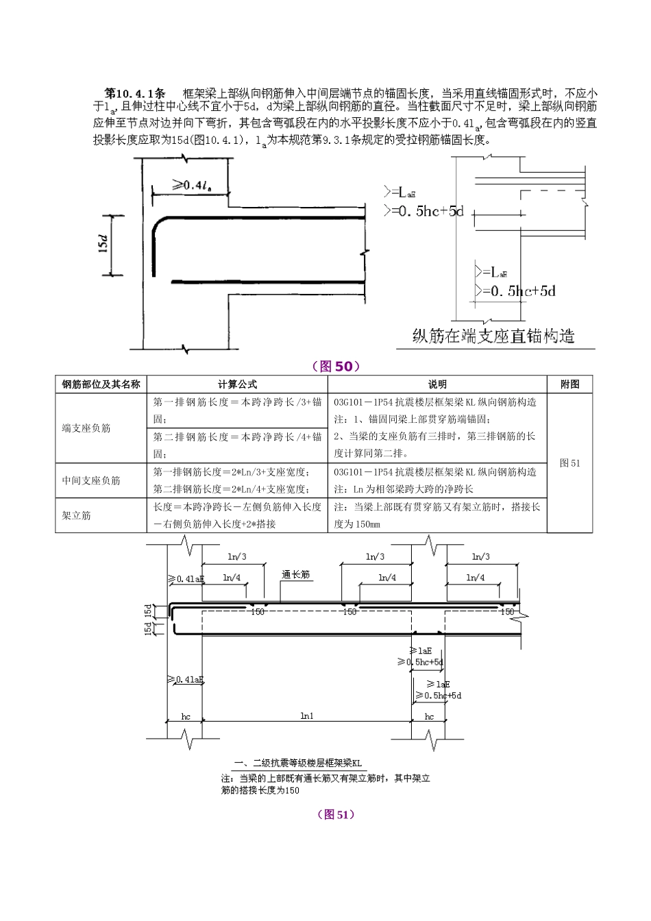
第四章梁钢筋计算一、框架梁上部钢筋计算钢筋部位及其名称计算公式说明附图上部通长筋长度=各跨长之和 L 净长-左支座内侧 a2-右支座内侧 a3+左锚固03G101-1P54 抗震楼层框架梁 KL 纵向钢筋构造GB50010-2025P186 图 10.4.1 梁上部纵向钢筋在框架梁中间层端节点内的锚固注:假如存在搭接情况,还需要把搭接长度加进去图 49左、右支座锚固长度的取值推断:当 hc-保护层(直锚长度)>LaE 时,取 Max(LaE ,0.5hc+5d)当 hc-保护层(直锚长度) ≤ LaE 时,必须弯锚,这时有以下几种算法:算法 1:hc-保护层+15d算法 2:取 0.4LaE+15d算法 3:取 Max(LaE ,hc-保护层+15d)算法 4:取 Max(LaE ,0.4LaE+15d)(图 49)当纵向钢筋弯锚时锚固长度最终取值:(图 50)根据《混凝土结构设计法律规范》(GB50010-2025 P186-189、306-307)中第 10.4.1 条中不难得出,当梁上部纵向钢筋弯锚时,梁上部纵向筋在框架梁中间层端节点内的锚固为:hc-保护层+15d 较为合理。(图 50)钢筋部位及其名称计算公式说明附图端支座负筋第一排钢筋长度=本跨净跨长 /3+锚固;03G101-1P54 抗震楼层框架梁 KL 纵向钢筋构造注:1、锚固同梁上部贯穿筋端锚固;2、当梁的支座负筋有三排时,第三排钢筋的长度计算同第二排。图 51第二排钢筋长度=本跨净跨长 /4+锚固;中间支座负筋第一排钢筋长度=2*Ln/3+支座宽度;第二排钢筋长度=2*Ln/4+支座宽度;03G101-1P54 抗震楼层框架梁 KL 纵向钢筋构造注:Ln 为相邻梁跨大跨的净跨长架立筋长度=本跨净跨长-左侧负筋伸入长度-右侧负筋伸入长度+2*搭接注:当梁上部既有贯穿筋又有架立筋时,搭接长度为 150mm(图 51)二、框架梁下部钢筋计算钢筋部位及其名称计算公式说明附图下部通长筋长度=各跨长之和-左支座内侧 a2-右支座内侧 a3+左锚固+右锚固注:1、端支座锚固长度取值同框架梁上部钢筋取值;2、假如存在搭接情况,还需要把搭接长度加进去。图 51下部非通长钢筋长度=净跨长度+左锚固+右锚固03G101-1P54 抗震楼层框架梁 KL 纵向钢筋构造注:端部取值同框架梁上部钢筋取值;中间支座锚固长度为:Max {LaE,0.5Hc+5d }下部不伸入支座筋净跨长度-2*0.1Ln(Ln 为本跨净跨长度)03G101-1P60 不伸入支座的梁下部纵向钢筋断点位置图 52(图 52)三、梁附加钢筋钢筋部位及其名称计算公式说明附图侧面纵向构造钢筋当 hw≥450mm 时,需要在梁的两个侧面沿 高 度 配 置 纵...

1、当您付费下载文档后,您只拥有了使用权限,并不意味着购买了版权,文档只能用于自身使用,不得用于其他商业用途(如 [转卖]进行直接盈利或[编辑后售卖]进行间接盈利)。
2、本站所有内容均由合作方或网友上传,本站不对文档的完整性、权威性及其观点立场正确性做任何保证或承诺!文档内容仅供研究参考,付费前请自行鉴别。
3、如文档内容存在违规,或者侵犯商业秘密、侵犯著作权等,请点击“违规举报”。

碎片内容

第四章梁钢筋计算

一帆文传+ 关注
实名认证
内容提供者

欢迎光临店铺,各类公文供您挑选。

确认删除?
VIP
微信客服
  • 扫码咨询
会员Q群
  • 会员专属群点击这里加入QQ群
客服邮箱
回到顶部