电脑桌面
添加小米粒文库到电脑桌面
安装后可以在桌面快捷访问

经适房工程监理大纲

经适房工程监理大纲_第1页
1/19
经适房工程监理大纲_第2页
2/19
经适房工程监理大纲_第3页
3/19
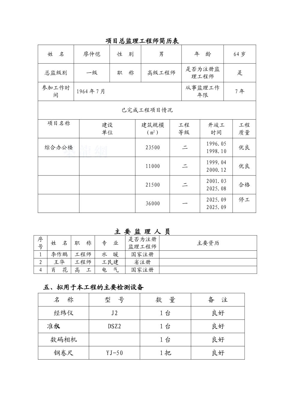
监 理 大 纲一、工程概况:建设单位:xx 市经济适用住房进展中心 项目名称:教育培训中心工程 建设地点:xx 区 建筑面积:50000 平方米 结构类型: 质量目标:合格监理周期:监理合同签订日至施工合同规定的合同工期止 二、编制依据:1.国家有关工程建设的政策、法律、法规;2.与工程有关的工程法律规范、规程和技术标准;3.委托方的招标文件。三、工程监理范围 对 xx 市教育培训中心工程整个施工阶段全过程监理,监理工作内容是对工程质量控制、进度控制、投资控制和合同管理、信息管理、安全与文明施工管理,以及工程参建各方有关施工问题的协调,为实现工程质量、进度、投资目标提供优质服务。四、项目监理部的组成:(一)项目监理部组织框图:(二)监理人员情况总监理工程师土建工程师水暖工程师电气工程师安全工程师(兼)项目总监理工程师简历表姓 名廖仲恺性 别男年 龄64 岁总监级别一级职 称高级工程师是否为注册监理工程师是参加工作时间1964 年 7 月从事监理工作年限7 年已完成工程项目情况项目名称建设单位建筑规模(m2)工程等级开竣工时间工程质量综合办公楼23500二1996.051998.10优良11000二1999.042000.12优良21500二2001.032025.08合格36000一2025.092025.09停工主 要 监 理 人 员序号姓 名职 称专 业是否为注册监理工程师主要资历1李作鹏工程师水 暖 国家注册2王华工程师工民建省注册4肖 花高 工电 气国家注册五、拟用于本工程的主要检测设备名 称型 号数 量备 注经纬仪J21 台良好水准仪DSZ21 台良好数码相机1 台良好钢卷尺YJ-501 把良好钢卷尺ZZ-5024 把良好回弹仪ZC3A1 台良好万用表MF471 台良好多用组合检测工具1 套良好六、监理方案(一) 施工准备阶段的监理工作1.在设计交底前,总监理工程师组织监理人员熟悉设计文件,并对图纸中存在的问题通过建设单位向设计单位提出书面意见和建议。2.项目监理人员参加由建设单位组织的设计技术交底会,总监理工程师应对设计技术交底会议纪要进行签认。3.工程项目开工前,总监理工程师组织专业监理工程师审查承包单位报送的施工组织设计(方案),提出审查意见,并经总监理工程师审核、签字后报建设单位。4.工程项目开工前,总监理工程师应审查承包单位现场项目管理机构的质量管理体系、技术管理体系和质量保证体系,确能保证工程项目施工质量时予以确认。5.分包工程开工前,专业监理工程师审查承包单位报送的分包商资格报审表...

1、当您付费下载文档后,您只拥有了使用权限,并不意味着购买了版权,文档只能用于自身使用,不得用于其他商业用途(如 [转卖]进行直接盈利或[编辑后售卖]进行间接盈利)。
2、本站所有内容均由合作方或网友上传,本站不对文档的完整性、权威性及其观点立场正确性做任何保证或承诺!文档内容仅供研究参考,付费前请自行鉴别。
3、如文档内容存在违规,或者侵犯商业秘密、侵犯著作权等,请点击“违规举报”。

碎片内容

经适房工程监理大纲

确认删除?
VIP
微信客服
  • 扫码咨询
会员Q群
  • 会员专属群点击这里加入QQ群
客服邮箱
回到顶部