电脑桌面
添加小米粒文库到电脑桌面
安装后可以在桌面快捷访问

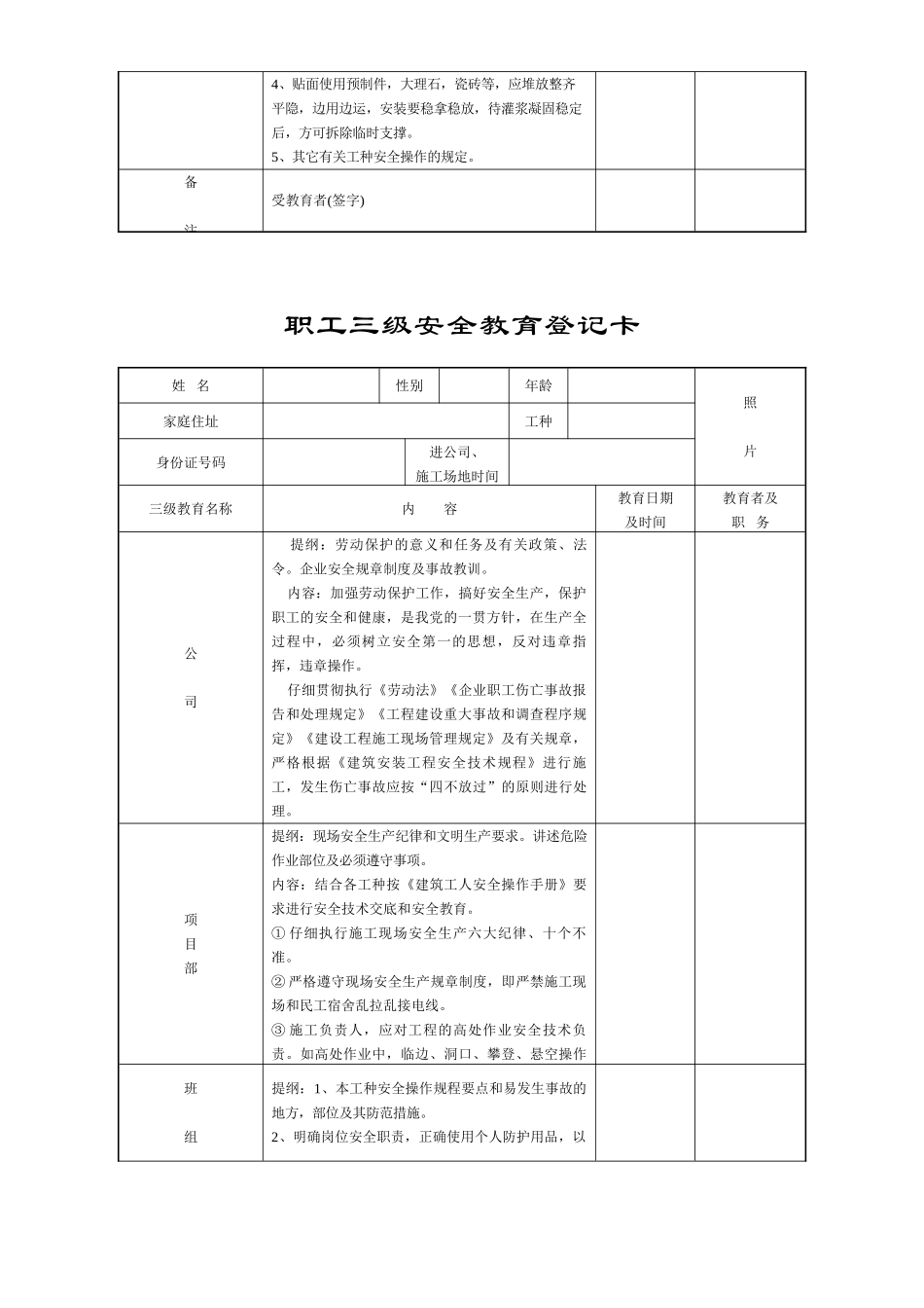
职工三级安全教育登记卡

职工三级安全教育登记卡_第1页
1/27
职工三级安全教育登记卡_第2页
2/27
职工三级安全教育登记卡_第3页
3/27
职工三级安全教育登记卡姓 名性别年龄照片家庭住址工种身份证号码进公司、施工场地时间三级教育名称内 容教育日期及时间教育者及职 务公司 提纲:劳动保护的意义和任务及有关政策、法令。企业安全规章制度及事故教训。 内容:加强劳动保护工作,搞好安全生产,保护职工的安全和健康,是我党的一贯方针,在生产全过程中,必须树立安全第一的思想,反对违章指挥,违章操作。 仔细贯彻执行《劳动法》《企业职工伤亡事故报告和处理规定》《工程建设重大事故和调查程序规定》《建设工程施工现场管理规定》及有关规章,严格根据《建筑安装工项目部采购食品用的车辆、容器要清洁卫生,做到 生熟分开,防尘、防蝇、防雨、防晒、不得采购制售腐败变质、霉变、生虫、有异味或《食品卫生法》规定禁止生产经营的食品,盛放酱油、盐等副食调料要做到容器物见本色、加盖存放、清洁卫生。制作食品的原料要新奇卫生,各种食品要烧熟煮透,以免食物中毒的发生,制做过程及刀、墩、案板、盆、筐、水池子、抹布和冰箱等工具要严格做到生熟分开,售饭时,要用工具销售直接入口食品,饭票要消毒。炊事人员每年进行一次健康检查,持有健康合格证及卫生知识培训证后,方可上岗。操作时必须穿戴好工作服、白帽,并保持清洁整齐,做到文明生产,不赤背、不光脚,禁止随地吐痰,做好个人卫生,要坚持做到四勤,并要搞好食堂卫生,要常常打扫,打药。施工现场应供应开水,贮水器具要卫生,夏季要确保施工现场凉开水的供应。备注受教育者(签字)职工三级安全教育登记卡姓 名性别年龄照片家庭住址工种身份证号码进公司、施工场地时间三级教育名称内 容教育日期及时间教育者及职 务公司 提纲:劳动保护的意义和任务及有关政策、法令。企业安全规章制度及事故教训。 内容:加强劳动保护工作,搞好安全生产,保护职工的安全和健康,是我党的一贯方针,在生产全过程中,必须树立安全第一的思想,反对违章指挥,违章操作。 仔细贯彻执行《劳动法》《企业职工伤亡事故报告和处理规定》《工程建设重大事故和调查程序规定》《建设工程施工现场管理规定》及有关规章,严格根据《建筑安装工程安全技术规程》进行施工,发生伤亡事故应按“四不放过”的原则进行处理。项目部提纲:现场安全生产纪律和文明生产要求。讲述危险作业部痊及必须遵守事项。内容:结合各工种按《建筑工人安全操作手册》要求进行安全技术交底和安全教育。① 仔细执行施工现场安全生产六大纪律、十个不准...

1、当您付费下载文档后,您只拥有了使用权限,并不意味着购买了版权,文档只能用于自身使用,不得用于其他商业用途(如 [转卖]进行直接盈利或[编辑后售卖]进行间接盈利)。
2、本站所有内容均由合作方或网友上传,本站不对文档的完整性、权威性及其观点立场正确性做任何保证或承诺!文档内容仅供研究参考,付费前请自行鉴别。
3、如文档内容存在违规,或者侵犯商业秘密、侵犯著作权等,请点击“违规举报”。

碎片内容

职工三级安全教育登记卡

确认删除?
VIP
微信客服
  • 扫码咨询
会员Q群
  • 会员专属群点击这里加入QQ群
客服邮箱
回到顶部