电脑桌面
添加小米粒文库到电脑桌面
安装后可以在桌面快捷访问

花园十三组团某家园安全施工协议

花园十三组团某家园安全施工协议_第1页
1/42
花园十三组团某家园安全施工协议_第2页
2/42
花园十三组团某家园安全施工协议_第3页
3/42
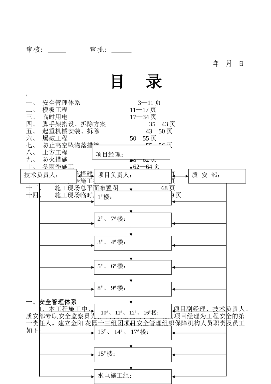
花园十三组团****家园 安全施工措施编制单位: 编制: 审核: 审批: 年 月 日审核单位: 审核: 审批: 年 月 日目 录0一、 安全管理体系 3—11 页二、 模板工程 11—17 页三、 临时用电 17—34 页四、 脚手架搭设、拆除方案 35—43 页五、 起重机械安装、拆除 43—50 页六、 爆破工程 50—55 页七、 防止高空坠物落措施 55—56 页八、 土方工程 56—58 页九、 防火措施 58—62 页十、 冬雨季施工 62—64 页十一、临时设施搭建方案 64—65 页十二、其它安全施工措施 65—67 页十三、施工现场总平面布置图 68 页十四、施工现场临时用电总平面图 69 页一、安全管理体系1、本工程施工中,成立以项目经理为核心,以项目副经理、技术负责人、质安部专职安全监察员为骨干的安全检查小组,明确项目经理为工程安全的第一责任人。建立金阳 花园十三组团项目安全管理组织保障机构人员职责及员工如下:项目经理: 技术负责人:1#楼: 项目负责人:质 安 部:2#、 7#楼: 10#、 11#、 12#、 16#楼: 3#、 4#楼: 8#、 9#楼: 5#、 6#楼: 15#楼: 13#、 14#、 17#楼: 水电施工组: 施工员: 施工员: 施工员: 施工员: 施工员: 施工员:施工员: 施工员: 施工员: 施工员: 施工员: 施工员: 施工员: 施工员: 施工员: 施工员: 施工员: 施工员: 项目安全管理组织机构保障网络图做到落实到栋号,形成人人讲安全,人人管安全的良好风气,加强班组是项目部搞好安全生产的前沿阵地。各生产班组以栋号划分人员为不脱产安全员协助质安部和施工员搞好项目部安全管理工作。各班组要坚持岗位安全检查,安全值日和安全日活动制度。由于十三组团面广、栋号多、分散、场地高差大往往一个栋号人员不能集中在一处和作业,因此质安部中的专职安全员王怀松尹仁民、段以纪要大力加强工人要提高自我保护意识和自我保护能力的教育工作,做到在同一作业的人员要相互关照,当二人以上工人在同一作业面工作时技工主动担任安全负责人的任务教育宣传工作。2、安全施工措施费用计划及落实方案:安全措施措施费用计划按工程总价的 1%,到为专项资金管理,任何情况均不能挪用,主要用于安全网、安全帽、竹挑板,安全标志等物资的购买,具体内容见下表:序号名 称数 量备 注1安全网70000㎡满足行业标准2安全帽800 顶国家规定标准3安全带60 根国家规定标准4竹挑板4000 块满足...

1、当您付费下载文档后,您只拥有了使用权限,并不意味着购买了版权,文档只能用于自身使用,不得用于其他商业用途(如 [转卖]进行直接盈利或[编辑后售卖]进行间接盈利)。
2、本站所有内容均由合作方或网友上传,本站不对文档的完整性、权威性及其观点立场正确性做任何保证或承诺!文档内容仅供研究参考,付费前请自行鉴别。
3、如文档内容存在违规,或者侵犯商业秘密、侵犯著作权等,请点击“违规举报”。

碎片内容

花园十三组团某家园安全施工协议

确认删除?
VIP
微信客服
  • 扫码咨询
会员Q群
  • 会员专属群点击这里加入QQ群
客服邮箱
回到顶部