电脑桌面
添加小米粒文库到电脑桌面
安装后可以在桌面快捷访问

西环广场桩基工程灌注桩及后压浆施工组织设计方案

西环广场桩基工程灌注桩及后压浆施工组织设计方案_第1页
1/15
西环广场桩基工程灌注桩及后压浆施工组织设计方案_第2页
2/15
西环广场桩基工程灌注桩及后压浆施工组织设计方案_第3页
3/15
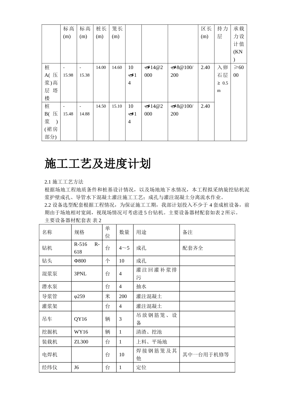
目录第一章 工程概况及设计要求.....................................................2第二章 施工工艺及进度计划.....................................................5第三章 施工力量部置..........................................................12第四章 材料计划..............................................................16第五章 施工工艺技术要求......................................................18第六章 基桩检测..............................................................25第七章 质量保证措施..........................................................26第八章 安全生产、文明生产....................................................28第九章 建设单位、总包配合事宜................................................30工程概况及设计要求1.1 工程概况 拟建建筑物位于西直门外高粱桥路,是由北京金融街建设开发有限责任公司筹建,北京中铁建筑工程设计院勘察分院负责勘察,建设部设计院设计。该建筑物是由 3 栋高层(23 层)、周边裙房地上 6 层,地下 3 层组成。±0.00 相当于绝对标高 50.25m, 基础底板下皮标高约-16.05m。高层及裙房部分均采纳后压浆泥浆护壁钻孔灌注桩基础。为选择合理的桩基设计参数,先期已进行了 8 组试验桩施工和检测。根据我部承担的试桩阶段施工情况,本次工程桩施工主要存在以下问题和困难:1.1.1 地质条件复杂由于地质构造原因,北京西部地区桩机施工难度一般大于东部地区。本工程以地面以下约14m 为施工作业面,工程桩持力层在地面以下近 30m 的卵石层。地质报告表明,该层卵石最大直径为 150mm,而试桩期间常常遇到 200mm 以上的大块卵石,致使进入持力层后钻机进尺极为困难,钻头损耗和修复工作量增大,施工成本上升,进度受到制约。1.1.2 成孔机械设备的选择为确保试桩工期,我部曾先后调进 3 台不同功率和型号的成桩设备,并摸索出该场地持力层以上土层,不同功率成桩机械成孔速度相差不大,而持力层中成孔速度则随桩机功率增大而加快的特点。同时,进口组装机械设备维修工作量较原装机械设备大,一定程度上也会影响施工进程。因此工程桩施工宜采纳较大功率的原装进口设备为宜。1.1.3 桩身混凝土充盈系数大本工程施工作业面即为卵石地层,桩身范围内的地层也基本为砂卵石和黏性土交互夹层,不仅增加了成孔难度,而且使桩身混...

1、当您付费下载文档后,您只拥有了使用权限,并不意味着购买了版权,文档只能用于自身使用,不得用于其他商业用途(如 [转卖]进行直接盈利或[编辑后售卖]进行间接盈利)。
2、本站所有内容均由合作方或网友上传,本站不对文档的完整性、权威性及其观点立场正确性做任何保证或承诺!文档内容仅供研究参考,付费前请自行鉴别。
3、如文档内容存在违规,或者侵犯商业秘密、侵犯著作权等,请点击“违规举报”。

碎片内容

西环广场桩基工程灌注桩及后压浆施工组织设计方案

确认删除?
VIP
微信客服
  • 扫码咨询
会员Q群
  • 会员专属群点击这里加入QQ群
客服邮箱
回到顶部