电脑桌面
添加小米粒文库到电脑桌面
安装后可以在桌面快捷访问

超高层塔楼地下室临水临电施工方案

超高层塔楼地下室临水临电施工方案_第1页
1/26
超高层塔楼地下室临水临电施工方案_第2页
2/26
超高层塔楼地下室临水临电施工方案_第3页
3/26
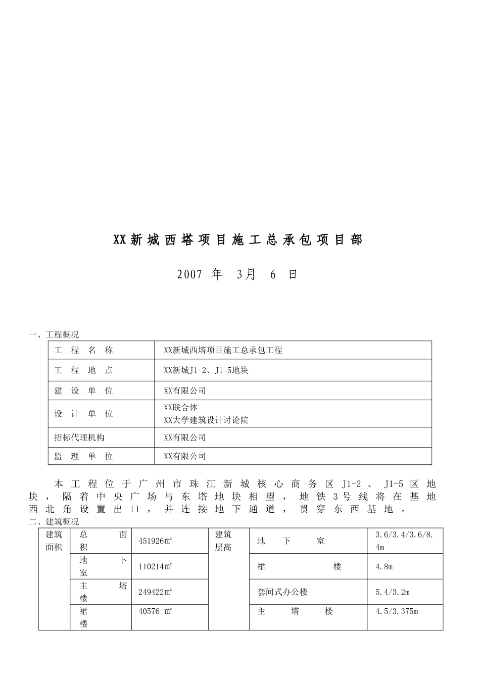
编 制 : 审 核 : 审 批 : XX 新 城 西 塔 项 目 施 工 总 承 包 项 目 部2007 年 3 月 6 日一、工程概况工 程 名 称XX新城西塔项目施工总承包工程工 程 地 点XX新城J1-2、J1-5地块建 设 单 位XX有限公司设 计 单 位XX联合体XX大学建筑设计讨论院招标代理机构XX有限公司监 理 单 位XX有限公司本 工 程 位 于 广 州 市 珠 江 新 城 核 心 商 务 区 J1-2 、 J1-5 区 地块 , 隔 着 中 央 广 场 与 东 塔 地 块 相 望 , 地 铁 3 号 线 将 在 基 地西 北 角 设 置 出 口 , 并 连 接 地 下 通 道 , 贯 穿 东 西 基 地 。二、建筑概况建筑面积总 面 积451926㎡建筑层高地 下 室3.6/3.4/3.6/8.4m地 下 室110214㎡裙 楼4.8m主 塔 楼249422㎡套间式办公楼5.4/3.2m裙 楼40576 ㎡主 塔 楼4.5/3.375m套 间 式 办 公楼51714 ㎡建筑高度裙 楼25m (结构标高24m )建筑层数地 下 室4 层(局部增加夹层一层)套间式办公楼99.8m裙 楼5 层主 塔 楼432m套 间 式 办 公楼28层防水等级地 下 室I 级主 塔 楼 103 层裙 楼I 级抗震设防烈度七度套间式办公楼Ⅱ级建筑工程等级一级主 塔 楼I 级建筑耐火等级一类一级建筑高程设计标高±0.000m相当于XX高程+9.000m设计使用年限主塔楼部分100 年套间式办公楼、裙楼及地下室部分50年套间式办公楼办公套数305主塔楼使用功能智能化超甲级写字楼(1~66层) 、白金五星级酒店(67 ~103 层)地下停车场停车数1714(不含-1层13台货车位及9 台临时停车位)三 、 地 下 室 施 工 阶 段 平 面 布 置 图四 、 施 工 临 时 用 水本 工 程 现 场 临 时 用 水 给 水 系 统 包 括 生 产 、 生 活 和 消 防用 水 。 本 工 程 计 划 从 现 场 业 主 提 供 的DN150 供 水 管 引 出 两 个DN100水 管 的 接 驳 点 , DN100管 道 在 现 场 形 成 环 网 。 主 塔 楼 及 其局 部 地 下 室 施 工 和 消 防 用 水 从 该 环 网 上 接 出DN100 的 管 道 进行 供 给 ; 28 层 套 间 式 办 公 楼 、 裙 楼 及 其 地 下 室 施 工 和 消 防用 水 从 该 环 网 上 接 出 DN100的 管 道 进 行 供 给 。供 水 环 网 采 纳 DN100...

1、当您付费下载文档后,您只拥有了使用权限,并不意味着购买了版权,文档只能用于自身使用,不得用于其他商业用途(如 [转卖]进行直接盈利或[编辑后售卖]进行间接盈利)。
2、本站所有内容均由合作方或网友上传,本站不对文档的完整性、权威性及其观点立场正确性做任何保证或承诺!文档内容仅供研究参考,付费前请自行鉴别。
3、如文档内容存在违规,或者侵犯商业秘密、侵犯著作权等,请点击“违规举报”。

碎片内容

超高层塔楼地下室临水临电施工方案

确认删除?
VIP
微信客服
  • 扫码咨询
会员Q群
  • 会员专属群点击这里加入QQ群
客服邮箱
回到顶部