电脑桌面
添加小米粒文库到电脑桌面
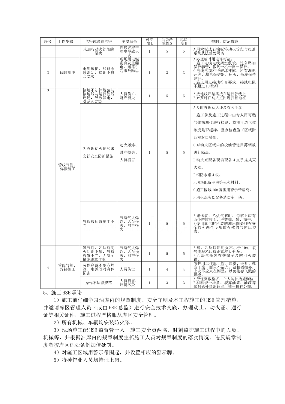
安装后可以在桌面快捷访问

输油管道施工方案

输油管道施工方案_第1页
1/7
输油管道施工方案_第2页
2/7
输油管道施工方案_第3页
3/7
一、工程概况根据 XX 成品油管道进行点对点送油的需求,需在密闭输送管线 350-P-60501-A2B-N 与进泄放罐的泄压管线 200-P-60505-A2B-N 之间增加热膨胀泄压 DN80 管线。两条管线均为新建管线,由于密闭输送管线 350-P-60501-A2B-N 的阀门 HV1161 左侧、阀门 MOV1205 右侧、泄压管线 200-P-60505-A2B-N 的 1 号阀门左侧管线已通油,为确保管线的安全和有序施工,特编制本施工方案。二、施工组织机构 项目经理:XXX 现场负责人:XXX HSE 监督官:XXX 技术员:XXX 质检员:XXX 材料员:XXX 火焊工:1 人 电焊工:2 人 管工 2 人 起重工:1 人 电工:1 人 普工:10 人三、施工进度保证1、施工工期:1 天 2、确保工期措施1)配备强有力的项目管理班子,选择技术素养好、责任心强的施工班组施工。2)提前做好一切施工准备工作,安排好施工设备及施工机具。四、施工技术措施1、施工前准备;1)施工前与设计及油库管理部门结合,确定新建管线的工艺流程、位置、用途等。2)施工人员、设备、机具、材料按时进场。3)各种出入证件办理到位,一般作业、动火证、用电证等证件办理到位。4)施工前进行安全、技术交底。5)施工区域设立警戒线,动火点设置 8Kg 灭火器 4 个,设专人进行监护。6)施工前确认管道内进行清理洁净,两端阀门关闭。在得到相关部门确认,方可以连头施工。2、管线现场施工方案1)管线动火连头准备详见动火连头示意图A 将 350-P-60501-A2B-N 管线两端的阀门 HV-1161、HV-1162、MOV1205 在靠近动火点侧的法兰断开,在断开端加石棉板进行隔离,在 200-P-60505-A2B-N 管线的 1 号阀门(DN200)法兰处断开,采纳石棉板进行隔离。由于 MOV1205 为电动阀,为防止在施工作业时自动开启,在断开前需将此阀门调至手动。(阀门法兰断开位置见附图所示)B 在动火点附近打接地桩,并连接现场接地线。将 L45 的角铁打入地面以下 800mm处 ,用 6 根扁铁(具体长度依现场定)连接至地面以上,用万用表检测该点电阻是否小于 4Ω,假如大于 4Ω,则进行盐水导电。 C 施工时应将连头管线与该接地桩进行相连。3)管道预制、组对、焊接A 组对前应将管端 100mm 范围内的尘土、污油、铁锈、熔渣等清除洁净。管口以外表面 10~25mm 范围内毛刺、缩口、熔渣、氧化铁、铁屑等均应清除洁净。B 管口组对时,应避开强力对口。直管段两相邻环焊缝的间距不得小于 1.5 倍管径。应垫置牢固,定位...

1、当您付费下载文档后,您只拥有了使用权限,并不意味着购买了版权,文档只能用于自身使用,不得用于其他商业用途(如 [转卖]进行直接盈利或[编辑后售卖]进行间接盈利)。
2、本站所有内容均由合作方或网友上传,本站不对文档的完整性、权威性及其观点立场正确性做任何保证或承诺!文档内容仅供研究参考,付费前请自行鉴别。
3、如文档内容存在违规,或者侵犯商业秘密、侵犯著作权等,请点击“违规举报”。

碎片内容

输油管道施工方案

阳光书坊+ 关注
实名认证
内容提供者

阳光书坊,传播未来

确认删除?
VIP
微信客服
  • 扫码咨询
会员Q群
  • 会员专属群点击这里加入QQ群
客服邮箱
回到顶部