电脑桌面
添加小米粒文库到电脑桌面
安装后可以在桌面快捷访问

露天矿台阶爆破减震方法

露天矿台阶爆破减震方法_第1页
1/5
露天矿台阶爆破减震方法_第2页
2/5
露天矿台阶爆破减震方法_第3页
3/5
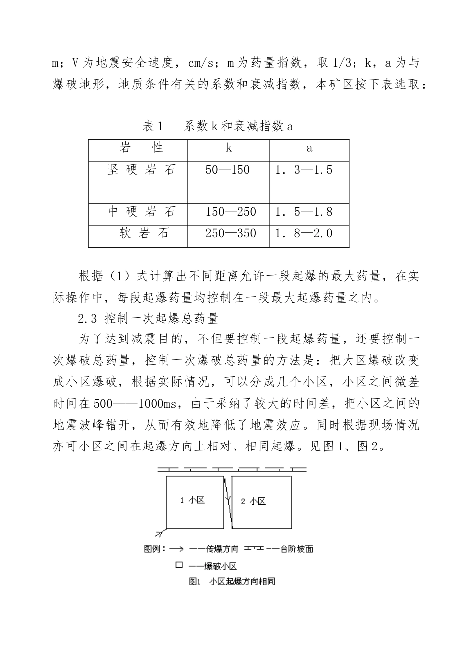
山西某某煤业露天煤矿露天矿减震爆破技术措施 编制: 审核: 审批:山西某某煤业有限公司露天煤矿二 0 一三年一月减震爆破技术措施 1 矿区概况山西某某煤业露天煤矿采纳单斗铲——卡车工艺系统,剥离物运输分为两类:一是部分剥离物继续通过工作帮移动坑线,经过端帮运输平盘,至外排土场,二是部分剥离物通过工作帮移动坑线,经端帮运输平盘至内排土场,达产后达产后的运输系统与此类似,但由于运距的问题,将逐步全部经过北侧端帮运输平盘,将剥离物运至内排土场。煤的运输系统是由采掘场经工作帮移动坑线、地面道路至洗煤厂。主采煤层采纳顶板露煤,一次全层开采的方法。 2 减震方法 2.1 控制单孔装药量 减少单孔装药量是降低爆破地震效应最直接有效的措施之一,但要想在减少装药量的前提下仍能取得预期爆破效果,就必须设计合理的装药结构。施工中在冬季和软硬夹层工作面采纳分段装药,为解决冻顶冻帮问题采纳深孔套浅孔的布孔方法。在起爆方法上,采纳大斜线和组排间微差起爆技术,充分利用了炸药能量。由于实行了上述措施,既减少了单孔装药量,又达到了预期的爆破效果,也起到了明显的减震作用。 2.2 严格限制一段起爆药量 根据爆破安全规程,建筑物承受爆破震动的临界速度为 1—4cm/s,以此为依据计算一段起爆最大药量。 Qmax=Rm(k/v)(a×m) (1) 式中:Qmax为一段起爆最大药量,kg;R 为爆破地震安全距离,m;V 为地震安全速度,cm/s;m 为药量指数,取 1/3;k,a 为与爆破地形,地质条件有关的系数和衰减指数,本矿区按下表选取: 表 1 系数 k 和衰减指数 a 岩 性ka坚 硬 岩 石50—1501.3—1.5中 硬 岩 石150—2501.5—1.8软 岩 石250—3501.8—2.0 根据(1)式计算出不同距离允许一段起爆的最大药量,在实际操作中,每段起爆药量均控制在一段最大起爆药量之内。 2.3 控制一次起爆总药量为了达到减震目的,不但要控制一段起爆药量,还要控制一次爆破总药量,控制一次爆破总药量的方法是:把大区爆破改变成小区爆破,根据实际情况,可以分成几个小区,小区之间微差时间在 500——1000ms,由于采纳了较大的时间差,把小区之间的地震波峰错开,从而有效地降低了地震效应。同时根据现场情况亦可小区之间在起爆方向上相对、相同起爆。见图 1、图 2。 2.4 选择合适的段间微差时间 合理的微差延时应使先后起爆的两药包所产生的地震波能在时间上和空间上错开,特别是错开两个地震波的主震...

1、当您付费下载文档后,您只拥有了使用权限,并不意味着购买了版权,文档只能用于自身使用,不得用于其他商业用途(如 [转卖]进行直接盈利或[编辑后售卖]进行间接盈利)。
2、本站所有内容均由合作方或网友上传,本站不对文档的完整性、权威性及其观点立场正确性做任何保证或承诺!文档内容仅供研究参考,付费前请自行鉴别。
3、如文档内容存在违规,或者侵犯商业秘密、侵犯著作权等,请点击“违规举报”。

碎片内容

露天矿台阶爆破减震方法

一帆文传+ 关注
实名认证
内容提供者

欢迎光临店铺,各类公文供您挑选。

相关文档

确认删除?
VIP
微信客服
  • 扫码咨询
会员Q群
  • 会员专属群点击这里加入QQ群
客服邮箱
回到顶部