电脑桌面
添加小米粒文库到电脑桌面
安装后可以在桌面快捷访问

14种桩基施工流程图

14种桩基施工流程图_第1页
1/12
14种桩基施工流程图_第2页
2/12
14种桩基施工流程图_第3页
3/12
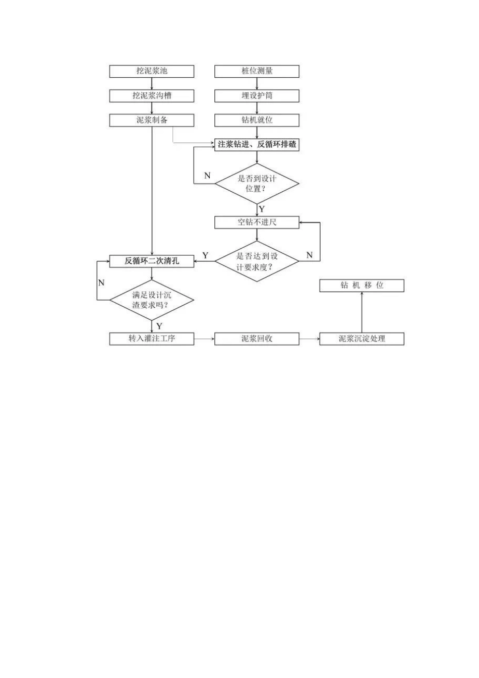
14 种桩基施工流程图桩基根据施工方式可分为预制桩和灌注桩。预制桩:通过打桩机将预制的钢筋混凝土桩打入地下。优点是材料省,强度高,适用于较高要求的建筑,缺点是施工难度高,受机械数量限制施工时间长。灌注桩:首先在施工场地上钻孔,当达到所需深度后将钢筋放入浇灌混凝土.优点是施工难度低,尤其是人工挖孔桩,可以不受机械数量的限制,所有桩基同时进行施工,大大节约时间,缺点是承载力低,费材料。桩基从功能上可划分为作为桩基础和地基处理两种,今日分享 14 中桩基施工工艺流程!

1、当您付费下载文档后,您只拥有了使用权限,并不意味着购买了版权,文档只能用于自身使用,不得用于其他商业用途(如 [转卖]进行直接盈利或[编辑后售卖]进行间接盈利)。
2、本站所有内容均由合作方或网友上传,本站不对文档的完整性、权威性及其观点立场正确性做任何保证或承诺!文档内容仅供研究参考,付费前请自行鉴别。
3、如文档内容存在违规,或者侵犯商业秘密、侵犯著作权等,请点击“违规举报”。

碎片内容

14种桩基施工流程图

确认删除?
VIP
微信客服
  • 扫码咨询
会员Q群
  • 会员专属群点击这里加入QQ群
客服邮箱
回到顶部