电脑桌面
添加小米粒文库到电脑桌面
安装后可以在桌面快捷访问

1长航项目环境管理策划书

1长航项目环境管理策划书_第1页
1/31
1长航项目环境管理策划书_第2页
2/31
1长航项目环境管理策划书_第3页
3/31
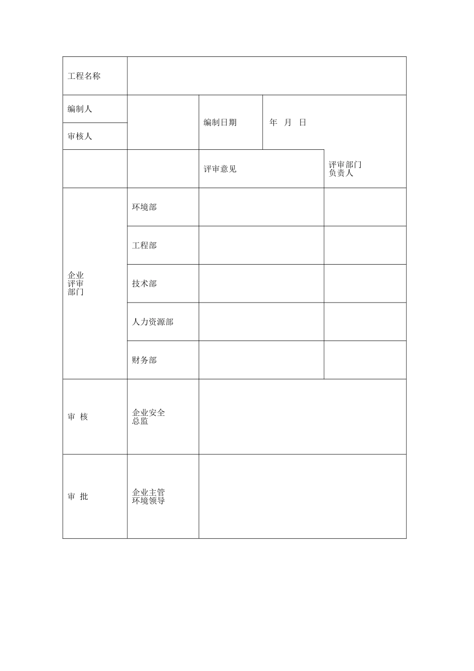
武汉长江航运中心项目环境管理策划书 编制: _ 审核: _ 审批: _ 中建三局集团有限公司武汉长江航运中心工程项目部二零一六年三月《项目环境管理策划书》审批表工程名称编制人编制日期 年 月 日审核人评审意见评审部门负责人企业评审部门环境部工程部技术部人力资源部财务部审 核企业安全总监审 批企业主管环境领导目录1 项目概述...............................................................................................................................................51。1 基本概况.................................................................................................................................51。2 工程难点.................................................................................................................................51。3 工程重点及措施.....................................................................................................................62、项目环境管理工作的定位、特点、难点分析................................................................................63、工程项目环境管理控制目标............................................................................................................73。1 工程项目环境管理工作总目标.............................................................................................73。2 项目环境管理工作目标分解.................................................................................................84、工程项目环境管理组织结构............................................................................................................94。1 环境管理领导小组、主要工作内容。..................................................................................94.1.1 项目经理环境管理职责: ....................................................................................104。1。2 环境主管环境管理职责: .......................................................................................104。1。3 生产过程的环境管理人的环境管理职责: ........................................................

1、当您付费下载文档后,您只拥有了使用权限,并不意味着购买了版权,文档只能用于自身使用,不得用于其他商业用途(如 [转卖]进行直接盈利或[编辑后售卖]进行间接盈利)。
2、本站所有内容均由合作方或网友上传,本站不对文档的完整性、权威性及其观点立场正确性做任何保证或承诺!文档内容仅供研究参考,付费前请自行鉴别。
3、如文档内容存在违规,或者侵犯商业秘密、侵犯著作权等,请点击“违规举报”。

碎片内容

1长航项目环境管理策划书

确认删除?
VIP
微信客服
  • 扫码咨询
会员Q群
  • 会员专属群点击这里加入QQ群
客服邮箱
回到顶部