电脑桌面
添加小米粒文库到电脑桌面
安装后可以在桌面快捷访问

4、沥青透层、粘层与封层施工工艺标准

4、沥青透层、粘层与封层施工工艺标准_第1页
1/5
4、沥青透层、粘层与封层施工工艺标准_第2页
2/5
4、沥青透层、粘层与封层施工工艺标准_第3页
3/5
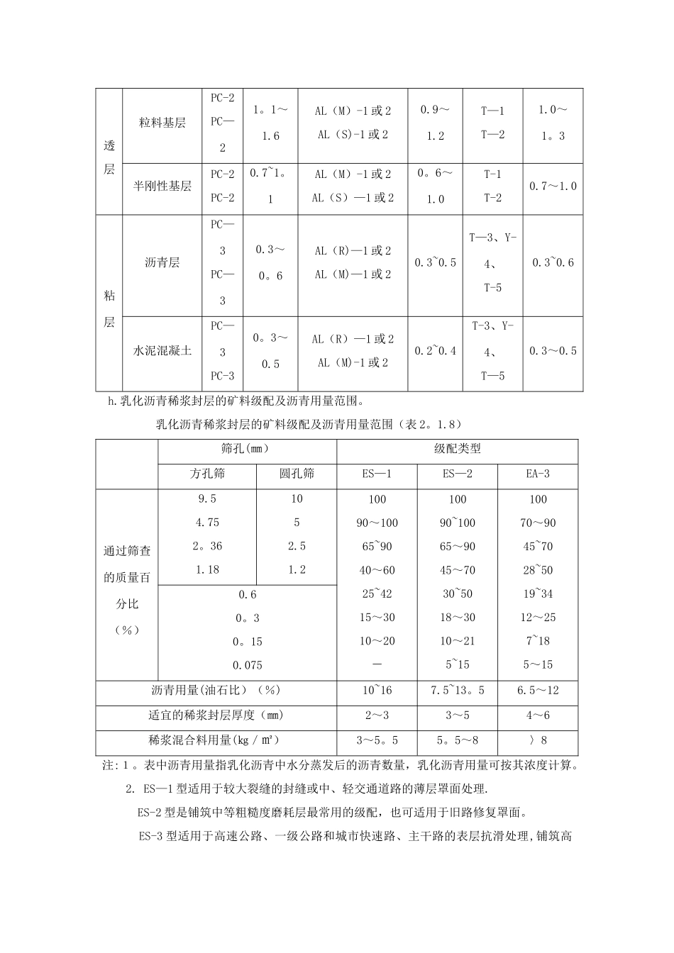
沥青透层、粘层与封层施工工艺标准一.施工准备1.材料a。乳化石油沥青乳化石油沥青的质量应符合《公路沥青路面施工技术法律规范》JTJ 032 的有关规定。乳化石油沥青可利用胶体磨或匀油机等乳化机械在沥青拌合厂制备,乳化剂用量(按有效含量计)宜为沥青用量的 0。3%~0。8%。制备乳化石油沥青的温度应通过试验确定,乳化剂水溶液的温度宜为 40~70℃,石油沥青宜加热至 120~160℃,乳化剂沥青制成后应及时使用,存放期以不离析、不冻结、不破乳为度。b.液体石油沥青液体石油沥青的质量应符合《公路沥青路面施工技术法律规范》JTJ032 的有关规定.使用前应由试验确定掺配比例。c.煤沥青 煤沥青的质量应符合《公路沥青路面施工技术法律规范》JTJ032 的有关规定。煤沥青使用期间在储油池或沥青灌中储存温度为 70~90℃,并应避开长期储存。经较长时间存放的煤沥青在使用前应抽样检测,质量不合格不得使用。d.集料集料质量应符合《公路沥青路面施工技术法律规范》JTJ 032 的矿料要求,颗粒状集料(大于 1㎜)应选用强度高、硬度大、耐磨耗的砂石集料.稀浆封层所需集料适宜用矿渣、碎石,不适宜用轻质材料、页岩及泥岩等。对于小于5㎜的细集料,应选用坚硬、干燥、洁净、无泥土和有机杂质,级配适当、砂当量不低于445%的石屑或砂。e。填料可用水泥、石灰或粉煤灰等作为填料,要求松散、干燥、不含泥土。f.水水质应满足洁净水标准,盐水、工业废水及含泥水不能使用.g.沥青路面透层及粘层材料规格和用量见表 2.1。7. 沥青路面透层及粘层材料规格和用量(表 2。1。7)用途乳化沥青液体石油沥青煤沥青规格用量(L/㎡)规格用量(L/㎡)规格用量(L/㎡)透层粒料基层PC-2PC—21。1~1.6AL(M)-1 或 2AL(S)-1 或 20.9~1.2T—1T—21.0~1。3半刚性基层PC-2PC-20.7~1。1AL(M)-1 或 2AL(S)—1 或 20。6~1.0T-1T-20.7~1.0粘层沥青层PC—3PC—30.3~0。6AL(R)—1 或 2AL(M)—1 或 20.3~0.5T—3、Y-4、T-50.3~0.6水泥混凝土PC—3PC-30。3~0.5AL(R)—1 或 2AL(M)-1 或 20.2~0.4T-3、Y-4、T—50.3~0.5 h.乳化沥青稀浆封层的矿料级配及沥青用量范围。 乳化沥青稀浆封层的矿料级配及沥青用量范围(表 2。1.8)筛孔(㎜)级配类型方孔筛圆孔筛ES—1ES—2EA-3通过筛查的质量百分比(%)9.54.752。361.181052.51.210090~10065~9040~6025~4215~3010~20-10090~10065~9045~7030~5018~3010~215~1510070~9045~7028~5019~3...

1、当您付费下载文档后,您只拥有了使用权限,并不意味着购买了版权,文档只能用于自身使用,不得用于其他商业用途(如 [转卖]进行直接盈利或[编辑后售卖]进行间接盈利)。
2、本站所有内容均由合作方或网友上传,本站不对文档的完整性、权威性及其观点立场正确性做任何保证或承诺!文档内容仅供研究参考,付费前请自行鉴别。
3、如文档内容存在违规,或者侵犯商业秘密、侵犯著作权等,请点击“违规举报”。

碎片内容

4、沥青透层、粘层与封层施工工艺标准

确认删除?
VIP
微信客服
  • 扫码咨询
会员Q群
  • 会员专属群点击这里加入QQ群
客服邮箱
回到顶部