电脑桌面
添加小米粒文库到电脑桌面
安装后可以在桌面快捷访问

SG-A085建筑物景观照明灯、航空障碍标志灯和庭院灯安装工程检验批质量验收记录

SG-A085建筑物景观照明灯、航空障碍标志灯和庭院灯安装工程检验批质量验收记录_第1页
1/6
SG-A085建筑物景观照明灯、航空障碍标志灯和庭院灯安装工程检验批质量验收记录_第2页
2/6
SG-A085建筑物景观照明灯、航空障碍标志灯和庭院灯安装工程检验批质量验收记录_第3页
3/6
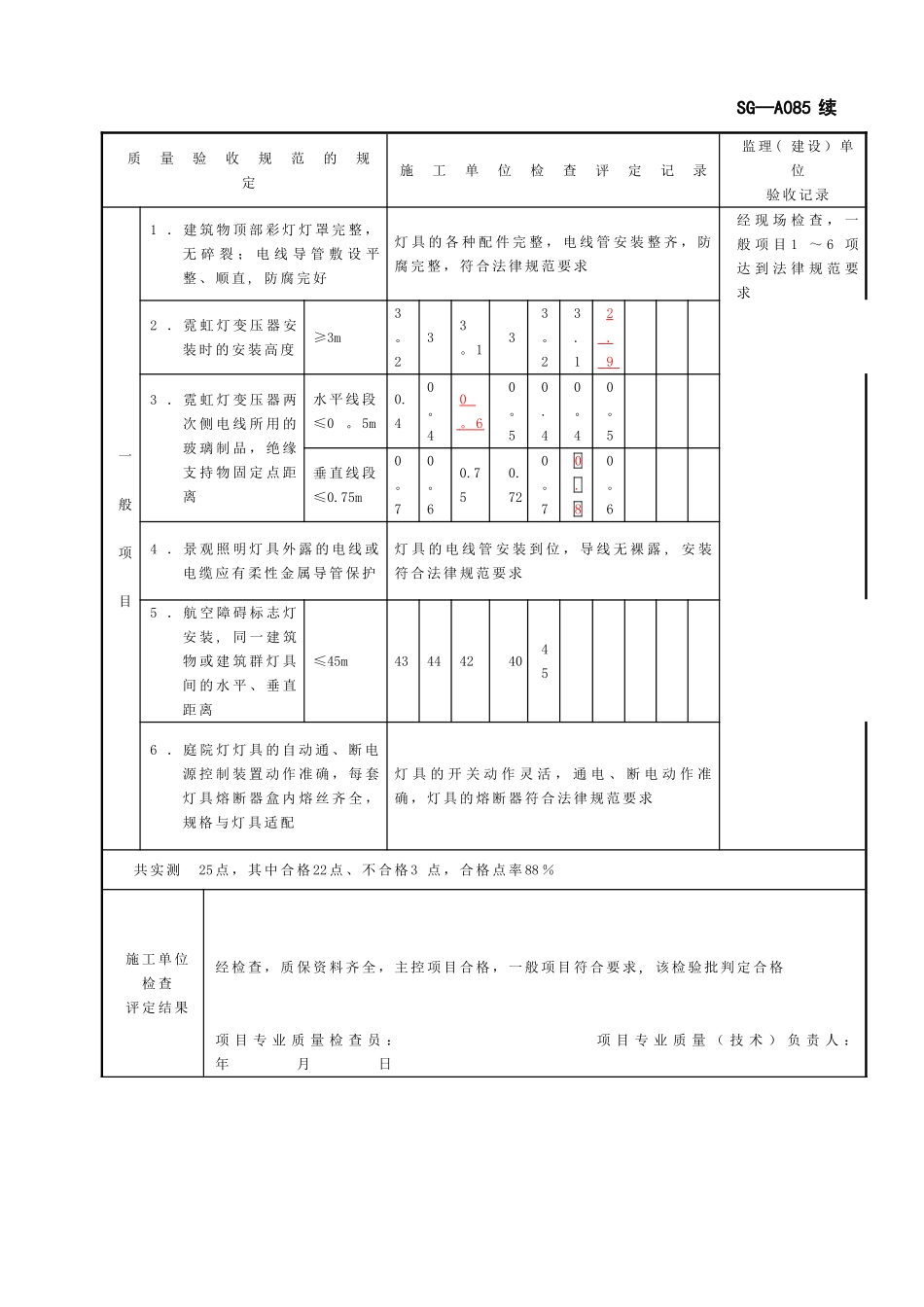
SG - A085 建 筑 物 景 观 照 明 灯 、 航 空 障 碍 标 志 灯 和 庭 院 灯 安装工程检验批质量验收记录工 程 名 称分 项 工 程 名称景 观 灯 、 航 空 标 志 灯 、 庭 院 灯验 收 部 位屋 顶施 工 单 位项 目 负 责 人专 业 工 长施 工 班 组 长施 工 执 行 标 准 及 编 号质 量 验 收 规 范 的 规 定施 工 单 位 检 查 评 定 记 录监 理 ( 建 设 ) 单位验 收 记 录主控项目1 . 建 筑 物 彩 灯 安 装21.1 。条灯 具 接 地 可 靠 , 固 定 牢 固 、 安 装 、 接 线 符合 法 律 规 范 要 求线 路 及 灯 具 绝 缘电 阻 进 行 了 旁 站测 试 , 大 于 5 MΩ, 符 合 法 律规 范 要 求 . 检 查各 种 灯 具 安 装 固定 牢 固 , 接 地 完整 可 靠 , 安 装 位置 符 合 设 计 及 法律 规 范 要 求 , 主控 项 目 1~9项 全部 合 格2 . 垂 直 彩 灯 下 端 灯头 距 地 面 距 离> 3m33.133。233 . 霓 虹 灯 管 与 建 筑物 、 构 筑 物 表 面的 距 离≥20mm25202524234 . 霓 虹 灯 专 用 变 压器 二 次 电 线 与 建筑 物 、 构 筑 物 表面 的 距 离≥20mm26252024255 . 建 筑 物 景 观 照 明灯 具 的 导 电 部 分对 地 绝 缘 电 阻 值( 每 套 灯 具 的 )> 2MΩ3020251050406 . 人 行 道 及 人 员 密集 场 所 安 装 的 落地 灯 具 无 围 栏 防护 , 安 装 高 度 距地 面 距 离> 2.5m32.82。632.837 . 航 空 障 碍 标 志 灯安 装21 。 1.1条8 . 庭 院 灯 每 套 灯 具的 导 电 部 分 对 地绝 缘 电 阻 值> 2MΩ9 . 景 观 照 明 灯 具 金 属 构 架 和 灯具 的 可 接 近 裸 露 导 体 和 金 属软 管 , 以 及 庭 院 灯 金 属 立 柱和 灯 具 的 可 接 近 裸 露 导 体 ,其 接 地 或 接 零 均 应 牢 固 可 靠灯 具 金 属 构 架 , 金 属 导 管 有 可 靠 的 接 地 ,灯 具 固 定 牢 固 , 有 可 靠 的 保 护 装 置 , 灯 具装 设 有 严 密 的 防 水 装 置 , 灯 具 安 装 的 位 置...

1、当您付费下载文档后,您只拥有了使用权限,并不意味着购买了版权,文档只能用于自身使用,不得用于其他商业用途(如 [转卖]进行直接盈利或[编辑后售卖]进行间接盈利)。
2、本站所有内容均由合作方或网友上传,本站不对文档的完整性、权威性及其观点立场正确性做任何保证或承诺!文档内容仅供研究参考,付费前请自行鉴别。
3、如文档内容存在违规,或者侵犯商业秘密、侵犯著作权等,请点击“违规举报”。

碎片内容

SG-A085建筑物景观照明灯、航空障碍标志灯和庭院灯安装工程检验批质量验收记录

确认删除?
VIP
微信客服
  • 扫码咨询
会员Q群
  • 会员专属群点击这里加入QQ群
客服邮箱
回到顶部