电脑桌面
添加小米粒文库到电脑桌面
安装后可以在桌面快捷访问

U形管式换热器检修施工方案

U形管式换热器检修施工方案_第1页
1/15
U形管式换热器检修施工方案_第2页
2/15
U形管式换热器检修施工方案_第3页
3/15
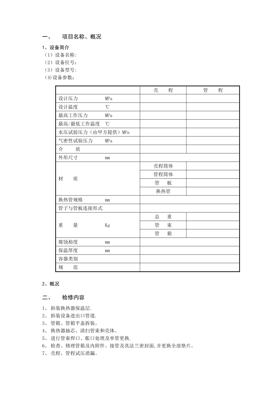
附录 D 编号:U 形管式换热器检修施工方案 装置名称: 设备名称: 设备位号:工作令号: 编 制:审 核: 会 签: 审 批: 二○一 年 月 日目 录一、项目名称、概况二、检修内容三、施工验收标准、质量管理程序文件四、施工组织及 HSE、质量控制体系五、主要施工工器具六、施工方法和步骤七、关键质量控制点及质量验收指标八、人员配备及相关资质要求九、检验仪器设备清单十、HSE 措施和注意事项十一、施工网络进度、施工平面图十二、备品备件表十三、检修施工危害分析记录表十四、检修施工作业环境因素表十五、应急措施一、项目名称、概况1、设备简介(1)设备名称: (2)设备位号:(3)设备型号: (4)设备参数:壳 程管 程设计压力 MPa设计温度 ℃最高工作压力 MPa最高/最低工作温度 ℃水压试验压力(由甲方提供)MPa气密性试验压力 MPa介 质外形尺寸 mm材 质壳程筒体管程筒体管 板换热管换热管规格 mm管子与管板连接形式重 量 Kg总 重管 束管 箱腐蚀裕度 mm保温厚度 mm容器类别规 范2、概况二、检修内容1、 拆装换热器保温层.2、 拆装设备进出口管道.3、 管箱、管箱平盖拆装。4、 换热器抽芯、清扫管束和壳体。5、 进行管束焊口、胀口处理及单管更换.6、 检查、修理管箱及内附件、接管及其法兰密封面,并更换全部垫片。7、 壳程、管程试压消漏。8、 更换部分紧固件.9、 壳体保温修补及防腐。10、更换管束或壳体。三、施工验收标准、质量管理程序文件1、 TSG R0004—2025 《固定式压力容器安全技术监察规程》2、 GB 150。1~150。4—2025《压力容器》3、 GB 151-1999 《管壳式换热器》4、 SHS01009—2025 《管壳式换热器维护检修规程》5、 SHS 01004-2025 《压力容器维护检修规程》6、 SH/T3542-2025 《石油化工静设备安装工程施工技术规程》7、 SH 3501—2025《石油化工剧毒、可燃介质管道工程施工及验收法律规范》8、 GB 50235—2025 《工业金属管道工程施工及验收法律规范》9、 SH/T 3536-2025《石油化工工程建设起重施工法律规范》10、SH 3505-1999 《石油化工施工安全技术规程》11、Q/YPMC-M01—2025 《质量手册》12、Q/YPMC-QP01~33—2025 所有相关程序文件和管理制度四、施工组织及 HSE、质量控制体系1、施工组织2、质量保证体系项目总负责人:安全负责人:施工负责人:吊装负责人:技术负责人:项目总负责人:施工技术负责人:质量负责人:材料质检员:检...

1、当您付费下载文档后,您只拥有了使用权限,并不意味着购买了版权,文档只能用于自身使用,不得用于其他商业用途(如 [转卖]进行直接盈利或[编辑后售卖]进行间接盈利)。
2、本站所有内容均由合作方或网友上传,本站不对文档的完整性、权威性及其观点立场正确性做任何保证或承诺!文档内容仅供研究参考,付费前请自行鉴别。
3、如文档内容存在违规,或者侵犯商业秘密、侵犯著作权等,请点击“违规举报”。

碎片内容

U形管式换热器检修施工方案

阳光书坊+ 关注
实名认证
内容提供者

阳光书坊,传播未来

确认删除?
VIP
微信客服
  • 扫码咨询
会员Q群
  • 会员专属群点击这里加入QQ群
客服邮箱
回到顶部