电脑桌面
添加小米粒文库到电脑桌面
安装后可以在桌面快捷访问

XX公路下穿地道工程桩基施工方案

XX公路下穿地道工程桩基施工方案_第1页
1/20
XX公路下穿地道工程桩基施工方案_第2页
2/20
XX公路下穿地道工程桩基施工方案_第3页
3/20
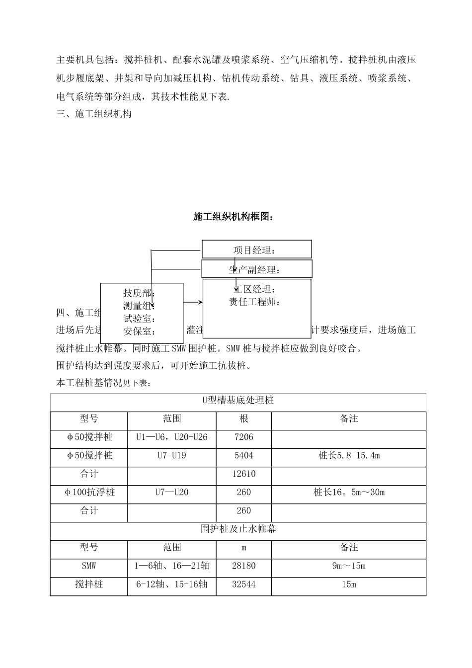
XXXX 工程第四合同段XX 公路下穿地道工程桩基施工方案编制:审核:审批:2009 年 3 月 20 日目 录一、 工程概况 2二、场地布置和施工前的准备 2三、施工组织机构 3四、施工组织安排 3五、进度控制 4六、搅拌桩施工 4七、钻孔桩施工 16八、雨季施工保证措施 21XXXX 公路下穿地道工程桩基施工方案一、工程概况XXXX 公路下穿地道工程,起止里程 K15+986。640~K16+446.070,围护桩为 φ1。0m 钻孔灌注桩,外侧设水泥搅拌桩 φ65cm@45cm 双排及 SMW 桩做止水帷幕,基底工程为φ50cm@1.5m 搅拌桩,设 φ1。2m 钻孔灌注桩作为抗拨桩.结构基坑支护结构的内部横撑采纳 φ600X14mm 钢管支撑。编制依据1、XXXX 公路下穿地道基坑支护施工图。2、国家现行有关工程施工和验收的标准、法律规范、规程、图集。3、国家关于工程施工和验收的法律法规;天津市现行的施工和验收的法律规范、标准、规程、图集以及相关的法律法规。4、 现场勘察资料.5、公司 ISO9000 质量体系标准文件.6、公司制定的一整套工程项目管理手册等。二、场地布置和施工前的准备1.场地布置考虑到施工范围原状为 XXXX 公路排水沟塘,淤泥沉积,根据实际情况,实地放样,对场地内积水及淤泥进行清排,采纳 3%灰土填筑围护桩、止水帷幕桩(含 SMW 桩)及抗拨桩的操作平台,平整场地。2.施工前准备1)组织施工人员学习和掌握有关设计图纸和公路工程桥涵施工技术法律规范的有关规定。结合本合同段的工程地质和水文气象条件,制定符合实际的施工组织设计,落实岗位责任制,确保工程质量安全和进度.2)机械进场前,组织测量人员利用全站仪根据沿线已闭合的导线点进行桩位放样,并报监理工程师审批。3)施工场地准备:在桩基施工区范围内进行,整平处理,合理布置机械设备、水泥储料罐、泥浆池等设施.4)配置的机械设备主要机具包括:搅拌桩机、配套水泥罐及喷浆系统、空气压缩机等。搅拌桩机由液压机步履底架、井架和导向加减压机构、钻机传动系统、钻具、液压系统、喷浆系统、电气系统等部分组成,其技术性能见下表.三、施工组织机构施工组织机构框图:四、施工组织安排进场后先进行围护灌注桩施工,灌注桩成桩后 7 天,或达到设计要求强度后,进场施工搅拌桩止水帷幕。同时施工 SMW 围护桩。SMW 桩与搅拌桩应做到良好咬合。围护结构达到强度要求后,可开始施工抗拔桩。本工程桩基情况见下表:U型槽基底处理桩型号范围根备注φ50搅拌桩U1—U6,U20-U267206 ...

1、当您付费下载文档后,您只拥有了使用权限,并不意味着购买了版权,文档只能用于自身使用,不得用于其他商业用途(如 [转卖]进行直接盈利或[编辑后售卖]进行间接盈利)。
2、本站所有内容均由合作方或网友上传,本站不对文档的完整性、权威性及其观点立场正确性做任何保证或承诺!文档内容仅供研究参考,付费前请自行鉴别。
3、如文档内容存在违规,或者侵犯商业秘密、侵犯著作权等,请点击“违规举报”。

碎片内容

XX公路下穿地道工程桩基施工方案

确认删除?
VIP
微信客服
  • 扫码咨询
会员Q群
  • 会员专属群点击这里加入QQ群
客服邮箱
回到顶部