电脑桌面
添加小米粒文库到电脑桌面
安装后可以在桌面快捷访问

一般抹灰检验批质量验收记录检验批

一般抹灰检验批质量验收记录检验批_第1页
1/1
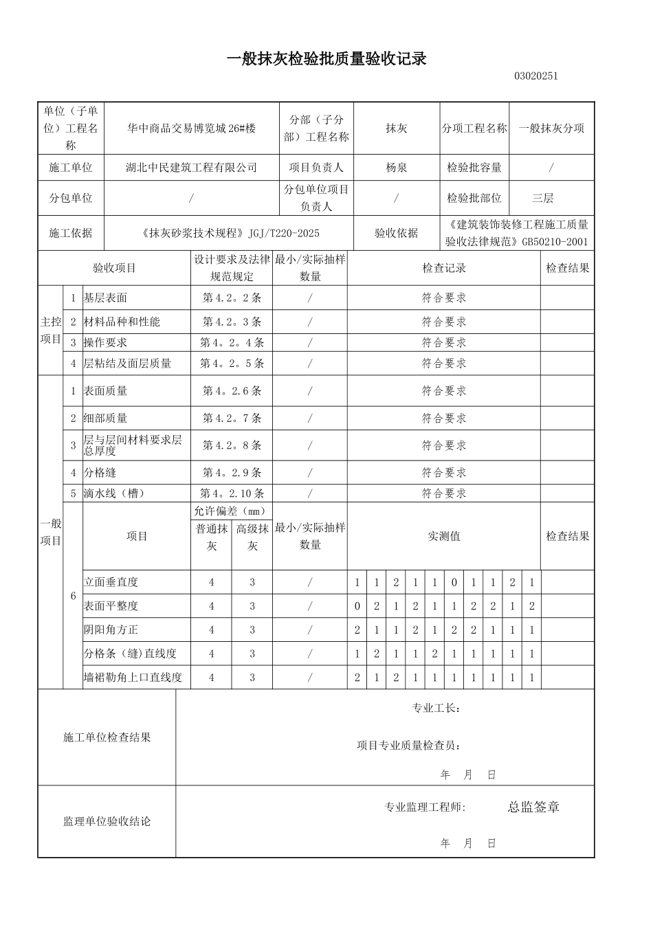
一般抹灰检验批质量验收记录03020251单位(子单位)工程名称华中商品交易博览城 26#楼分部(子分部)工程名称抹灰分项工程名称一般抹灰分项施工单位湖北中民建筑工程有限公司项目负责人杨泉检验批容量/分包单位/分包单位项目负责人/检验批部位 三层 施工依据《抹灰砂浆技术规程》JGJ/T220-2025验收依据《建筑装饰装修工程施工质量验收法律规范》GB50210-2001验收项目设计要求及法律规范规定最小/实际抽样数量检查记录检查结果主控项目1 基层表面第 4.2。2 条/符合要求2 材料品种和性能第 4.2。3 条/符合要求3 操作要求第 4。2。4 条/符合要求4 层粘结及面层质量第 4。2。5 条/符合要求一般项目1 表面质量第 4。2.6 条/符合要求2 细部质量第 4.2。7 条/符合要求3 层与层间材料要求层总厚度第 4.2。8 条/符合要求4 分格缝第 4。2.9 条/符合要求5 滴水线(槽)第 4。2.10 条/符合要求6项目允许偏差(mm)最小/实际抽样数量实测值检查结果普通抹灰高级抹灰立面垂直度43/1121101121表面平整度43/0212112212阴阳角方正43/2112122111分格条(缝)直线度43/1211211111墙裙勒角上口直线度43/2121111111施工单位检查结果专业工长:项目专业质量检查员:年 月 日监理单位验收结论专业监理工程师:总监签章年 月 日

1、当您付费下载文档后,您只拥有了使用权限,并不意味着购买了版权,文档只能用于自身使用,不得用于其他商业用途(如 [转卖]进行直接盈利或[编辑后售卖]进行间接盈利)。
2、本站所有内容均由合作方或网友上传,本站不对文档的完整性、权威性及其观点立场正确性做任何保证或承诺!文档内容仅供研究参考,付费前请自行鉴别。
3、如文档内容存在违规,或者侵犯商业秘密、侵犯著作权等,请点击“违规举报”。

碎片内容

一般抹灰检验批质量验收记录检验批

一帆文传+ 关注
实名认证
内容提供者

欢迎光临店铺,各类公文供您挑选。

确认删除?
VIP
微信客服
  • 扫码咨询
会员Q群
  • 会员专属群点击这里加入QQ群
客服邮箱
回到顶部