电脑桌面
添加小米粒文库到电脑桌面
安装后可以在桌面快捷访问

上海某学生公寓工程临时用电施工方案

上海某学生公寓工程临时用电施工方案_第1页
1/18
上海某学生公寓工程临时用电施工方案_第2页
2/18
上海某学生公寓工程临时用电施工方案_第3页
3/18
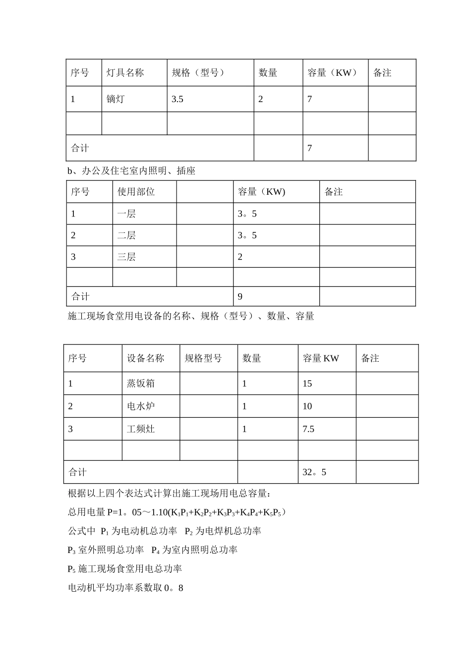
1 上海某学生公寓工程临时用电施工方案第一节 工程概况项目名称:**大学 新学生公寓 建设单位:**大学 设计单位:上海**建筑设计讨论院 监理单位:上海**讨论院工程监理部 施工单位:江苏省 **集团股份有限公司 项目地点:**路 第一节 负荷计算本工程采纳三相五线制供电方式,接地采纳 TN—S 系统,设置专用的保护零线,配电系统采纳“三级配电两级保护”, 同时末级开关箱装设漏电器(30mA 或15mA,0.1s), 实行“一机一闸一漏一箱",每台设备有各自专用的开关箱。根据施工现场情况分为三个类别:1、电动机械设备;2、电焊设备;3、照明设备主要机械设备计划表: 电动机械设备配备表序号机械或设 备名称规格型号数量(台)额 定 功 率KW备注1塔 吊QTZ40128。92井架17.5装修时用3搅拌机JZ35017。54钢筋切断机GT40-2135钢筋弯曲机WT40—1136多用平压刨MBW-320137圆盘锯MJ106138插入式振动器ZX-5041。1×49平板式振动器1110水 泵41×411电动套丝机11。512高压泵17.513砂轮机11。514卷扬机15合计:73。3施工现场需求的电焊机设备的名称、规格(型号)、数量、容量;序号设备名称规格(型号)数量容量(KW)备注1沟通电焊机BX—3004682电渣压力焊机2863钢筋对焊机1100合计254施工现场需求的照明灯的名称、规格(型号)、数量、容量 a、室外照明序号灯具名称规格(型号)数量容量(KW)备注1镝灯3.527合计7b、办公及住宅室内照明、插座序号使用部位容量(KW)备注1一层3。52二层3。53三层2合计9施工现场食堂用电设备的名称、规格(型号)、数量、容量序号设备名称规格型号数量容量 KW备注1蒸饭箱1152电水炉1103工频灶17.5合计32。5根据以上四个表达式计算出施工现场用电总容量:总用电量 P=1。05~1.10(K1P1+K2P2+K3P3+K4P4+K5P5) 公式中 P1 为电动机总功率 P2 为电焊机总功率P3 室外照明总功率 P4 为室内照明总功率P5 施工现场食堂用电总功率电动机平均功率系数取 0。8 总用电量 P 为千伏安(KVA)K1 取 0。6 k2 取 0。6 K3 取 0。8 K4 取 1.0 K5 取 0.8 总需求系数取 1.05 总用电量=1。05×(0。6×77.3+0.6×254+0.8×7+1×9+0.8×32.5) =239.38 KVA第一节 变压器容量、导线截面和电气选用1)由总容量计算可知现场总容量为 239.39KVA,甲方提供 300KVA 容量,足够现场需求。 2)导线截面的选择 A、确定电源的电流 三 相 电 动 机 的 电 流 I= 功 率 ( KW)×1000/ ...

1、当您付费下载文档后,您只拥有了使用权限,并不意味着购买了版权,文档只能用于自身使用,不得用于其他商业用途(如 [转卖]进行直接盈利或[编辑后售卖]进行间接盈利)。
2、本站所有内容均由合作方或网友上传,本站不对文档的完整性、权威性及其观点立场正确性做任何保证或承诺!文档内容仅供研究参考,付费前请自行鉴别。
3、如文档内容存在违规,或者侵犯商业秘密、侵犯著作权等,请点击“违规举报”。

碎片内容

上海某学生公寓工程临时用电施工方案

领读文化+ 关注
实名认证
内容提供者

传播文化,铸就未来

确认删除?
VIP
微信客服
  • 扫码咨询
会员Q群
  • 会员专属群点击这里加入QQ群
客服邮箱
回到顶部