电脑桌面
添加小米粒文库到电脑桌面
安装后可以在桌面快捷访问

下承式系杆拱桥施工方案

下承式系杆拱桥施工方案_第1页
1/31
下承式系杆拱桥施工方案_第2页
2/31
下承式系杆拱桥施工方案_第3页
3/31
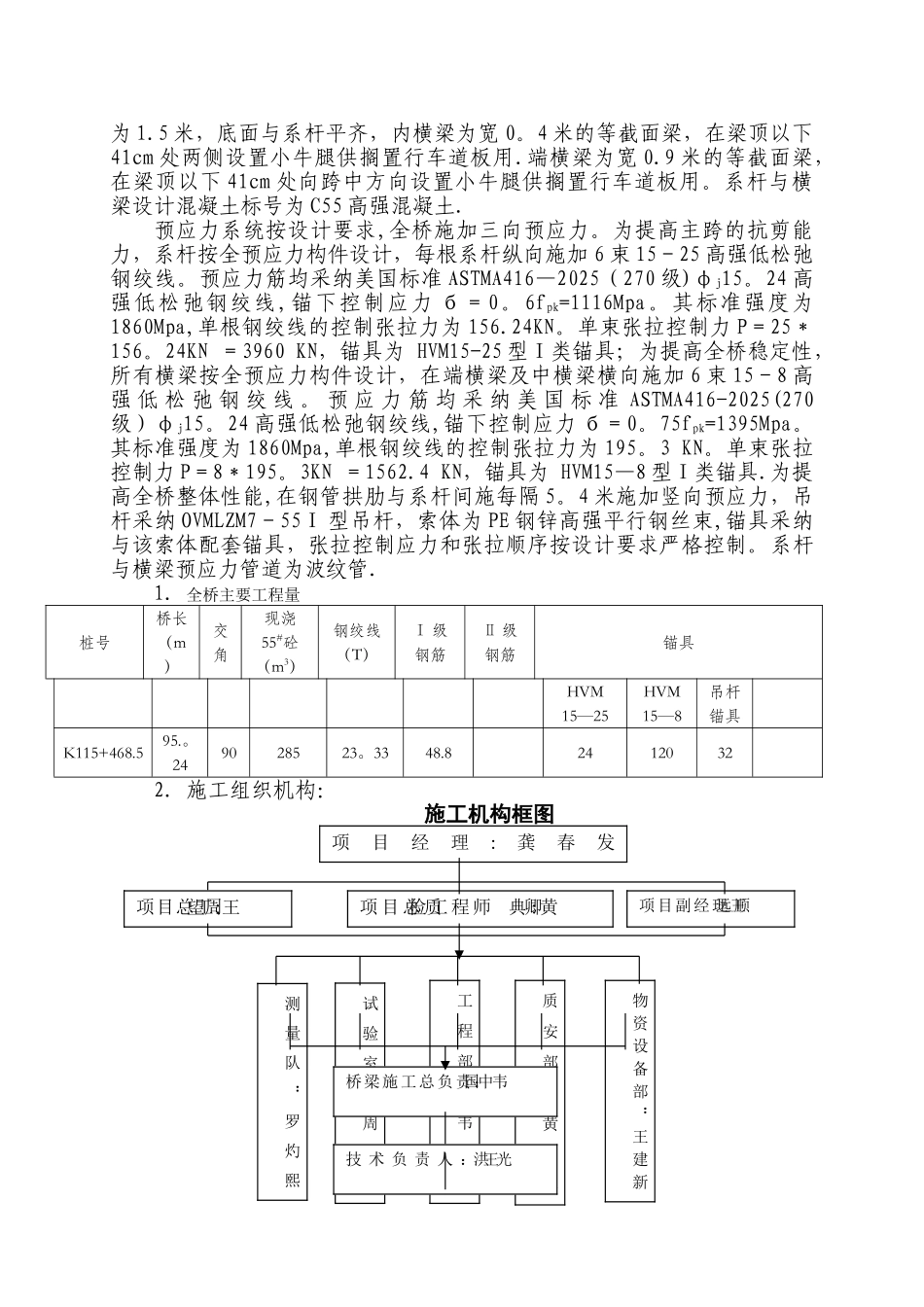
50 米下承式钢管拱桥施工方案一、编制依据 1. 中交第一公路勘察设计讨论院 2025 年 7 月发出的上海至武威国家重点公路河南境泌阳至南阳高速公路第二标段两阶段施工图变更设计。2. 《 公 路 工 程 技 术 标 准 》 … … … … … … … … … … … … … … … JTGB01—20253. 《公路桥涵施工技术法律规范》…………………………………JTJ041—20004. 《 硅 酸 盐 水 泥 、 普 通 硅 酸 盐 水 泥 》 … … … … … … … … … … GB/T175-20005. 《 公 路 工 程 施 工 安 全 技 术 规 程 》 … … … … … … … … … … … JTJO76—956. 《 钢 筋 混 凝 土 用 热 轧 光 圆 钢 筋 》 … … … … … … … … … … … … GB13013-20007. 《 钢 筋 混 凝 土 用 热 轧 带 肋 钢 筋 》 … … … … … … … … … … … GB1499-20008. 《 公 路 工 程 金 属 试 验 规 程 》 … … … … … … … … … … … … … JTL055—839. 《 钢 筋 焊 接 及 验 收 规 程 》 … … … … … … … … … … … … … … JTJ18—96 10. 《 公 路 工 程 水 泥 混 凝 土 试 验 规 程 》 … … … … … … … … … … JTJ053-9411. 《 预 应 力 混 凝 土 用 钢 绞 线 》 … … … … … … … … … … … … … GB/T522412. 《 预 应 力 筋 用 锚 具 、 夹 具 和 连 接 器 》 … … … … … … … … … GB/T1437013. 《 公 路 工 程 质 量 检 验 评 定 标 准 》 … … … … … … … … JTG—F80/1—202514. 《 公 路 工 程 技 术 标 准 》 … … … … … … … … … … … ( JTG B01—2025 )15. 《公路桥涵设计通用法律规范》……………………………(JTG D60—2025)16. 《 钢 结 构 设 计 法 律 规 范 》 … … … … … … … … … … … ( GB50017 )17. 《钢结构工程施工及验收法律规范》……………………………(GB50205—2001)18. 《 铁 路 钢 桥 制 造 法 律 规 范 》 … … … … … … … … … … … (TB10212-98 )19. 《 合 金...

1、当您付费下载文档后,您只拥有了使用权限,并不意味着购买了版权,文档只能用于自身使用,不得用于其他商业用途(如 [转卖]进行直接盈利或[编辑后售卖]进行间接盈利)。
2、本站所有内容均由合作方或网友上传,本站不对文档的完整性、权威性及其观点立场正确性做任何保证或承诺!文档内容仅供研究参考,付费前请自行鉴别。
3、如文档内容存在违规,或者侵犯商业秘密、侵犯著作权等,请点击“违规举报”。

碎片内容

下承式系杆拱桥施工方案

办公文档专营+ 关注
实名认证
内容提供者

大量办公文档,欢迎选择

确认删除?
VIP
微信客服
  • 扫码咨询
会员Q群
  • 会员专属群点击这里加入QQ群
客服邮箱
回到顶部