电脑桌面
添加小米粒文库到电脑桌面
安装后可以在桌面快捷访问

专项施工方案专家论证会签到表

专项施工方案专家论证会签到表_第1页
1/4
专项施工方案专家论证会签到表_第2页
2/4
专项施工方案专家论证会签到表_第3页
3/4
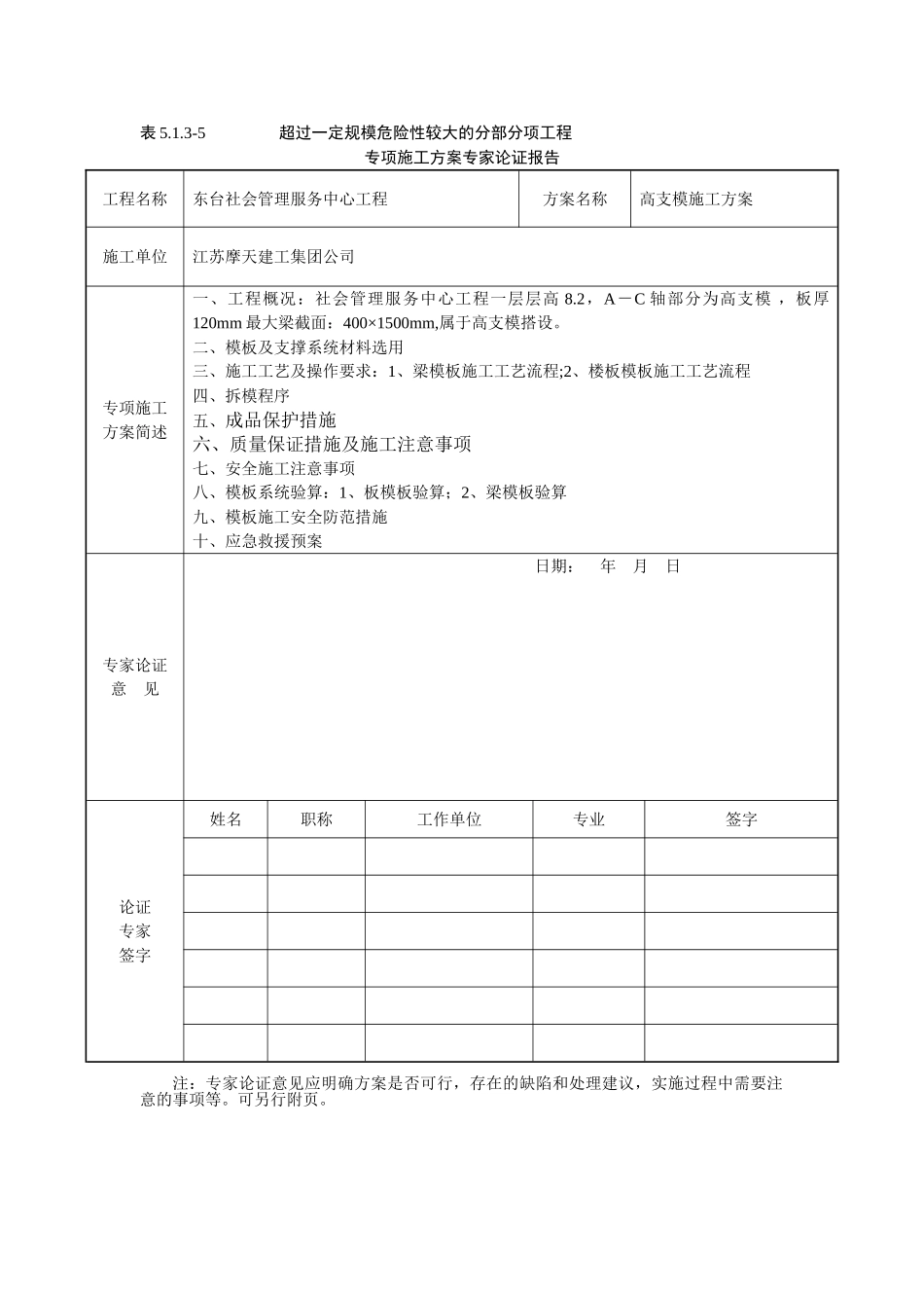
表 5.1。3—4 超过一定规模危险性较大的分部分项工程专项施工方案专家论证会签到表时 间2025 年 3 月 27 日地 点东台市管理服务中心工程项目部论证内容高支模搭设专家组成员单位名称姓名职称专业签名联系方式施工单位单位名称姓名职务专业签名联系方式监理单位单位名称姓名职务专业签名联系方式建设单位单位名称姓名职务专业签名联系方式其他参加人员单位名称姓名职务专业签名联系方式注:1.施工单位须参加人员:技术负责人、方案编制人、项目负责人、项目技术负责人、专职安全管理人员;2.监理单位须参加人员:项目总监理工程师及相关人员;3.建设单位须参加人员:项目负责人或技术负责人;4.其他参加人员:勘察、设计单位项目技术负责人及相关人员。表 5.1.3-5 超过一定规模危险性较大的分部分项工程专项施工方案专家论证报告工程名称东台社会管理服务中心工程方案名称高支模施工方案施工单位江苏摩天建工集团公司专项施工方案简述一、工程概况:社会管理服务中心工程一层层高 8.2,A-C 轴部分为高支模 ,板厚120mm 最大梁截面:400×1500mm,属于高支模搭设。二、模板及支撑系统材料选用三、施工工艺及操作要求:1、梁模板施工工艺流程;2、楼板模板施工工艺流程四、拆模程序五、成品保护措施六、质量保证措施及施工注意事项七、安全施工注意事项八、模板系统验算:1、板模板验算;2、梁模板验算九、模板施工安全防范措施十、应急救援预案专家论证意 见日期: 年 月 日论证专家签字姓名职称工作单位专业签字注:专家论证意见应明确方案是否可行,存在的缺陷和处理建议,实施过程中需要注意的事项等。可另行附页。表 5。1。3—6 超过一定规模危险性较大的分部分项工程专项施工方案审批表工程名称东台市社会管理服务中心施工单位江苏摩天建工集团公司方案名称高支模专项施工方案专项施工方案简述(本次申报内容系第 1 次修改完善): 社会管理服务中心工程一层层高 8.2,A-C 轴部分为高支模 ,板厚 120mm 最大梁截面:400×1500mm,属于高支模搭设。编制人签字: 年 月 日专家组意 见组长签字: 年 月 日审核部门审核人审核意见审核日期技术安全质量施工单位审批意见分包单位技术负责人签字(企业公章): 年 月 日总包单位技术负责人签字(企业公章): 年 月 日监理单位意见项目总监签字(盖章): 年 月 日建设单位意见项目负责人签字: 年 月 日备注注: 专项施工方案附在表后。本表一式四份,建设单位、监理单位、施工单位、安监站各一份。

1、当您付费下载文档后,您只拥有了使用权限,并不意味着购买了版权,文档只能用于自身使用,不得用于其他商业用途(如 [转卖]进行直接盈利或[编辑后售卖]进行间接盈利)。
2、本站所有内容均由合作方或网友上传,本站不对文档的完整性、权威性及其观点立场正确性做任何保证或承诺!文档内容仅供研究参考,付费前请自行鉴别。
3、如文档内容存在违规,或者侵犯商业秘密、侵犯著作权等,请点击“违规举报”。

碎片内容

专项施工方案专家论证会签到表

人从众+ 关注
实名认证
内容提供者

欢迎光临小店,本店以公文和教育为主,希望符合您的需求。

确认删除?
VIP
微信客服
  • 扫码咨询
会员Q群
  • 会员专属群点击这里加入QQ群
客服邮箱
回到顶部