电脑桌面
添加小米粒文库到电脑桌面
安装后可以在桌面快捷访问

中细粒式沥青砼施工方案

中细粒式沥青砼施工方案_第1页
1/3
中细粒式沥青砼施工方案_第2页
2/3
中细粒式沥青砼施工方案_第3页
3/3
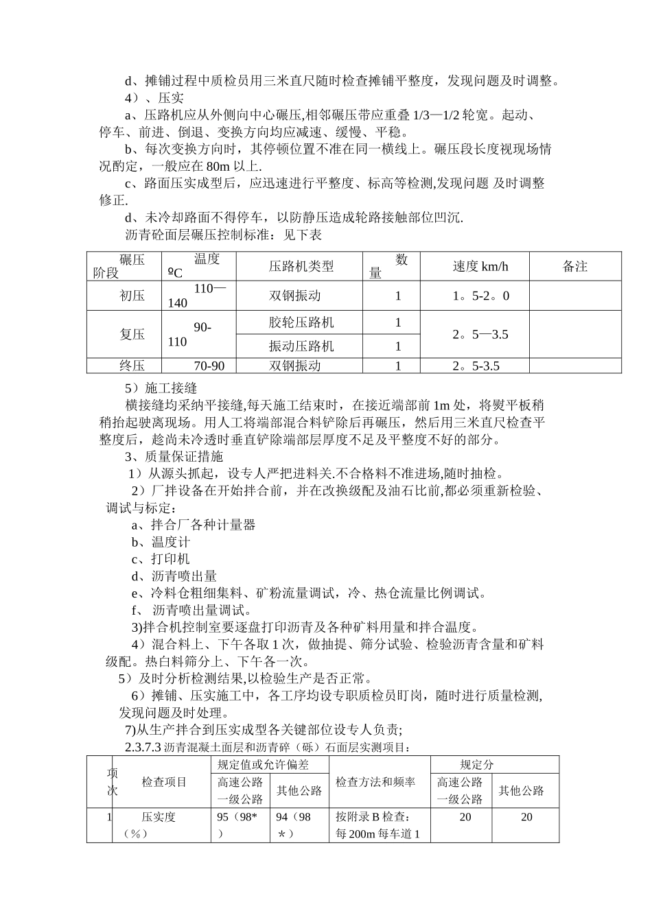
2.3.7 中细粒式沥青砼施工方案中细粒式沥青砼采纳厂拌法施工.2.3.7.1 材料要求:1、沥青:中细粒式沥青混凝土所选用的中交通道路石油沥青技术指标应优于或等于 AH-90 或 AH-100 甲沥青,本次试验用沥青为盘锦 AH-90 粘稠石油沥青,经检测该沥青符合 JTJ032—94 中 AH—90 的要求。2、矿料:1)石料经检测,其筛分、表观相对密度、相对毛体积密度、压碎值、针片状含量等均符合标准要求.2)砂经检测其筛分、表观相对密度、坚固性、含泥量均符合标准要求。3)矿粉其筛分、表观相对密度等均符合标准要求.3、表面层(AC—13I)的配合比,根据级配标准采纳计算法计算,再经调整确定。4、表面层(AC-13I)的油石比确定为 5。0%.2.3。7.2 沥青混凝土施工1、施工准备沥青砼面层摊铺前将二灰碎石基层重新测量横、纵断面。在沥青砼施工前我标段正提前对中面层进行清扫,且待每日开始施工前,将工作面内的树叶、浮土等清扫洁净,施工中由专人负责清扫工作,以保证摊铺工作面。 2、施工方法1)沥青砼拌合采纳 SPECO 3000 型拌合机。该机为间歇式拌合机,具有逐盘打印沥青与各种矿料用量及拌合温度的自动装置,产量 260t/h。a、拌合前由试验员、操作员进行拌合比例的调试,使集料满足级配要求、沥青含量符合设计要求.b、沥青熔化加热采纳导热油锅炉。司炉工在操作过程中随时观察温度显示器,根据温度变化及时调整炉排运行速度.c、各冷料仓均配备人员指挥装载机上料,监视下料情况,帮助料斗下料,防止出现卡堵现象.d、拌合场配三名电工加强巡视对自动控制的执行机构,压力传感器、远红外线测温仪进行定期检修更换。e、操作员在拌合过程随时观察烘干筒、热料仓,及沥青温度,并根据各部分温度变化情况及成品料抽检结果及时调整各冷料仓的给料速度及烘干筒的燃油压力以保证成品料的配合比和拌合温度。f、拌合机回收粉尘用量严格控制在 20-25%.g、中心试验室配专职试验员盯岗,进行配比级配等指标控制发现异常及时调整.2)沥青混合料的运输采纳足够数量自动翻斗车运输混合料到施工现场。a、车厢内洁净,不允许有任何杂物、废料,并涂有 1:3(柴油:水)的涂层。b、拌合机向运料车上放料时,汽车要前后挪动,以减少混合料离析现象.3)摊铺a、摊铺前,先做试验段,确定虚铺系数,碾压温度,碾压工艺等施工参数。b、摊铺行驶速度要和拌合能力相适应,最大限度保持匀速前进,摊铺不间断。摊铺机行驶速度初定为 4m/分钟,摊铺过程中根据拌合运输实际能力随时调整...

1、当您付费下载文档后,您只拥有了使用权限,并不意味着购买了版权,文档只能用于自身使用,不得用于其他商业用途(如 [转卖]进行直接盈利或[编辑后售卖]进行间接盈利)。
2、本站所有内容均由合作方或网友上传,本站不对文档的完整性、权威性及其观点立场正确性做任何保证或承诺!文档内容仅供研究参考,付费前请自行鉴别。
3、如文档内容存在违规,或者侵犯商业秘密、侵犯著作权等,请点击“违规举报”。

碎片内容

中细粒式沥青砼施工方案

您可能关注的文档

确认删除?
VIP
微信客服
  • 扫码咨询
会员Q群
  • 会员专属群点击这里加入QQ群
客服邮箱
回到顶部