电脑桌面
添加小米粒文库到电脑桌面
安装后可以在桌面快捷访问

仓库管理程序文件

仓库管理程序文件_第1页
1/7
仓库管理程序文件_第2页
2/7
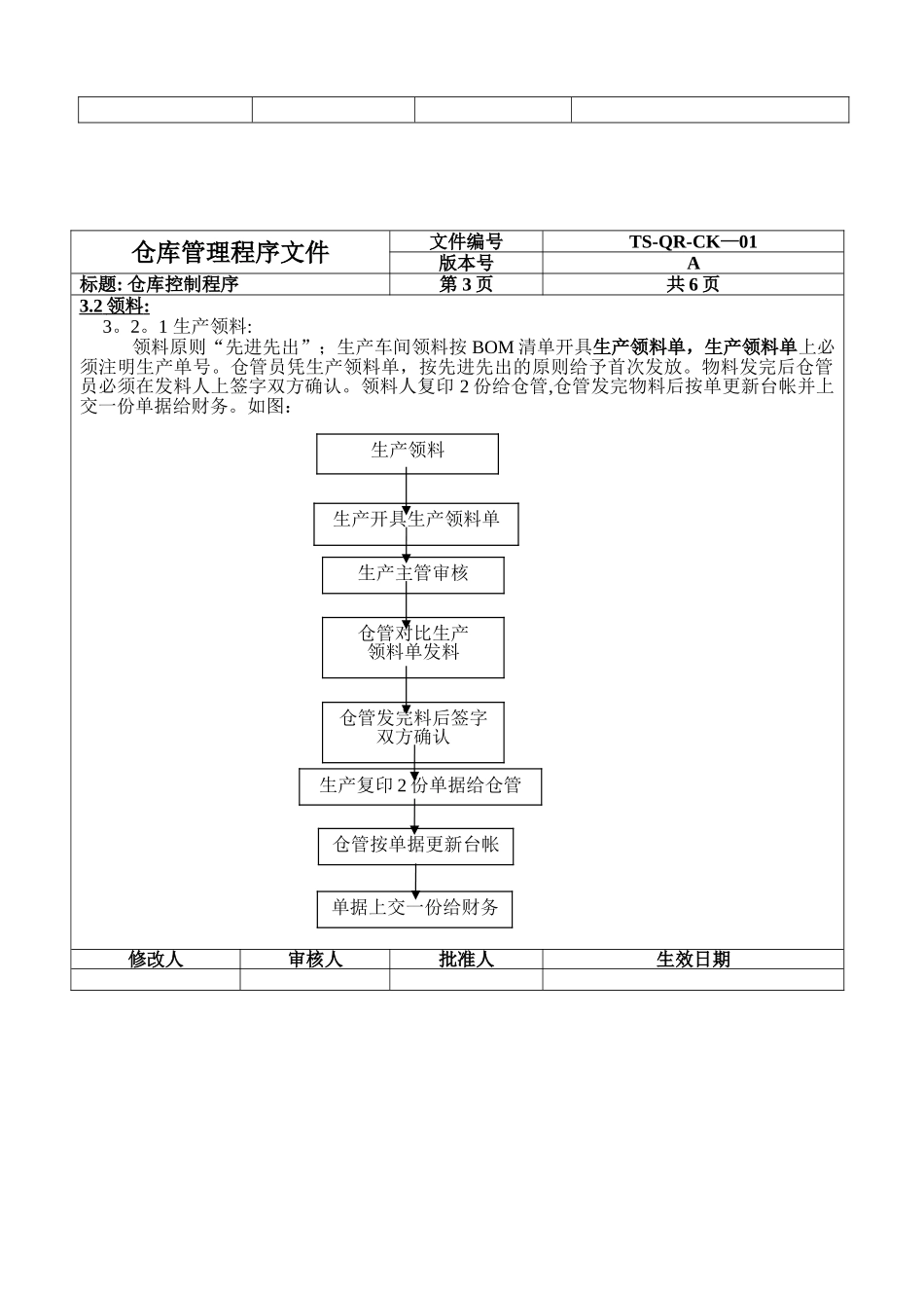
仓库管理程序文件_第3页
3/7
仓 库 管 理 程 序 文 件文 件 编 号TS-QR-CK-01版 本 号A标题: 仓库控制程序第 1 页共 6 页1 。 0 . 范 围 :适 用 于 全 公 司 全 体 员 工 。2 。 0 . 目 的 :为 了 使 仓 库 管 理 更 完 善 法 律 规 范 化, 为 了 能 使 成本核算更准确,物料能得到更好的控制与管理,特 作 出 此 管 理 流 程 。3 。 0 . 管 理 流 程 :3 。 1 入 库 : 3 。 1 。 1 采 购 入 库 供 应 商 来 料 , 采 购 填 写 采 购 入 库 单 交 于 仓 管 , 仓管凭采购入库单收货。仓管必须拿采购入库单、供应商的送货单与货物相对比清点是否单物相符。仓管再打印三联送检报告单提交给品质检验,品质检验合格后由品检、仓库及采购签字后可办理入库。办完入库手续后仓管将送检报告、供应商送货单和采 购 入 库 单 交 由 采 购 , 便 于 采 购 月 底 跟 供 应 商 对 账 、财 务 请 款 及 成 本 核 算 。 如 图:修 改 人审 核 人批 准 人生 效 日 期收货更新库存帐验货办理入库单据上交采购供应商来料采购填写采购入库单购仓管打印送检报告单 品质检验合格后 按保管条件存放 各相关人签字确认仓 库 管 理 程 序 文 件文 件 编 号TS—QR-CK—01版 本 号A标题: 仓库控制程序第 2 页共 6 页3 。 1 。 2 产 成 品 入 库 ( 对 于 小 批 量 订 单 自 家 组 装 ) 生 产 车 间 完 成 成 品 生 产 , 由 生 产 管 理 开 具产 成品入库单,交由质检检验合格后进仓, 仓管清点清楚。发货由业务发出发货通知单,仓管开具成品出仓单以及经手人签字后装车发货。最后入台帐。如图 :修 改 人审 核 人批 准 人生 效 日 期组装、包装完成更新库存帐单据交财务品质检验合格生产管理填写产成品入库单办理入库仓管清点核对数量各相关人签字确认仓库管理程序文件文件编号TS-QR-CK—01版本号A标题: 仓库控制程序第 3 页共 6 页3.2 领料 : 3。2。1 生产领料: 领料原则“先进先出”;生产车间领料按 BOM 清单开具生产领料单,生产领料单上必须注明生产单号。仓管员凭生产领料单,按先进先出的原则给予首次发放。物料发完后仓管员必须在发料人上签字双方确认。领料人复印 2 份给仓管,仓管发完物料后按单更新台帐并上交一份单据给财务。如图:修改...

1、当您付费下载文档后,您只拥有了使用权限,并不意味着购买了版权,文档只能用于自身使用,不得用于其他商业用途(如 [转卖]进行直接盈利或[编辑后售卖]进行间接盈利)。
2、本站所有内容均由合作方或网友上传,本站不对文档的完整性、权威性及其观点立场正确性做任何保证或承诺!文档内容仅供研究参考,付费前请自行鉴别。
3、如文档内容存在违规,或者侵犯商业秘密、侵犯著作权等,请点击“违规举报”。

碎片内容

仓库管理程序文件

确认删除?
VIP
微信客服
  • 扫码咨询
会员Q群
  • 会员专属群点击这里加入QQ群
客服邮箱
回到顶部