电脑桌面
添加小米粒文库到电脑桌面
安装后可以在桌面快捷访问

供水支管------沟槽回填-隐蔽工程验收记录

供水支管------沟槽回填-隐蔽工程验收记录_第1页
1/6
供水支管------沟槽回填-隐蔽工程验收记录_第2页
2/6
供水支管------沟槽回填-隐蔽工程验收记录_第3页
3/6
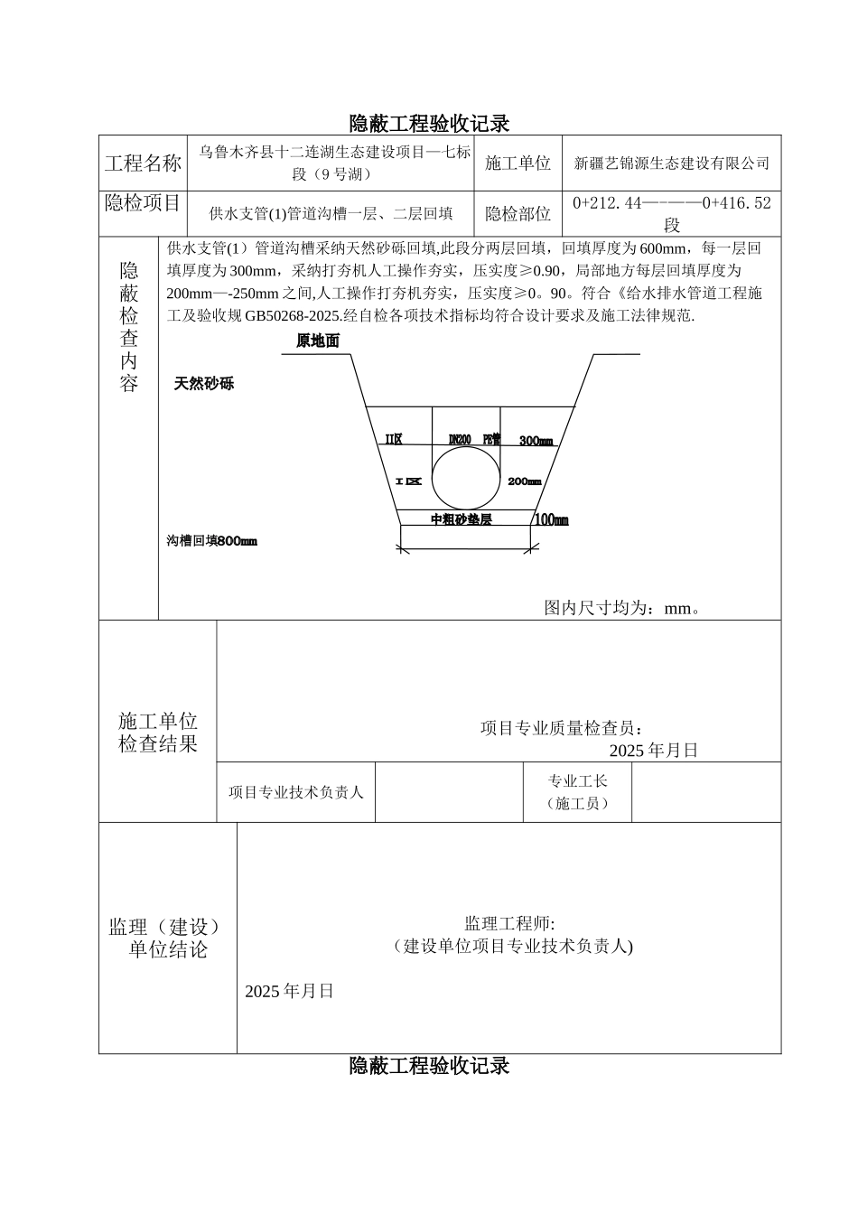
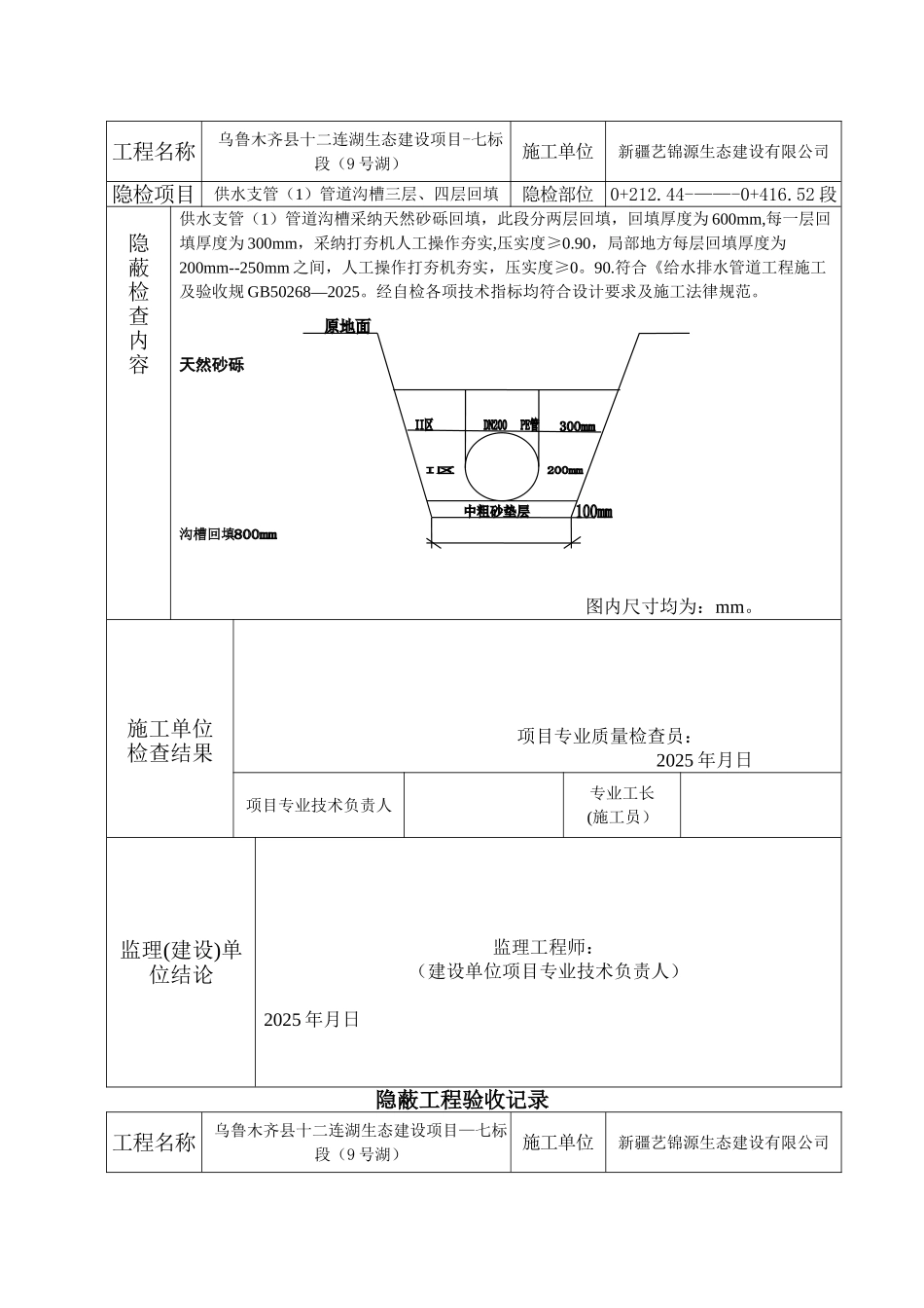
隐蔽工程验收记录工程名称乌鲁木齐县十二连湖生态建设项目—七标段(9 号湖)施工单位新疆艺锦源生态建设有限公司隐检项目供水支管(1)管道沟槽一层、二层回填隐检部位0+212.44—-——0+416.52段隐蔽检查内容供水支管(1)管道沟槽采纳天然砂砾回填,此段分两层回填,回填厚度为 600mm,每一层回填厚度为 300mm,采纳打夯机人工操作夯实,压实度≥0.90,局部地方每层回填厚度为200mm—-250mm 之间,人工操作打夯机夯实,压实度≥0。90。符合《给水排水管道工程施工及验收规 GB50268-2025.经自检各项技术指标均符合设计要求及施工法律规范. 天然砂砾沟槽回填图内尺寸均为:mm。施工单位检查结果项目专业质量检查员:2025 年月日项目专业技术负责人专业工长(施工员)监理(建设)单位结论监理工程师:(建设单位项目专业技术负责人)2025 年月日隐蔽工程验收记录工程名称乌鲁木齐县十二连湖生态建设项目-七标段(9 号湖)施工单位新疆艺锦源生态建设有限公司隐检项目供水支管(1)管道沟槽三层、四层回填隐检部位0+212.44-——-0+416.52 段隐蔽检查内容供水支管(1)管道沟槽采纳天然砂砾回填,此段分两层回填,回填厚度为 600mm,每一层回填厚度为 300mm,采纳打夯机人工操作夯实,压实度≥0.90,局部地方每层回填厚度为200mm--250mm 之间,人工操作打夯机夯实,压实度≥0。90.符合《给水排水管道工程施工及验收规 GB50268—2025。经自检各项技术指标均符合设计要求及施工法律规范。天然砂砾沟槽回填图内尺寸均为:mm。施工单位检查结果项目专业质量检查员:2025 年月日项目专业技术负责人专业工长(施工员)监理(建设)单位结论监理工程师:(建设单位项目专业技术负责人)2025 年月日隐蔽工程验收记录工程名称乌鲁木齐县十二连湖生态建设项目—七标段(9 号湖)施工单位新疆艺锦源生态建设有限公司隐检项目供水支管(1)管道沟槽五层、六层回填隐检部位0+212.44-——-0+416.52 段隐蔽检查内容供水支管(1)管道沟槽采纳天然砂砾回填,回填至设计标准,此段分两层回填,回填厚度为 600mm,每一层回填厚度为 300mm,采纳打夯机人工操作夯实,压实度≥0.90,局部地方每层回填厚度为 200mm—-250mm 之间,人工操作打夯机夯实,压实度≥0.90。符合《给水排水管道工程施工及验收规 GB50268—2025。经自检各项技术指标均符合设计要求及施工法律规范。天然砂砾沟槽回填图内尺寸均为:mm.施工单位检查结果项目专业质量检查员:2025 年月日项目...

1、当您付费下载文档后,您只拥有了使用权限,并不意味着购买了版权,文档只能用于自身使用,不得用于其他商业用途(如 [转卖]进行直接盈利或[编辑后售卖]进行间接盈利)。
2、本站所有内容均由合作方或网友上传,本站不对文档的完整性、权威性及其观点立场正确性做任何保证或承诺!文档内容仅供研究参考,付费前请自行鉴别。
3、如文档内容存在违规,或者侵犯商业秘密、侵犯著作权等,请点击“违规举报”。

碎片内容

供水支管------沟槽回填-隐蔽工程验收记录

确认删除?
VIP
微信客服
  • 扫码咨询
会员Q群
  • 会员专属群点击这里加入QQ群
客服邮箱
回到顶部