电脑桌面
添加小米粒文库到电脑桌面
安装后可以在桌面快捷访问

八钢新2#高炉临时用电施工组织设计

八钢新2#高炉临时用电施工组织设计_第1页
1/14
八钢新2#高炉临时用电施工组织设计_第2页
2/14
八钢新2#高炉临时用电施工组织设计_第3页
3/14
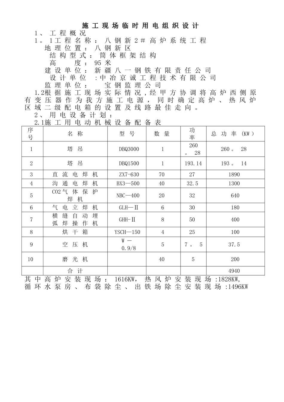
临 时 用 电 施 工 组 织 设 计编 制 :审 核 :批 准 :2008 年 3月 13 日 施 工 现 场 临 时 用 电 组 织 设 计1 、 工 程 概 况1 。 1 工 程 名 称 : 八 钢 新 2 # 高 炉 系 统 工 程 地 理 位 置 : 八 钢 新 区 结 构 型 式 : 筒 体 框 架 结 构 高 度 : 95 米 建 设 单 位 : 新 疆 八 一 钢 铁 有 限 责 任 公 司 设 计 单 位 : 中 冶 京 诚 工 程 技 术 有 限 公 司 监 理 单 位 : 宝 钢 监 理 公 司 1.2根 据 施 工 现 场 实 际 情 况 , 经 甲 方 协 调 将 高 炉 西 侧 原有 变 压 器 作 为 我 方 施 工 电 源 , 同 时 确 定 高 炉 、 热 风 炉区 域 二 级 配 电 箱 的 设 置 及 线 路 最 佳 走 向 。2 、 用 电 设 备 计 划 :2.1施 工 用 电 动 机 械 设 备 配 备 表序号名 称型 号数 量功率总 功 率 (KW )1塔 吊DBQ30001260。 28260 。 282塔 吊DBQ15001193.14193 。 143直 流 电 焊 机ZX7-630702718904沟 通 电 焊 机BX3—5004032.513005CO2 气 体 保 护焊 机NBC—40020326406气 电 立 焊 机GLH—Ⅱ6301807横 缝 自 动 埋弧 焊 操 作 机GHH-Ⅱ8504008烘 干 箱YSCH—1504251009空 压 机W -0.9/857 。 537.510磨 光 机 405200 合 计 4940其 中 高 炉 安 装 现 场 : 1616KW, 热 风 炉 安 装 现 场 :1828KW,循 环 水 泵 房 、 布 袋 除 尘 、 出 铁 场 除 尘 安 装 现 场 :1496KW施工现场用电线路布置原理图: 变 压 器一级配电箱二级配电箱二级配电箱用户组用户组用户组用户组用户组用户组2.2施 工 现 场 临 时 用 电 平 面 图 ( 根 据 施 工 现 场 具 体 情 况绘 制 ) 图 中 必 须 标 明 变 配 设 施 的 位 置 ; 用 电 设 备 位 置 及配 电 线 路 的 走 向 。3 、 负 荷 计 算1 。 1 高 炉 安 装 区 域1.1.1 估 算 施 工 用 电 总 电 容 量 。计 算 公 式 : P=1。 05~1 。 1 ( K1+K2+ K3+ K4)依 据 现 场 实 际 用 电 情 况 , 各 参 数 取 值 如 下 :K1=0.7 ; K2=0.5 ; cosφ=0 。...

1、当您付费下载文档后,您只拥有了使用权限,并不意味着购买了版权,文档只能用于自身使用,不得用于其他商业用途(如 [转卖]进行直接盈利或[编辑后售卖]进行间接盈利)。
2、本站所有内容均由合作方或网友上传,本站不对文档的完整性、权威性及其观点立场正确性做任何保证或承诺!文档内容仅供研究参考,付费前请自行鉴别。
3、如文档内容存在违规,或者侵犯商业秘密、侵犯著作权等,请点击“违规举报”。

碎片内容

八钢新2#高炉临时用电施工组织设计

元素商铺+ 关注
实名认证
内容提供者

欢迎挑选合适的文档

确认删除?
VIP
微信客服
  • 扫码咨询
会员Q群
  • 会员专属群点击这里加入QQ群
客服邮箱
回到顶部