电脑桌面
添加小米粒文库到电脑桌面
安装后可以在桌面快捷访问

安全生产标准化检查表汇编VIP免费

安全生产标准化检查表汇编_第1页
1/73
安全生产标准化检查表汇编_第2页
2/73
安全生产标准化检查表汇编_第3页
3/73
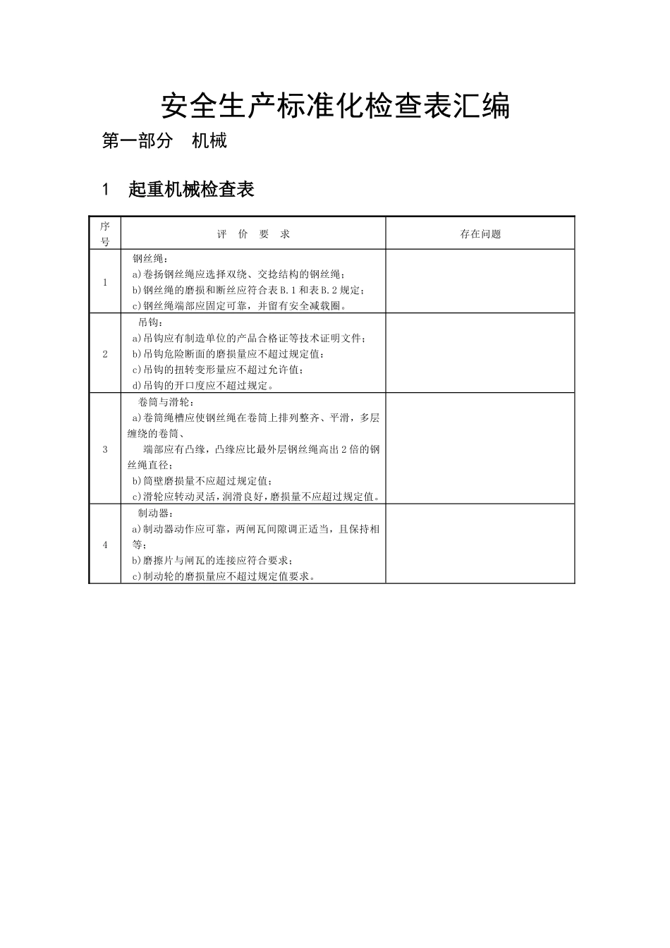
安全生产标准化检查表汇编第一部分机械1起重机械检查表序号评价要求存在问题1钢丝绳:a)卷扬钢丝绳应选择双绕、交捻结构的钢丝绳;b)钢丝绳的磨损和断丝应符合表B.1和表B.2规定;c)钢丝绳端部应固定可靠,并留有安全减载圈。2吊钩:a)吊钩应有制造单位的产品合格证等技术证明文件;b)吊钩危险断面的磨损量应不超过规定值:c)吊钩的扭转变形量应不超过允许值;d)吊钩的开口度应不超过规定。3卷筒与滑轮:a)卷筒绳槽应使钢丝绳在卷筒上排列整齐、平滑,多层缠绕的卷筒、端部应有凸缘,凸缘应比最外层钢丝绳高出2倍的钢丝绳直径;b)筒壁磨损量不应超过规定值;c)滑轮应转动灵活,润滑良好,磨损量不应超过规定值。4制动器:a)制动器动作应可靠,两闸瓦间隙调正适当,且保持相等;b)磨擦片与闸瓦的连接应符合要求;c)制动轮的磨损量应不超过规定值要求。5安全防护系统:a)限位装置应齐全,且灵敏可靠;b)安全联锁装置齐全可靠;c)起重机驾驶室内,在司机操作方便的位置以及地面操作的起重机按钮开关盒上,应设紧急停止开关;d)在大、小车运行机构端部应设置能吸收能量、减少冲击力的缓冲器;e)道轨端部应装设防止起重机脱轨的阻挡器;f)起重机运行机构上应设置扫轨板;g)露天工作的起重机应设置防风夹轨钳或锚定装置;h)在起重机滑线母排一侧,应设置滑线挡板,当滑线与司机室在同一侧时,走台处应设防护挡板或隔网;i)道轨应可靠接地,且接地电阻不大于4Ω;j)滑线、配电柜(屏)上指示信号应齐全,标识应清晰;k)外露的旋转部位应装设防护罩;1)起重机的平台、走台应设防护栏。6吊索具:a)钢丝绳的编结应符合规定;b)钢丝绳用绳卡连接时,应符合表B.3的规定;c)使用链环、链条、麻质吊索具时应符合要求;d)吊索具应标明额定承载量,在架上定点摆放。7文档资料:起重机械应取得质量技术监督部门颁发的安全使用证.—2电梯检查表序号评价标准存在问题文件资料;a)安装的电梯,应取得质量技术监督部门颁发的安全使用证:b)在用电梯应经当地质量技术监督部门或有资质单位的年检并取得合格证。纲丝绳:a)钢丝绳的磨损和断丝数应符合表B.1和表B.2规定;b)钢丝绳端部应固定可靠,并留有安全减载圈;c)钢丝绳的编结、连接应符合规定。制动器:a)制动器动作应可靠,闸瓦间隙应调整适当;b)电梯从快速过渡到低速时,短时制动后轿厢位置应操持不变。安全防护系统:a)上下行接触器、机械联锁装置应完好可靠,触头无烧损;b)断相、错相保护继电器灵敏可靠,触头无烧损,其出线应分开连接;c)限速器动作应灵敏可靠,绳、轮导向装置应齐全完整,润滑良好,张紧装置工作正常,限速器应每半年校验一次;d)极限开关切断电源应灵敏可靠;c)阻位开关应灵活可靠,当打板碰撞限位开关后,电梯应能自动停车;f)手动松闸盘车装置应齐全可靠;g)轿厢安全窗应向外开启,开关灵敏,联锁限位开关可靠;h)轿顶非自动复位开关应完好有效;i)轿顶安全遮拦,除扶手外应设一根横杆;j)轿门、层门机械电气联锁应可靠;k)缓冲器无锈蚀变形,弹簧或油压缓冲器应不少于三个;l)底坑限速张力轮、松绳安全开关应灵敏可靠;m)安全钳楔块应无严重磨损和烧蚀,润滑良好,安全钳动作可靠;n)钢带传动装置断带安全开关灵敏可靠;o)电气设备外壳保护接地(零)线连接可靠;p)电气设备的绝缘应符合要求.导体之间和导体对地之间的绝缘电阻应大于1×103Ω,其动力电路和电气安全装置电路的绝缘电阻值应大于5×105Ω,其他电路(控制、照明、信号等)的绝缘电阻值应大于25×104Ω;q)底坑内非自动复位安全开关应灵敏可靠;r)安全触板电气联锁应灵敏可靠;s)检修照明电压不应超过36V;t)超载装置信号显示应灵敏;u)操纵箱(板)上应设置紧急停止开关,且灵敏可靠。—3皮带运输机检查表序号评价要求存在问题1齿轮箱与电动机、主动轮应联结牢固且安装防护置。2头架、尾架的主动轮、被动轮处应安装防护罩(网)。3设备的保护接地(零)线应牢固可靠。4皮带长度超过30m应在适当位置增设紧急停止开关。合计—序号评价要求1齿轮箱与电动机、主动轮应联结牢固且安装防护置。2头架、尾架的主动轮、被动轮处应安装防护罩(网)。3设备的保护接地(零)线应...

1、当您付费下载文档后,您只拥有了使用权限,并不意味着购买了版权,文档只能用于自身使用,不得用于其他商业用途(如 [转卖]进行直接盈利或[编辑后售卖]进行间接盈利)。
2、本站所有内容均由合作方或网友上传,本站不对文档的完整性、权威性及其观点立场正确性做任何保证或承诺!文档内容仅供研究参考,付费前请自行鉴别。
3、如文档内容存在违规,或者侵犯商业秘密、侵犯著作权等,请点击“违规举报”。

碎片内容

安全生产标准化检查表汇编

您可能关注的文档

确认删除?
VIP
微信客服
  • 扫码咨询
会员Q群
  • 会员专属群点击这里加入QQ群
客服邮箱
回到顶部