电脑桌面
添加小米粒文库到电脑桌面
安装后可以在桌面快捷访问

公路沥青表面处治路面施工方案

公路沥青表面处治路面施工方案_第1页
1/4
公路沥青表面处治路面施工方案_第2页
2/4
公路沥青表面处治路面施工方案_第3页
3/4
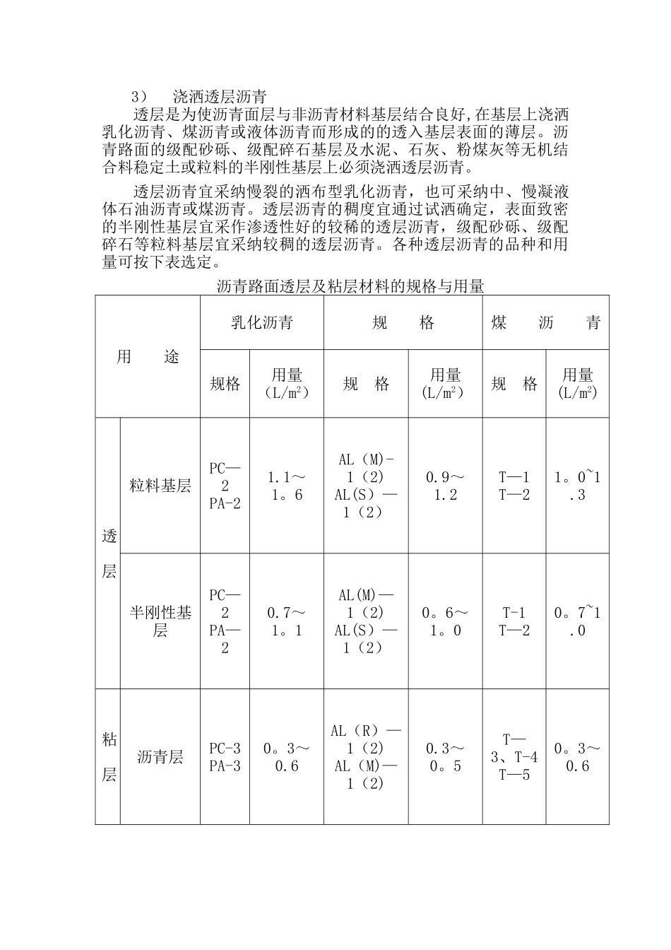
公路沥青表面处治路面施工方案1.施工程序层铺法沥青表面处治施工,有先油后料和先料后油两种方法,其中以前者使用较多,现以三层式为例说明其工艺程序。三层式沥青表面处治路面施工程序为:备料 清扫基层、放样和安装路缘石 浇洒透层沥青 洒布第一次沥青 撒铺第一次矿料 碾压 洒布第二层沥青 铺撒第二层矿料 碾压 洒布第三层沥青 铺撒第三层沥青 碾压 初期养护。单层式和双层式沥青表面处治的施工程序与三层式相同,仅需相应地减少两次或一次洒布沥青、铺撒矿料与碾压工序。1)路面附属物的处理(1)路缘石。城市道路的侧石(立式路缘石)、平石(卧式路缘石)和公路缘石(卧式路缘石)统称路缘石。侧石是指在城市道路中人行道或绿化带高出路面时,为保护和支承边缘用的立式路缘石;平石是指在城市道路中紧接侧石及路面边缘处,为起排水和保护路边用的卧式路缘石;缘石是指在公路上为使路面与路肩分界和保持路边用的卧式路缘石。路缘石应有足够的强度,抗风化和耐磨耗的能力,其表面应平整、无脱皮现象。外路缘石有水泥混凝土、条石、块石等,应根据要求和条件选用。水泥混凝土路缘石持久变形尺寸(长、宽、高)偏差不得超过±5mm,外露面缺边、缺角长度不得大于 20mm,并不得多于一处。路缘石的施工应符合下列要求;①路缘石应在沥青面层施工前铺砌;②路缘石基础要坚固、稳定,可采纳水泥砂、石灰稳定土、石灰稳定工业废渣(土)以及砂砾等作为基础;③石料或水泥混凝土路缘石铺砌后宜用水泥砂浆勾缝;④公路路缘石铺砌后应及时回填或实行其它保护措施。(2)雨水进出口.雨水进水口可分侧立式、平卧式两种。侧立式应设置在侧石的位置,平卧式应设置在平石的位置。平卧式进水口盖座外边缘与侧石边距离不得大于 5cm,并不得伸进侧石的边线.(3)检查井。检查井包括雨水、污水、给水、煤气、电话、电缆等附属设施的检查井.检查井应在路面施工前安装,并经一定时间养护,待水泥砂浆硬化后才可铺筑路面。检查井盖板底座应铺砌牢固,四周应认真夯实,盖板顶面标高应与路面标高一致。2)清扫基层在表面处治层施工前,应将路面基层清扫洁净,使基层矿料大部格外露,并保持干燥.对有坑槽、不平整的路段应先修补和整平,若基层整体强度不足,则应先予补强。3)浇洒透层沥青透层是为使沥青面层与非沥青材料基层结合良好,在基层上浇洒乳化沥青、煤沥青或液体沥青而形成的的透入基层表面的薄层。沥青路面的级配砂砾、级配碎石基层及水泥、石灰、粉煤灰等...

1、当您付费下载文档后,您只拥有了使用权限,并不意味着购买了版权,文档只能用于自身使用,不得用于其他商业用途(如 [转卖]进行直接盈利或[编辑后售卖]进行间接盈利)。
2、本站所有内容均由合作方或网友上传,本站不对文档的完整性、权威性及其观点立场正确性做任何保证或承诺!文档内容仅供研究参考,付费前请自行鉴别。
3、如文档内容存在违规,或者侵犯商业秘密、侵犯著作权等,请点击“违规举报”。

碎片内容

公路沥青表面处治路面施工方案

您可能关注的文档

确认删除?
VIP
微信客服
  • 扫码咨询
会员Q群
  • 会员专属群点击这里加入QQ群
客服邮箱
回到顶部