电脑桌面
添加小米粒文库到电脑桌面
安装后可以在桌面快捷访问

内肋增强聚乙烯螺旋波纹管施工方案

内肋增强聚乙烯螺旋波纹管施工方案_第1页
1/3
内肋增强聚乙烯螺旋波纹管施工方案_第2页
2/3
内肋增强聚乙烯螺旋波纹管施工方案_第3页
3/3
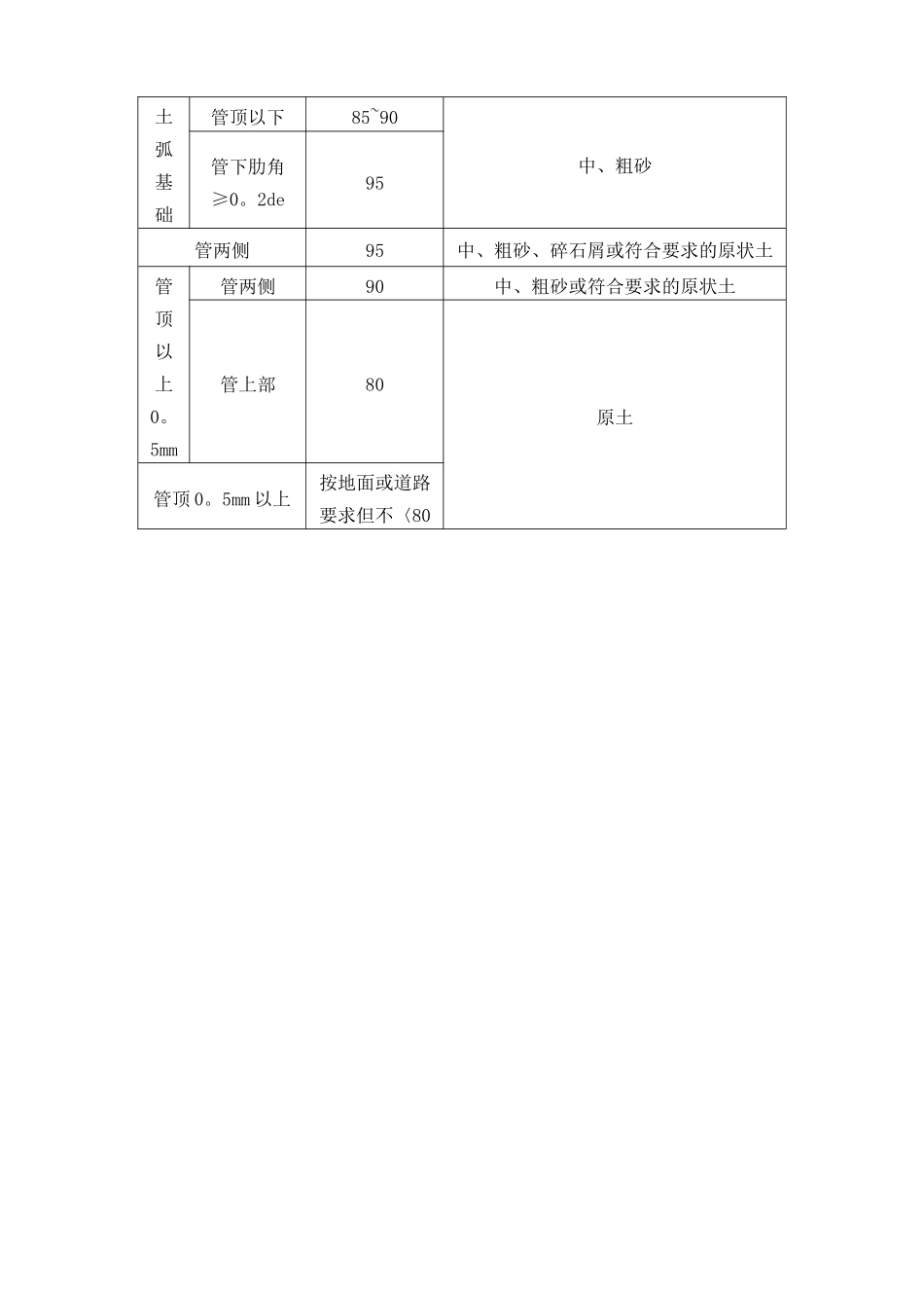
内肋增强聚乙烯螺旋波纹管施工方案1、管道敷设(1)、沟槽开挖沟槽同样采纳小型挖掘机按雨水管道施工方法开挖。(2)、管道基础管道应采纳土弧基础。对一般土质,应在管底以下原状土地基或经回填夯实的地基上铺设一层厚度为 100mm 的中粗砂基础层;当地基土质较差时,可采纳铺垫厚度不小于 200mm 的砂砾基础层,也可分二层铺设,下层用粒径为 5~32mm 的碎石,厚度 100~150mm,上层中粗砂,厚度不小于 50mm,基础密度应符合本规程的规定.对软土地基,当地基承载力小于设计要求或由于施工降水等原因,地基原状土被扰动面影响地基承载能力时,必须先对地基进行加固处理,在达到规定的地基承载能力后,在铺设中粗砂基础层。本工程可根据现场情况把水抽至 30mm 后回填中粗砂,人工整平后铺设管道.(3)、管道焊接本工程主要连接方法为电热熔带焊接,接口形式为承插电热熔接口。电热熔带焊接①。电热熔带焊接结构电热熔带焊接方法是利用镶嵌在连接处接触面的电热原件通电后产生的高温连接方法,是刚性连接.电热熔带焊接结构它是采纳一条内壁镶嵌有电阻丝的聚乙烯电容带、紧贴在两边连接端的外表面(覆盖连两厘米以上),再用耐热带紧固;同时在借口处管端内壁用可拆卸的工具支撑牢固后,在用点热熔焊机给电阻丝供电,电阻丝发热熔融膨胀形成压力,界面两边的聚乙烯互相扩散,关闭电源,待充分冷却固化后形成可靠连接.电热熔带连接时,必须严格根据电热熔带要求的技术指标和设备规定的操作程序进行.采纳的电热熔带必须由生产厂配套供应。②。电热熔带焊接施工的要点:电热熔带连接时,必须严格根据电热熔带要求的技术指标和设备规定的操作程序进行。采纳的电热熔带必须由生产厂配套供应其步骤如下:A.检查管道和电热熔带是否有损伤。B。对齐管道和清除杂物。C.通过水平杆或沙袋将要连接的管道放置在离地面 20~30cm 处。地基上挖有操作坑的可将管道直接放置在地基上.操作坑宽为电热熔带宽 2 倍,深为管底下 30cm。并水平对齐。D。用干净的布彻底将管道的外表面和电热熔带的内壁上的杂物清除掉(包括水气),油类污物可用对 PE 材料焊接有帮助的溶剂擦拭。E.用电热熔带将已水平对齐的管道的要连接的部分紧紧圈住.外面在用耐热带紧固。F。将焊机的输出线端与电热熔带的连接线头相连接。G。焊接在电熔焊机上设定好时间和档位,根据操作规程进行焊接.焊接结束要充分冷却后才能移动管材.在冷却期间,可以进行下一个焊接。(4)、管道回填 管道辐射后应立即进...

1、当您付费下载文档后,您只拥有了使用权限,并不意味着购买了版权,文档只能用于自身使用,不得用于其他商业用途(如 [转卖]进行直接盈利或[编辑后售卖]进行间接盈利)。
2、本站所有内容均由合作方或网友上传,本站不对文档的完整性、权威性及其观点立场正确性做任何保证或承诺!文档内容仅供研究参考,付费前请自行鉴别。
3、如文档内容存在违规,或者侵犯商业秘密、侵犯著作权等,请点击“违规举报”。

碎片内容

内肋增强聚乙烯螺旋波纹管施工方案

您可能关注的文档

确认删除?
VIP
微信客服
  • 扫码咨询
会员Q群
  • 会员专属群点击这里加入QQ群
客服邮箱
回到顶部