电脑桌面
添加小米粒文库到电脑桌面
安装后可以在桌面快捷访问

冷轧扭钢筋施工

冷轧扭钢筋施工_第1页
1/4
冷轧扭钢筋施工_第2页
2/4
冷轧扭钢筋施工_第3页
3/4
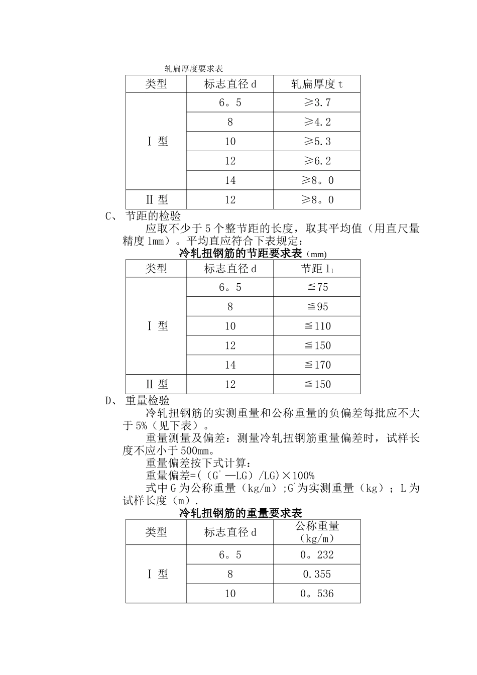
冷轧扭钢筋施工 本工程所有的板筋均采纳冷轧扭筋。 (1)冷轧扭钢筋的特点冷轧扭钢筋是用Ⅰ级 Q215、Q235 热轧圆盘条(φ6.5—φ14)作母材,经冷轧扭机工而成的冷强化钢筋,即对其母材的经伟方向同时进行冷加工,在保留原截面中心区域晶体的相对平衡和稳定的前提下,在提高抗拉(压)强度的同时,仍保留足够的延性,使冷轧钢筋的几何参数(轧扁厚度、截面宽厚比、面缩率、节距)和 4 项材质指标(抗拉强度、条件屈服值、延伸率和冷弯)达到优化。其加工工艺流程如下: ┌────┐ ┌───┐ ┌───┐ ┌────┐ │调直拉伸│→│轧 扁│→│扭 转│→│定长切断│ └────┘ └───┘ └───┘ └────┘主要优点:①冷轧扭钢筋虽为无明显流辐的钢筋,但受弯构件破坏前仍有相当的延续时间,属延性破坏;②在允许出现裂缝的现浇板类构件使用时,可考虑不超过 15%的塑性内力重分布;③冷轧扭钢筋比普通热轧园钢(Ⅰ 级)强度高,可节约钢材约 40%,节约投资;④加工使用便,可按施工需要,由加工厂按计划加工定尺成形,也可在现场直接加工,冷轧扭钢筋有特别的螺旋形,铺设安装绑扎方便,不易移位,钢筋骨架刚度增大、整体性好,不易因施工被踩踏而变形,与混凝土结握裹力强,可防止砼收缩裂缝,保证砼的质量,加快施工速度.(1)冷轧扭钢筋施工1) 冷轧扭钢筋的存放要求 冷轧扭钢筋进入施工现场后,应选择干燥场并有可靠的防雨设施。根据来料先后顺序分批分规格捆扎码施工整齐,挂标签或标牌,注明钢筋的规格、数量、生产日期、生产厂家和使用的工程及部位。冷轧扭钢筋堆放时应在下部垫木架空.冷轧扭钢筋成品到现场后应分进行检验。每批重量不应大于10T,不足 10T 也按一批计。其检验批以同一钢厂、同一牌号、同一规格、同一台轧机生产的钢筋为一批。2) 冷轧扭钢筋加工质量的检验 冷 轧 扭 钢 筋 加 工 质 量 的 检 验 应 符 合 现 行 国 家 标 准GB228、GB232、GB2101 等有关规定和省市地方有关标准,一般包括以下几个方面。A、 外观检查 表面不允许有影响钢筋力学性能的裂纹、折叠、结疤、压痕和机械损伤。锈蚀严重的钢筋,严禁使用。B、 轧扁厚度的检验轧扁厚度用游标卡尺(精度 0。02mm)在试样两端量取。每端分别测其截面两边缘和中央部位厚度,取算术平均值为一端厚度。再取两端算术平均值为冷轧扭钢筋截面轧扁厚度。菱形截面测其两端横截面短向对角线尺寸,邓算术平均值为菱形...

1、当您付费下载文档后,您只拥有了使用权限,并不意味着购买了版权,文档只能用于自身使用,不得用于其他商业用途(如 [转卖]进行直接盈利或[编辑后售卖]进行间接盈利)。
2、本站所有内容均由合作方或网友上传,本站不对文档的完整性、权威性及其观点立场正确性做任何保证或承诺!文档内容仅供研究参考,付费前请自行鉴别。
3、如文档内容存在违规,或者侵犯商业秘密、侵犯著作权等,请点击“违规举报”。

碎片内容

冷轧扭钢筋施工

您可能关注的文档

确认删除?
VIP
微信客服
  • 扫码咨询
会员Q群
  • 会员专属群点击这里加入QQ群
客服邮箱
回到顶部