电脑桌面
添加小米粒文库到电脑桌面
安装后可以在桌面快捷访问

金霆科技有限公司表面涂覆手册

金霆科技有限公司表面涂覆手册_第1页
1/9
金霆科技有限公司表面涂覆手册_第2页
2/9
金霆科技有限公司表面涂覆手册_第3页
3/9
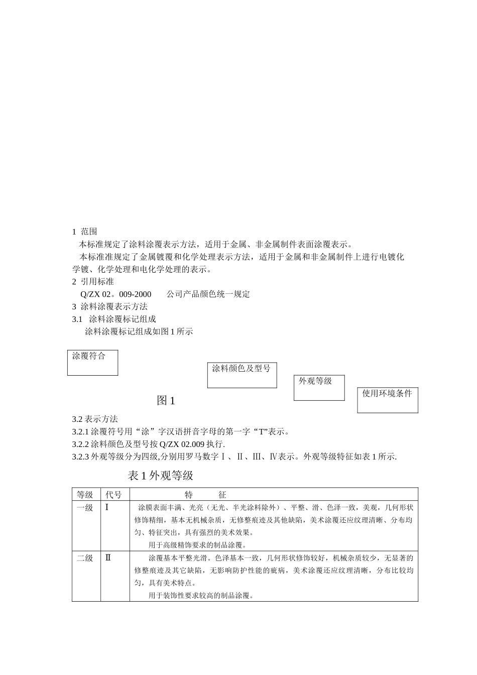
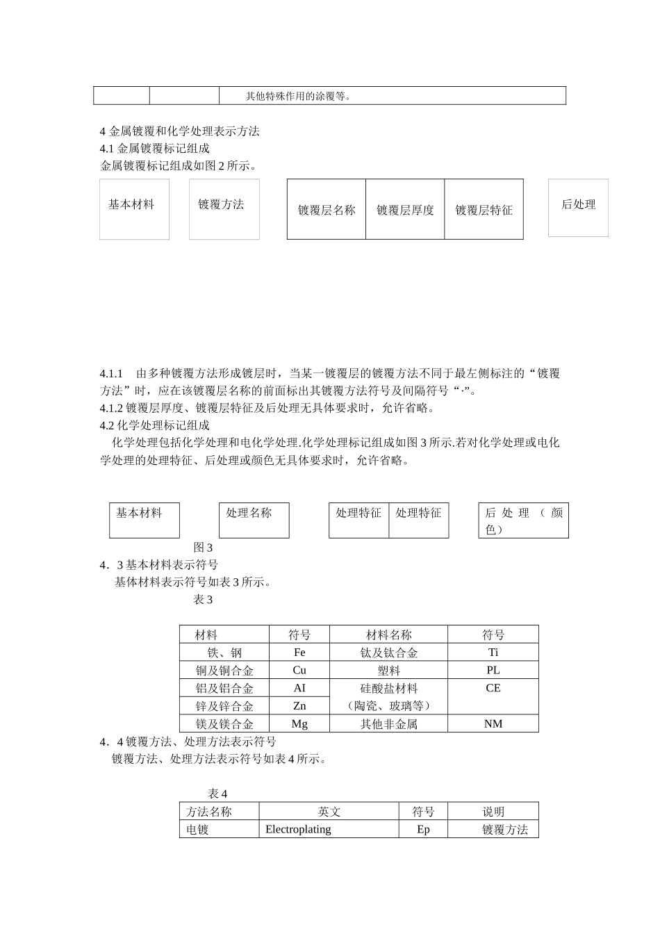
1 范围 本标准规定了涂料涂覆表示方法,适用于金属、非金属制件表面涂覆表示。 本标准准规定了金属镀覆和化学处理表示方法,适用于金属和非金属制件上进行电镀化学镀、化学处理和电化学处理的表示。2 引用标准 Q/ZX 02。009-2000 公司产品颜色统一规定3 涂料涂覆表示方法3.1 涂料涂覆标记组成 涂料涂覆标记组成如图 1 所示 图 13.2 表示方法3.2.1 涂覆符号用“涂”字汉语拼音字母的第一字“T”表示。3.2.2 涂料颜色及型号按 Q/ZX 02.009 执行.3.2.3 外观等级分为四级,分别用罗马数字Ⅰ、Ⅱ、Ⅲ、Ⅳ表示。外观等级特征如表 1 所示. 表 1 外观等级等级代号特 征一级Ⅰ 涂膜表面丰满、光亮(无光、半光涂料除外)、平整、滑、色泽一致,美观,几何形状修饰精细,基本无机械杂质,无修整痕迹及其他缺陷,美术涂覆还应纹理清晰、分布均匀、特征突出,具有强烈的美术效果。用于高级精饰要求的制品涂覆。二级Ⅱ涂覆基本平整光滑。色泽基本一致,几何形状修饰较好,机械杂质较少,无显著的修整痕迹及其它缺陷,无影响防护性能的疵病,美术涂覆还应纹理清晰,分布比较均匀,具有美术特点。用于装饰性要求较高的制品涂覆。涂覆符合涂料颜色及型号外观等级使用环境条件三级Ⅲ 涂覆完整,色泽无显著的差异。表面允许有少量细小的机械杂质、修整痕迹及其他缺陷。无影响防护性能的疵病。美术涂覆还应具有美术特点。 用于装饰性要一般的制品涂覆。四级Ⅳ涂膜完整。允许有不影响防护性能的缺陷。用于无装饰要求的制品涂覆。3.2.4 使用环境条件分为一般、恶劣、海洋、特殊四种,分别用汉语拼音 Y、E、H、T 表示。条件特征如表 2 所示。 表 2 使用环境条件条件代号特征一般Y温度在-40~+55℃℃之间:当温度高于 30℃时,相对湿度不超过 90%,当相对湿度超过 90%时温度应低于 30℃:不受雨、雪、海水等的直接影响,没有或仅有少量工业气体、海雾及日照影响的工作环境。如:在机房或试验室(化学试验室除外)内的工作环境:在室外条件下不受雨、雪、海雾、日照等的直接影响的工作五月等。恶劣E温度在+55℃至+85℃之间,或-40℃至-55 ℃ 之间,或-40℃至+55℃之间温差剧变的条件:相对湿度可达 90%以上,同时温度高于 30℃:受雨、雪、风砂、日照等直接影响的工作环境。如:室外暴露条件下的工作环境等。海洋H受海水的直接影响或处于海洋气候条件下的环境。如:在海水中或舰船甲板上的工作环境等。特殊T直接受水(特别是高...

1、当您付费下载文档后,您只拥有了使用权限,并不意味着购买了版权,文档只能用于自身使用,不得用于其他商业用途(如 [转卖]进行直接盈利或[编辑后售卖]进行间接盈利)。
2、本站所有内容均由合作方或网友上传,本站不对文档的完整性、权威性及其观点立场正确性做任何保证或承诺!文档内容仅供研究参考,付费前请自行鉴别。
3、如文档内容存在违规,或者侵犯商业秘密、侵犯著作权等,请点击“违规举报”。

碎片内容

金霆科技有限公司表面涂覆手册

确认删除?
VIP
微信客服
  • 扫码咨询
会员Q群
  • 会员专属群点击这里加入QQ群
客服邮箱
回到顶部