电脑桌面
添加小米粒文库到电脑桌面
安装后可以在桌面快捷访问

三相负载电路的星型连接(项目编号:061427-2)

三相负载电路的星型连接(项目编号:061427-2)_第1页
1/2
三相负载电路的星型连接(项目编号:061427-2)_第2页
2/2
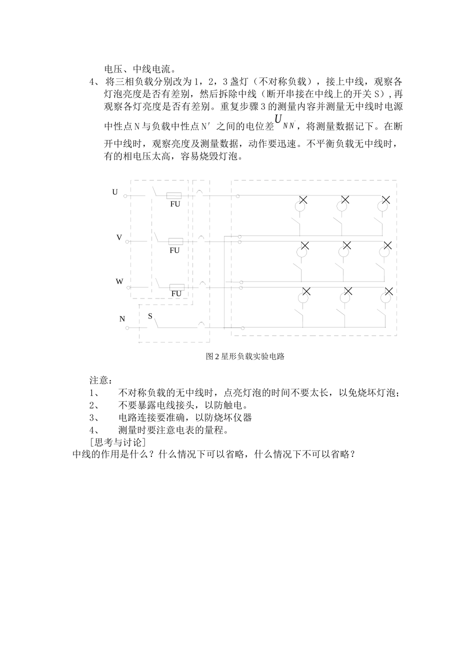
三相负载电路的星型连接(项目编号:061427-2)1、实验目的:(1)验证负载作星形连接时,线电压和相电压的关系。(2)了解不对称负载作星形连接时,中性线的作用。2、实验原理:(1)三相电路中,负载的连接有星形和三角形两种。在星形连接中(见图7.1),不论三线制或四线制,相电流恒等于线电流,在四线制情况下,中线电流等于三个线电流的相量和,即 ÌO=ÌA+ÌB+ÌC线电压与相电压之间有下列关系:ÙAB=ÙAO—ÙBO=ÙA—ÙB ÙBC=ÙBO—ÙCO=ÙB—ÙCÙCA=ÙCO—ÙAO=ÙC—ÙA电源和负载都对称时,以上关系简化为ÙAB=√3ÙAO∠300=√3 ÙA∠300 ÙBC=√3ÙBO∠300=√3ÙB∠300ÙCA=√3 ÙCO∠300=√3ÙC∠300在这种情况下,线电压和相电压关系是对称的,其数值关系为:Ù 线=√3Ù 相若把电源中点 O 与负载中点 O 之间用导线连接起来,就成为三相四线制,由于负载对称,中线电流为零。图 1 三相电路(2) 在三相制星形连接中,若负载不对称,将出现中点位移现象。中点位移后,各相负载电压将不对称。当有中线(三相四线制)时,若中线阻抗足够小,则各相负载电压仍将对称。从而可看出中线的作用,但这时的中线电流将不为零。3、实验仪器:TS-B 型通用电工实验台,单元板4、仪器介绍:参看“日光灯电路和功率因数提高”5、实验内容:1、 熟悉仪器;2、 正确连接线路,参考图 2:选取灯泡负载单元板,电流测量插口单元板及三相负荷开关单元板,安放在实验台架的合适位置上,按图 2 将电灯泡负载(每相也可接 2 盏灯)接成星形接法的实验电路。3、 接成对称负载(每相点亮同样数量的灯泡)测量各线电压、线电流、相×××××××××UVWNFUFUFUS图 2 星形负载实验电路电压、中线电流。4、 将三相负载分别改为 1,2,3 盏灯(不对称负载),接上中线,观察各灯泡亮度是否有差别,然后拆除中线(断开串接在中线上的开关 S),再观察各灯亮度是否有差别。重复步骤 3 的测量内容并测量无中线时电源中性点 N 与负载中性点 N′之间的电位差U N N',将测量数据记下。在断开中线时,观察亮度及测量数据,动作要迅速。不平衡负载无中线时,有的相电压太高,容易烧毁灯泡。 注意: 1、不对称负载的无中线时,点亮灯泡的时间不要太长,以免烧坏灯泡;2、不要暴露电线接头,以防触电。3、电路连接要准确,以防烧坏仪器4、测量时要注意电表的量程。[思考与讨论]中线的作用是什么?什么情况下可以省略,什么情况下不可以省略?

1、当您付费下载文档后,您只拥有了使用权限,并不意味着购买了版权,文档只能用于自身使用,不得用于其他商业用途(如 [转卖]进行直接盈利或[编辑后售卖]进行间接盈利)。
2、本站所有内容均由合作方或网友上传,本站不对文档的完整性、权威性及其观点立场正确性做任何保证或承诺!文档内容仅供研究参考,付费前请自行鉴别。
3、如文档内容存在违规,或者侵犯商业秘密、侵犯著作权等,请点击“违规举报”。

碎片内容

三相负载电路的星型连接(项目编号:061427-2)

确认删除?
VIP
微信客服
  • 扫码咨询
会员Q群
  • 会员专属群点击这里加入QQ群
客服邮箱
回到顶部