电脑桌面
添加小米粒文库到电脑桌面
安装后可以在桌面快捷访问

供应商评估表单VIP免费

供应商评估表单_第1页
1/5
供应商评估表单_第2页
2/5
供应商评估表单_第3页
3/5
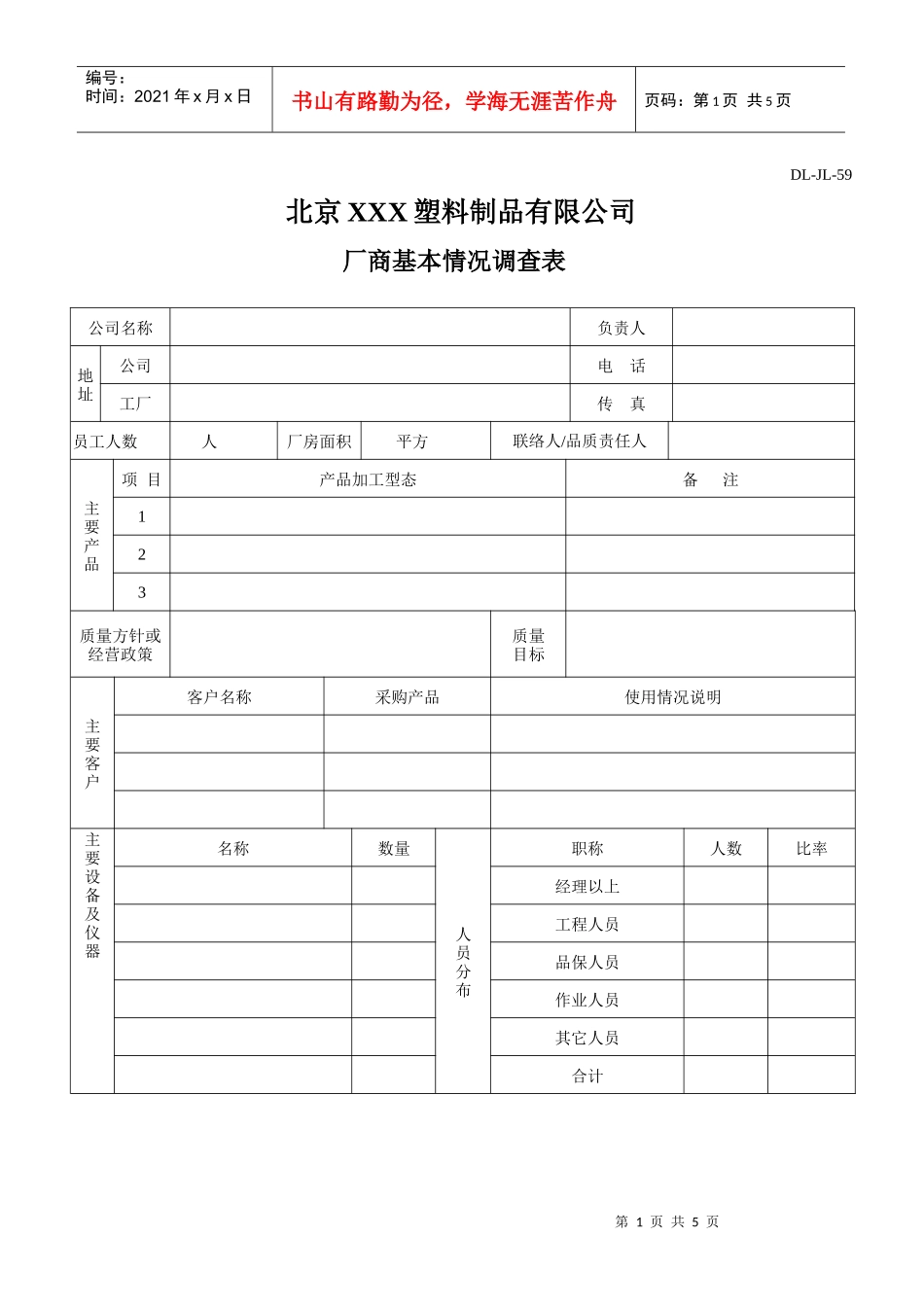
第1页共5页编号:时间:2021年x月x日书山有路勤为径,学海无涯苦作舟页码:第1页共5页DL-JL-59北京XXX塑料制品有限公司厂商基本情况调查表公司名称负责人地址公司电话工厂传真员工人数人厂房面积平方联络人/品质责任人主要产品项目产品加工型态备注123质量方针或经营政策质量目标主要客户客户名称采购产品使用情况说明主要设备及仪器名称数量人员分布职称人数比率经理以上工程人员品保人员作业人员其它人员合计第2页共5页第1页共5页编号:时间:2021年x月x日书山有路勤为径,学海无涯苦作舟页码:第2页共5页评估结论评估小组成员签署核准审核制定DL-JL-59北京XXX塑料制品有限公司厂商质量体系评估表供应商名称主要产品负责人电话供应商地址项目主要内容配分得分满意尚可不满意品管制度1.品质管制制度及品质管制功能运作是否建立..(是否有ROSH指令的要求)6302.品管人员对制品之了解能力.6303.进料管制及检验制度是否彻底执行6304.制品品质管制有否自主,中间首件产品检查及成品检验是否有记录.630技术水平5.对品质之改善能力.6306.技术人员的素质.5307.各项标准作业是否有作业标准书630生产能力8.每日产量及生产管制.6309.模具工夹具能达到之精度.53010.操作人员对制品之了解及工作能力经验.530生产设备工具11.生产设备及工夹具是否有定期保养53012.量具及检验设备是否足够.63013.量具及检验设备之管理及是否能定期校正.63014.设备及工夹具是否有充分之修护能力.530经15.负责人对品质意识530第3页共5页第2页共5页编号:时间:2021年x月x日书山有路勤为径,学海无涯苦作舟页码:第3页共5页营管理16.工厂之作业环境及整洁.53017.对不良品之处理情形是否有标准处理程度及改善对策.63018.交货情形及配合度.530评估结论评估小组成员签章核准审核制定A级75分以上B级60~74分C级60~45分D级44分以下DL-JL-59北京XXX塑料制品有限公司厂商定期考核表考核日期:厂商名称主要产品负责人电话厂商地址考核标准Q(品质/规格)C($)D(交期)S(服务)□全检□抽检□免检□制程品质□很便宜□便宜□可□贵□很贵迟交率□优□良□可□差□劣权重40%20%30%10%得分评估人品质部采购/会计部采购部采购/品质/使用者总得分等级其它考核/评估说明第4页共5页第3页共5页编号:时间:2021年x月x日书山有路勤为径,学海无涯苦作舟页码:第4页共5页综合判定□合格说明_________________________________________________________□不合格说明_________________________________________________________核准审核制表DL-JL-59北京XXX塑料制品有限公司合格厂商名目一览表日期厂商代号厂商名称厂商地址主要产品备注第5页共5页第4页共5页编号:时间:2021年x月x日书山有路勤为径,学海无涯苦作舟页码:第5页共5页核准审核制表

1、当您付费下载文档后,您只拥有了使用权限,并不意味着购买了版权,文档只能用于自身使用,不得用于其他商业用途(如 [转卖]进行直接盈利或[编辑后售卖]进行间接盈利)。
2、本站所有内容均由合作方或网友上传,本站不对文档的完整性、权威性及其观点立场正确性做任何保证或承诺!文档内容仅供研究参考,付费前请自行鉴别。
3、如文档内容存在违规,或者侵犯商业秘密、侵犯著作权等,请点击“违规举报”。

碎片内容

供应商评估表单

精品中小学文档+ 关注
实名认证
内容提供者

精品资料,值得下载

确认删除?
VIP
微信客服
  • 扫码咨询
会员Q群
  • 会员专属群点击这里加入QQ群
客服邮箱
回到顶部