电脑桌面
添加小米粒文库到电脑桌面
安装后可以在桌面快捷访问

关于焊接方法中无铅锡问题与对策VIP免费

关于焊接方法中无铅锡问题与对策_第1页
1/6
关于焊接方法中无铅锡问题与对策_第2页
2/6
关于焊接方法中无铅锡问题与对策_第3页
3/6
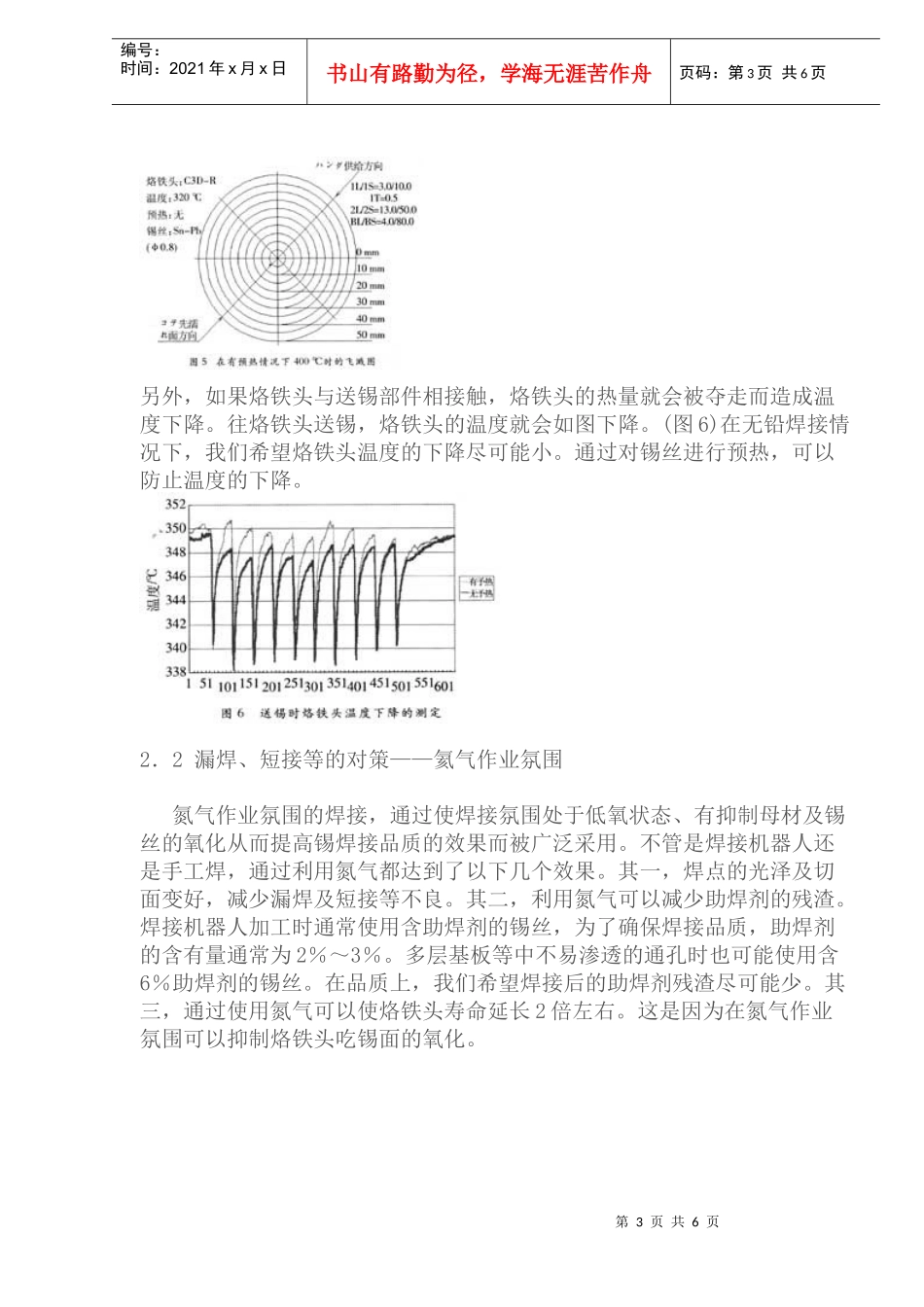
第1页共6页编号:时间:2021年x月x日书山有路勤为径,学海无涯苦作舟页码:第1页共6页关于焊接方法中无铅锡问题与对策随着产品小型化,高密度实装基板、微细间距部品、多层基板开发的急速发展,伴随着锡丝的无铅化、锡焊接自身就变得更困难了,因此必须重新研究焊接方法。在SMT、再流焊的附加焊接工程及局部焊接的领域,微细化程度高且多种多样的手工焊与机器人的无铅锡焊接技术的确立也成了当务之急。1研究目的关于无铅锡焊接,我们想就焊接机器人与手工焊的锡焊接方法中面临的问题、具体分析其原因、从对现场有帮助务实的观点出发介绍无铅锡焊接的对策:①锡丝飞溅对策;②漏焊、短接等的对策;③烙铁头氧化及助焊剂碳化的防止;④烙铁头寿命的延长;⑤对产品的热影响。实验中使用的共晶锡丝为UXE-21《Sn60-Pb40》、无铅锡丝为UXE-51《Sn-Ag3-Cu0.5》。2研究内容2.1焊接温度的上升与锡球、助焊剂的飞溅往高温的烙铁头上供给含助焊剂的锡丝(以后简称:锡丝),则锡丝中的助焊剂会因受热膨胀而破裂。这造成锡丝飞溅的原因之一。众所周知,跟以前的共晶锡丝相比,无铅锡丝的溶点高。然而,锡丝中所含有的助焊剂会因为温度的升高而导致其活性降低的问题尚未受到重视。可以认为如果按无铅锡丝的溶点来提高烙铁头温度,助焊剂的活性反而会降低而失去作业性。(注:开发用于焊接机器人的含助焊剂的锡丝即使在高温下也不会失去活性力,比用于手工焊的锡丝在一定程度更具有耐热性。)通常,烙铁头温度多被设定在320~340℃上下,比锡丝的溶点高150℃左右。此时,锡丝的温度若与室温一致视为25℃,那么两者的温度差则为第2页共6页第1页共6页编号:时间:2021年x月x日书山有路勤为径,学海无涯苦作舟页码:第2页共6页300℃以上。如果烙铁头温度设定为400℃,温度差就变得更大,对锡丝的热冲击也就更大。我们做了以下实验,把烙铁头温度分别设定为320℃和400℃,往烙铁头上送同量的锡丝,观察锡球、助焊剂等飞溅程度。其结果如图1、图2所示。经观察,烙铁头温度设定为400℃,飞溅很明显地增加。由此可知,高温时的热冲击是造成助焊剂及锡球飞溅的原因之一。那么,应该如何去缓和此热冲击呢?为了防止锡丝的飞溅,虽然有把锡丝送入V形槽的方法,但是在使用无铅锡丝时锡丝会迅速硬化,所以不能称之为万全。因此,下面我们介绍通过加热锡丝从而减轻热冲击的预热方法。图3为本公司的焊接机器人烙铁部中,通过加热器一边加热一边送锡的照片。如图所示,在对锡丝进行预热的情况下,我们做了相同的飞溅实验。结果,与没有对锡丝进行预热时相比,具有很明显的差别。比较图1与图4、图2与图5,可发现锡球、助焊剂的飞溅大量减少了。由此可知,对锡丝进行预热后的飞溅量比没有预热时明显减少。第3页共6页第2页共6页编号:时间:2021年x月x日书山有路勤为径,学海无涯苦作舟页码:第3页共6页另外,如果烙铁头与送锡部件相接触,烙铁头的热量就会被夺走而造成温度下降。往烙铁头送锡,烙铁头的温度就会如图下降。(图6)在无铅焊接情况下,我们希望烙铁头温度的下降尽可能小。通过对锡丝进行预热,可以防止温度的下降。2.2漏焊、短接等的对策——氦气作业氛围氮气作业氛围的焊接,通过使焊接氛围处于低氧状态、有抑制母材及锡丝的氧化从而提高锡焊接品质的效果而被广泛采用。不管是焊接机器人还是手工焊,通过利用氮气都达到了以下几个效果。其一,焊点的光泽及切面变好,减少漏焊及短接等不良。其二,利用氮气可以减少助焊剂的残渣。焊接机器人加工时通常使用含助焊剂的锡丝,为了确保焊接品质,助焊剂的含有量通常为2%~3%。多层基板等中不易渗透的通孔时也可能使用含6%助焊剂的锡丝。在品质上,我们希望焊接后的助焊剂残渣尽可能少。其三,通过使用氮气可以使烙铁头寿命延长2倍左右。这是因为在氮气作业氛围可以抑制烙铁头吃锡面的氧化。第4页共6页第3页共6页编号:时间:2021年x月x日书山有路勤为径,学海无涯苦作舟页码:第4页共6页2.3烙铁头氧化及助焊剂碳化的防止焊接作业中氧化物及助焊剂的碳化物等会附在烙铁头上。在机器人连续运行的情况下,尤其是烙铁头吃锡面的氧化会造成焊接的不良。下面,...

1、当您付费下载文档后,您只拥有了使用权限,并不意味着购买了版权,文档只能用于自身使用,不得用于其他商业用途(如 [转卖]进行直接盈利或[编辑后售卖]进行间接盈利)。
2、本站所有内容均由合作方或网友上传,本站不对文档的完整性、权威性及其观点立场正确性做任何保证或承诺!文档内容仅供研究参考,付费前请自行鉴别。
3、如文档内容存在违规,或者侵犯商业秘密、侵犯著作权等,请点击“违规举报”。

碎片内容

关于焊接方法中无铅锡问题与对策

确认删除?
VIP
微信客服
  • 扫码咨询
会员Q群
  • 会员专属群点击这里加入QQ群
客服邮箱
回到顶部