电脑桌面
添加小米粒文库到电脑桌面
安装后可以在桌面快捷访问

安全防范工程验收表8VIP免费

安全防范工程验收表8_第1页
1/13
安全防范工程验收表8_第2页
2/13
安全防范工程验收表8_第3页
3/13
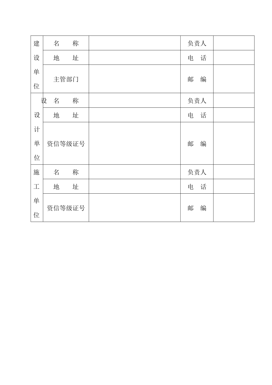
安全防范工程验收表建设单位:设计施工单位:工程名称:工程级别:负责人:联系电话:验收组织单位:验收日期:杭州市公安局技防办统一印制建设单位名称负责人地址电话主管部门邮编设设计单位名称负责人地址电话资信等级证号邮编施工单位名称负责人地址电话资信等级证号邮编工程概况施工质量抽查验收表1工程名称设计、施工单位:项目要求方法检查结果抽查百分数合格基本合格不合格设备安装质量前端设备1.安装位置(方向)合理、有效现场抽查观察抽查2.安装质量(工艺)牢固、整洁、美观、规范现场抽查观察3.线缆连接视频电缆一线到位,接插件可靠,电源线与信号线、控制线分开,走向顺直,无扭绞复核、抽查或对照图纸4.通电工作正常现场通电检查100%控制设备5.机架、操作台安装平稳、合理,便于维护现场观察抽查6.控制设备安装操作方便、安全现场观察7.开关、按钮灵活、方便、安全现场观察、询问8.机架、设备接地接地规范、安全现场观察、询问9.接地电阻符合本规范第3.9.3条相关要求对照检验报告或对照第6.3.6条10.雷电防护措施符合本规范第3.9.5条相关要求核对检验报告,现场观察11.机架电缆线扎及标识整齐、有明显编号、标识并牢靠现场检查抽查12.电源引入线缆标识引入线端标识清晰、牢靠现场检查抽查13.通电工作正常现场通电检查100%管线敷设质量14.明敷管线牢固美观、与室内装饰协调,抗干扰现场观察、询问抽查1~2处15.接线盒、线缆接头垂直与水平交叉处有分线盒,线缆安装固定、规范现场观察、询问抽查1~2处16.隐蔽工程随工验收复核有隐蔽工程随工验收单并验收合格复核表6.3.2如无隐蔽工程随工验收单,在本栏内简要说明检查结果Ks(合格率)统计施工质量验收结论:施工验收组(人员)签名:验收日期注:1、在检查结果栏选符合实际情况的空格内打“√”,并作为统计数。2、检查结果统计Ks(合格率)=(合格数+基本合格数×0.6)/项目检查数(项目检查数如无要求或实际缺项未检查的,不计在内)3、验收结论:Ks(合格率)≥0.8判为通过;0.8>Ks≥0.6判为基本通过;Ks<0.6判为不通过,必要时作简要说明。技术验收表2工程名称设计施工单位序号检查项目检查要求与方法检查结果合格基本合格不合格基本要求1*系统主要技术性能第8.3.2条第2款2设备配置第8.3.2条第3款3主要技防产品,设备的质量保证第8.3.2条第4款4备用供电第8.3.2条第5款5重要防护目标的安全防范效果第8.3.2条第6款6系统集成功能第8.3.2条第7款报警7误、漏报警,防护范围与防拆保护抽查第8.3.2条第8款8*系统布防、撤防,旁路、报警显示第8.3.2条第8款9联动功能第8.3.2条第8款10直接或间接联网功能,联网紧急报警响应时间第8.3.2条第8款视频安防监控11主要技术指标第8.3.2条第9款12*监视与回放图像质量第8.3.2条第9款13操作与控制第8.3.2条第9款14字符标识第8.3.2条第9款15电梯厢监控第8.3.2条第9款出入口控制16系统功能与信息存储第8.3.2条第10款17控制与报警第8.3.2条第10款18联网报警与控制第8.3.2条第10款访客对讲(可视)19系统功能第8.3.2条第11款20通话质量第8.3.2条第11款21图像质量第8.3.2条第11款电子巡查22数据显示、归档、查询、打印第8.3.2条第12款23即时报警第8.3.2条第12款停车库(场)24紧急报警装置第8.3.2条第13款25电视监视第8.3.2条第13款26管理系统工作状况第8.3.2条第13款监控27通信联络第8.3.2条第14款中心28自身防范与防火措施第8.3.2条第14款检查结果Kj(合格率):技术验收结论:技术验收组(人员)签名:验收日期:注:1、在检查结果栏选符合实际情况的空格内打“√”,并作为统计数。2、检查结果统计Kj(合格率)=(合格数+基本合格数×0.6)/项目检查数(项目检查数如无要求或实际缺项未检查的,不计在内)3、验收结论:Kj(合格率)≥0.8判为通过;0.8>Kj≥0.6判为基本通过;Kj<0.6判为不通过,必要时作简要说明。4、序号右上角打“*”的为重点项目,检查结果只要有一项不合格的,即判为不通过。资料审查表3工程名称序号审查内容审查情况完整性准确性合格基本合格不合格合格基本合格不合格1设计任务书2合同(或协议书)3初步设计论证意见(含评审委员会、小组人员名单)4通...

1、当您付费下载文档后,您只拥有了使用权限,并不意味着购买了版权,文档只能用于自身使用,不得用于其他商业用途(如 [转卖]进行直接盈利或[编辑后售卖]进行间接盈利)。
2、本站所有内容均由合作方或网友上传,本站不对文档的完整性、权威性及其观点立场正确性做任何保证或承诺!文档内容仅供研究参考,付费前请自行鉴别。
3、如文档内容存在违规,或者侵犯商业秘密、侵犯著作权等,请点击“违规举报”。

碎片内容

安全防范工程验收表8

确认删除?
VIP
微信客服
  • 扫码咨询
会员Q群
  • 会员专属群点击这里加入QQ群
客服邮箱
回到顶部