电脑桌面
添加小米粒文库到电脑桌面
安装后可以在桌面快捷访问

小煤矿最全台账合编VIP免费

小煤矿最全台账合编_第1页
1/54
小煤矿最全台账合编_第2页
2/54
小煤矿最全台账合编_第3页
3/54
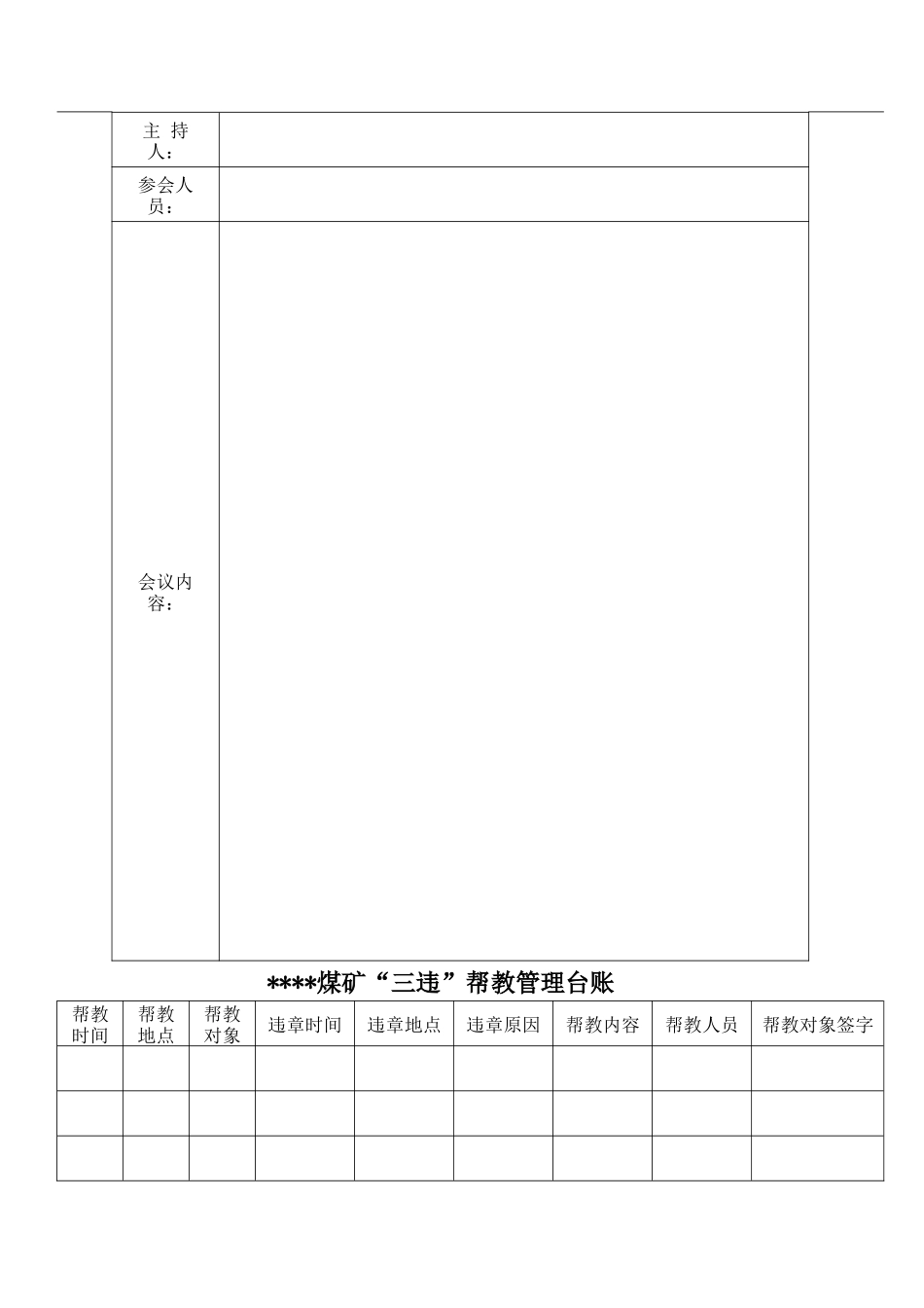
第一章综合台帐记录****煤矿会议记录会议名称:时间:地点:主持人:参会人员:会议内容:****煤矿“三违”帮教管理台账帮教时间帮教地点帮教对象违章时间违章地点违章原因帮教内容帮教人员帮教对象签字******煤矿"三违"管理台账序号时间违章人员违章地点违章原因是否“帮教”处理意见调查人员违章人签字上级领导批示处理笺编号:来文单位来文事项来文时间上级领导批示内容:矿领导阅示:办公室意见:调度室意见:值班员:年月日****煤矿质量标准化检查考核汇总表检查时间:年月日序号专业实得分折合得分检查人员一安全管理二采煤三掘进裸体巷道架棚巷道掘进安全文明生产四通风通风系统局部通风瓦斯管理爆破管理安全监控瓦斯突出瓦斯抽放自然发火通风设施防治粉尘管理制度五机电安全六运输安全七地质测量防治水八地面设施合计****煤矿安全费用提取及使用情况统计表单位:(吨、万元)煤矿名称职工人数原煤产量原煤销量销售收入税费维简费(万元)安全费(万元)安保互动保险年初余额提取使用期未余额年初余额提取使用期未余额保险人数投保金额投保日期制表人:审核:日期:****煤矿安全举报登记表编号经办人举报方式登记受理时间举报人举报电话举报部门及个人举报内容领导批示交办单位交办时间法定办结时间实际办结时间办理结果举报类型办理方式办理结果件数备注隐患违法违规安全建议不服其它转办交办自办移送属实失实直接回复不予受理123456789101112安全生产培训记录培训项目培训时间培训地点培训人参加培训人员培训内容培训效果发出传真登记簿序号时间受电单位发电文号传真主要内容领导批示承办人调度室值班员上岗考评表日期姓名值班时段接报记录情况信息处理情况信息报送情况事故处理情况举报办理情况信息传递情况设备运用情况室内整洁情况交办完成情况得分扣分原因15分10分15分15分10分5分5分10分15分100分****煤矿调度值班记录月日时(周)——月日时(周)天气:上班值班员:本班值班员:时间调度对象调度记录调度值班交接记录本班调度工作概况:上班移交工作及完成情况:本班移交工作:本班值班员:接班值班员:日期:矿井管理人员下井带班记录带班日期:年月日班姓名职务入井时间出井时间带班情况交接班内容接班领导接班时间下井人员出进入井记录序号姓名入井时间出井时间班次备注12345678910111213141516****煤矿伤亡、非伤亡事故统计台账日期姓名事故地点事故性质事故类型事故原因处理意见备注第二章采掘台帐记录****煤矿掘进进尺统计表地点:*****掘进工作面日期:年月日期班次进尺(m)收尺人员班组长技安人员值班人员备注早班中班夜班早班中班夜班早班中班夜班早班中班夜班早班中班夜班早班中班夜班早班中班夜班早班中班夜班早班中班夜班早班中班夜班****煤矿掘进进尺月度汇总表日期:年月**掘进工作面**掘进工作面**掘进工作面**掘进工作面**掘进工作面**掘进工作面合计日期进尺(m)日期进尺(m)日期进尺(m)日期进尺(m)日期进尺(m)日期进尺(m)111111222222333333444444555555666666777777888888999999101010101010111111111111121212121212131313131313141414141414151515151515161616161616171717171717181818181818191919191919202020202020212121212121222222222222232323232323242424242424252525252525262626262626272727272727282828282828292929292929303030303030313131313131合计统计人员:总工程师:矿长:****煤矿原煤产量日报表地点:****采煤工作面日期:年月****煤矿原煤产量月度报表日期:年月****采煤工作面****采煤工作面合计备注日期产量(t)日期产量(t)11日期班次产量(t)收量人员班组长技安人员值班人员备注早班中班夜班早班中班夜班早班中班夜班早班中班夜班早班中班夜班早班中班夜班早班中班夜班早班中班夜班早班中班夜班早班22334455667788991010111112121313141415151616171718181919202021212222232324242525262627272828292930303131合计统计人员:总工程师:矿长:第三章一通三防台帐记录****煤矿测风报表填报时间:年月日测风地点断面(㎡)风速(m/s)风量(m³/min)瓦斯(%)二氧化碳(%)一氧化碳(PPm)温度(℃)作业情况主抽风机工...

1、当您付费下载文档后,您只拥有了使用权限,并不意味着购买了版权,文档只能用于自身使用,不得用于其他商业用途(如 [转卖]进行直接盈利或[编辑后售卖]进行间接盈利)。
2、本站所有内容均由合作方或网友上传,本站不对文档的完整性、权威性及其观点立场正确性做任何保证或承诺!文档内容仅供研究参考,付费前请自行鉴别。
3、如文档内容存在违规,或者侵犯商业秘密、侵犯著作权等,请点击“违规举报”。

碎片内容

小煤矿最全台账合编

您可能关注的文档

确认删除?
VIP
微信客服
  • 扫码咨询
会员Q群
  • 会员专属群点击这里加入QQ群
客服邮箱
回到顶部