电脑桌面
添加小米粒文库到电脑桌面
安装后可以在桌面快捷访问

成果地质范本电子文档汇交格式与验收VIP免费

成果地质范本电子文档汇交格式与验收_第1页
1/20
成果地质范本电子文档汇交格式与验收_第2页
2/20
成果地质范本电子文档汇交格式与验收_第3页
3/20
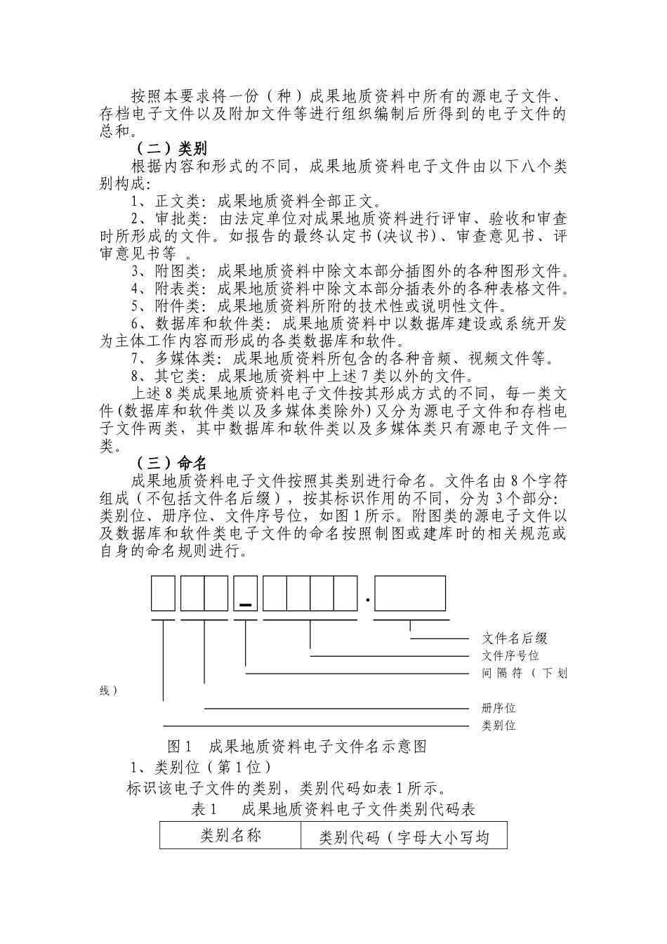
附件1成果地质资料电子文件汇交格式要求为保证成果地质资料电子文件能有效地管理和利用,本格式要求规定了地质资料电子文件的格式和在保存介质中的组织方式。本格式适用于非油气成果地质资料正文(含插图、插照、插表)、附图、附表、附件等电子文件的制作、检查验收和汇交。一、定义、分类和命名(一)定义1、成果地质资料各类地质工作与科学研究项目完成时,按相应技术规范和原项目设计要求,以文字、图、表、多媒体、数据库和软件等形式提供的反映工作成果的一整套科技文件材料。2、成果地质资料文本部分成果地质资料中除附图、数据库和软件、多媒体以外的以文字和表格为主的文件材料。3、成果地质资料电子文件载有成果地质资料信息,能被计算机系统识别、处理,按一定格式存储在光盘或其他介质上,并可在网上传送的数字代码序列。4、矢量图形文件指一种以数学方式描述、在原制作软件环境和库文件的条件下,可通过计算机任意缩放但不损失细节的图形文件。5、栅格图形文件指一种以象素或点的方式进行描述并能独立用于绘图或显示的图形文件,其特点是所有有关绘图的数据,包括图例、文字等,都已包含在该电子文件中。6、源电子文件指通过使用字处理、制表、制图、数据库、系统开发以及多媒体制作等工具软件进行创建而直接得到的成果地质资料电子文件,如文本部分的“.doc、.wps、.xls”格式的电子文件,附图类的各种矢量图形文件,数据库的“.mdb”、“.dbf”等文件,软件类的安装程序、源代码、技术文档、测试数据等各种文件,以及多媒体类的“.mpg、.avi、.wav、.mp3”格式的电子文件。7、存档电子文件指通过对成果地质资料文本部分和附图类的源电子文件进行格式转换或制作而间接得到的电子文件,如文本部分“.pdf”格式的电子文件,附图类的“.jpg、.tiff、.eps、.pdf、.gif”格式的栅格图形文件。8、附加文件在制作成果地质资料电子文档过程中所产生的除源电子文件和存档电子文件以外,用于对电子文件进行说明、登记和著录等的附加性电子文件,如“电子文件登记表”、“载体外标签”等。9、成果地质资料电子文档按照本要求将一份(种)成果地质资料中所有的源电子文件、存档电子文件以及附加文件等进行组织编制后所得到的电子文件的总和。(二)类别根据内容和形式的不同,成果地质资料电子文件由以下八个类别构成:1、正文类:成果地质资料全部正文。2、审批类:由法定单位对成果地质资料进行评审、验收和审查时所形成的文件。如报告的最终认定书(决议书)、审查意见书、评审意见书等。3、附图类:成果地质资料中除文本部分插图外的各种图形文件。4、附表类:成果地质资料中除文本部分插表外的各种表格文件。5、附件类:成果地质资料所附的技术性或说明性文件。6、数据库和软件类:成果地质资料中以数据库建设或系统开发为主体工作内容而形成的各类数据库和软件。7、多媒体类:成果地质资料所包含的各种音频、视频文件等。8、其它类:成果地质资料中上述7类以外的文件。上述8类成果地质资料电子文件按其形成方式的不同,每一类文件(数据库和软件类以及多媒体类除外)又分为源电子文件和存档电子文件两类,其中数据库和软件类以及多媒体类只有源电子文件一类。(三)命名成果地质资料电子文件按照其类别进行命名。文件名由8个字符组成(不包括文件名后缀),按其标识作用的不同,分为3个部分:类别位、册序位、文件序号位,如图1所示。附图类的源电子文件以及数据库和软件类电子文件的命名按照制图或建库时的相关规范或自身的命名规则进行。.文件名后缀文件序号位间隔符(下划线)册序位类别位图1成果地质资料电子文件名示意图1、类别位(第1位)标识该电子文件的类别,类别代码如表1所示。表1成果地质资料电子文件类别代码表类别名称类别代码(字母大小写均可)正文类Z审批类S附图类T附表类B附件类J多媒体类M其它类Q2、册序位(第2-3位)册序位用于标识该电子文件所在分册的顺序。册序位的值为01-99。若其值小于10,册序位的第1位填充“0”。同类未成册的电子文件视为一册,册序位取值“01”。3、文件序号位(第5-8位)标识该电子文件在本分册中的顺序。同一分册电子文件的文件...

1、当您付费下载文档后,您只拥有了使用权限,并不意味着购买了版权,文档只能用于自身使用,不得用于其他商业用途(如 [转卖]进行直接盈利或[编辑后售卖]进行间接盈利)。
2、本站所有内容均由合作方或网友上传,本站不对文档的完整性、权威性及其观点立场正确性做任何保证或承诺!文档内容仅供研究参考,付费前请自行鉴别。
3、如文档内容存在违规,或者侵犯商业秘密、侵犯著作权等,请点击“违规举报”。

碎片内容

成果地质范本电子文档汇交格式与验收

您可能关注的文档

确认删除?
VIP
微信客服
  • 扫码咨询
会员Q群
  • 会员专属群点击这里加入QQ群
客服邮箱
回到顶部